|
Wyjście Spis treści Wstecz Dalej
Autor artykułu |
©2026 mgr Jerzy Wałaszek
|
Przekaźnik (ang. relay) jest przełącznikiem sterowanym elektrycznie. Jest to urządzenie mechaniczno-elektryczne. Zasada działania jest prosta do zrozumienia:
![]() |
1 – cewka elektromagnesu 2 – kotwica 3 – styki |
Przekaźnik zbudowany jest z elektromagnesu, ruchomej kotwicy oraz połączonych z nią styków elektrycznych. Jeśli przez cewkę elektromagnesu płynie prąd elektryczny, to wytwarza się pole magnetyczne, które przyciąga kotwicę do rdzenia cewki, a ta z kolei powoduje przełączenie styków. Gdy prąd przestaje płynąć, kotwica wraca w położenie neutralne i styki są ponownie przełączane.
Zaletami przekaźników jest niezawodność oraz możliwość przełączania obwodów pobierających duży prąd, np. 10A (silnik, oświetlenie, itp.). Dodatkowo układ sterowania przekaźnikiem jest elektrycznie odseparowany od układu, który włącza/wyłącza przekaźnik.
W zależności od układu styków przekaźnik może włączać, wyłączać lub przełączać obwody elektryczne. Na schematach elektrycznych przekaźniki oznaczamy symbolem:

Cewkę przekaźnika symbolizuje prostokąt z przekątną. Styki są przedstawiane w położeniu neutralnym, tzn. gdy przez cewkę nie płynie żaden prąd.
Na początku ery komputeryzacji z przekaźników budowano pierwsze komputery, zanim zaczęto stosować lampy elektronowe i tranzystory. Pionierem w tej dziedzinie był niemiecki inżynier Konrad Zuse, o którym mamy w naszym serwisie unikalny artykuł. Jest to możliwe, ponieważ z przekaźników łatwo daje się uzyskiwać podstawowe elementy logiczne:



Skoro mamy podstawowe funkcje NOT, AND i OR, to z nich możemy skonstruować dowolne inne. Oczywiście, w dzisiejszych czasach budowa komputera z przekaźników nie ma sensu, ponieważ za kilka złotych kupujemy mikrokontroler, który ma w sobie setki tysięcy bramek i jest miliony razy szybszy od najszybszych układów przekaźnikowych. To tylko taka ciekawostka.
Przekaźniki w technice cyfrowej posiadają jednak zastosowanie, np. do sterowania obwodów zasilanych z sieci 240V. Dzięki przekaźnikom zadanie jest dosyć proste i bezpieczne.
Przełączniki i przekaźniki są oznaczane podobnie przez przemysł elektroniczny – w sumie przekaźnik też jest przełącznikiem, tyle że uaktywnianym przez prąd płynący w jego cewce, a nie za pomocą palucha użytkownika. Spotkasz się zatem z oznaczeniami:
SPST-NO: (ang. Single-Pole Single-Throw Normally-Open) przekaźnik posiada jedną parę styków, w stanie nieaktywnym są one rozwarte:

Gdy przez cewkę przekaźnika płynie prąd, to styki zostają zwarte. Gdy prąd przestaje płynąć, styki zostają rozwarte.
SPST-NC: (ang. Single-Pole Single-Throw Normally-Closed) przekaźnik posiada jedną parę styków, w stanie nieaktywnym są one zwarte:

Gdy przez cewkę przekaźnika płynie prąd, to styki zostają rozwarte. Gdy prąd przestaje płynąć, styki zostają zwarte.
SPDT: (ang. Single-Pole Double-Throw) przekaźnik posiada 3 styki, w stanie nieaktywnym zwarte są dwa z nich.

Gdy przez cewkę przekaźnika płynie prąd, zwarta jest jedna para styków. Gdy prąd nie płynie zwarta jest druga para. W momencie przełączenia następuje krótka przerwa, zanim styk wspólny połączy się z drugim stykiem. Nigdy nie występuje sytuacja, iż wszystkie trzy styki są ze sobą zwarte.
DPST :(ang. Double-Pole Single-Throw) przekaźnik posiada dwie pary styków, które są wspólnie zwierane lub rozwierane:
| DPST-NO | DPST-NC | |
![]() |
![]() |
DPDT: (ang. Double-Pole Double-Throw) przekaźnik posiada parę styków przełączających:

W Eagle przekaźniki znajdziesz w bibliotece relay.lbr.
Przekaźniki posiadają kilka parametrów, które musisz znać lub rozważyć, jeśli chcesz zastosować określony przekaźnik w swoim układzie:
Na obudowach przekaźników są zwykle oznaczane wyprowadzenia cewki i styków. Stosuje się tutaj różne rozwiązania. Najlepiej sprawdzić określony przekaźnik w materiałach jego producenta. W małych przekaźnikach 5V stosuje się zwykle oznaczenia:

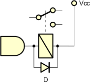
Przekaźnik możesz podłączyć do wyjścia układu cyfrowego, jeśli pobiera on wystarczająco mały prąd, aby nie przeciążyć układu cyfrowego:

Przekaźnik zostaje załączony, gdy na wyjściu cyfrowym panuje niski stan logiczny 0. W stanie wysokim napięcie na cewce przekaźnika jest zbyt niskie, aby spowodować jego zadziałanie.
Zwróć uwagę na diodę D, która jest połączona równolegle z cewką przekaźnika. Dioda normalnie pracuje w kierunku zaporowym. Po co jest potrzebna? Cewka przekaźnika jest elementem indukcyjnym. Przy zmianie prądu w elemencie indukcyjnym powstaje wsteczne napięcie indukcyjne. Gdy zmiana jest szybka, napięcie indukcyjne na cewce może nawet uszkodzić zasilający ją układ. Dioda D w takim przypadku zostanie spolaryzowana w kierunku przewodzenia i nie dopuści do wzrostu napięcia indukcyjnego ponad poziom około 0,7V (napięcie przewodzenia diody). W ten sposób zabezpiecza się cewki przekaźników, silników, itp.
Najczęściej jednak prąd pobierany przez przekaźnik będzie zbyt duży, aby zasilać go bezpośrednio z wyjścia układu cyfrowego. W takim przypadku stosujemy prosty układ z tranzystorem:

Tranzystor npn typu BC547 lub podobny. Opornik rzędu kilku kiloomów, np. 4,7k. Układ działa następująco:
Jeśli na wyjściu cyfrowym jest stan niski (0,4...0,8V), to baza tranzystora T nie jest wysterowana i tranzystor jest zatkany, czyli nie przewodzi prądu na złączu kolektor-emiter. Przez cewkę przekaźnika nie płynie prąd i przekaźnik jest wyłączony.Jeśli na wyjściu cyfrowym pojawi się stan wysoki (2,4V...5V), to baza tranzystora zostaje wysterowana poprzez opornik R i tranzystor przewodzi prąd na złączu kolektor-emiter. Przez cewkę przekaźnika płynie prąd, przekaźnik jest włączony.
Układu powyższego nawet nie musisz sam budować. W sprzedaży są moduły przekaźników dla Arduino, które już mają wszystkie potrzebne elementy na pokładzie:

Sterowanie tym modułem jest maksymalnie uproszczone:

Wyjście układu cyfrowego łączysz z końcówką S. Do pozostałych końcówek podłączasz +5V i masę. Gotowe. Wyjście styków przekaźnika masz na wyprowadzeniach: C (styk wspólny), NC (styk normalnie zwarty ze wspólnym) i NO (styk normalnie rozwarty ze wspólnym).
Podstawowym problemem przekaźników jest to, iż styki zużywają się podczas pracy w atmosferze. Również szybkość przełączania przekaźników jest ograniczona masą ruchomych części. Z tego powodu w latach 40 ubiegłego wieku opracowano kontaktrony.
Kontaktron (ang. reed switch) jest podłużną bańką szklaną, w której z obu końców zatopione są styki wykonane z materiału ferromagnetycznego (reagującego na pole magnetyczne).

Jeśli kontaktron zostanie umieszczony w polu magnetycznym, to styki zostaną zwarte (lub rozwarte w ależności od typu). Ponieważ styki są umieszczone w hermetycznej bańce wypełnionej obojętnym gazem, nie zużywają się tak szybko, jak styki zwykłych przekaźników. Kontaktron potrafi wykonać dziesiątki milionów włączeń/rozłączeń i jest bardzo czuły na pole magnetyczne, nawet niewielkie potrafi go włączyć.
Z kontaktronów wykonuje się przekaźniki elektryczne przez umieszczenie ich w rdzeniu cewki:

Pole magnetyczne wytwarzane przez cewkę zwiera/rozwiera styki kontaktronu.
Kontaktrony można również stosować jako czujniki zbliżeniowe pola magnetycznego. Wykonuje się z nich bardzo trwałe klawiatury:

Każdy klawisz zawiera magnes stały i kontaktron. Przy naciśnięciu klawisza magnes jest zbliżany do kontaktronu, tak aby jego styki znalazły się w polu magnetycznym. Styki zostają zwarte.
Na schematach elektrycznych kontaktrony posiadają symbol:

Kontaktrony znajdziesz w Eagle w bibliotekach relay.lbr, SparkFun-Switches.lbr i switch-reed.lbr.
Przekaźniki elektroniczne (ang. electronic relays) zbudowane są z elementów elektronicznych i nie posiadają ruchomych części:
![]() |
![]() |
Dzięki temu przekaźnik ma małe wymiary (porównywalne z układem scalonym), nie zużywa się tak, jak jego odpowiednik mechaniczny i może wykonywać setki milionów połączeń. Dodatkowo brak ruchomych części skutkuje dużą szybkością działania.
Konstrukcja przekaźników elektronicznych jest różna i zależy od producenta. Najczęściej zbudowane są z diody LED oraz dwóch fototranzystorów polowych:

Gdy przez diodę LED przepływa prąd, oświetla ona oba tranzystory polowe, które zaczynają przewodzić. Odpowiada to zwarciu styków przekaźnika mechanicznego. Gdy prąd przestaje płynąć przez diodę LED, dioda gaśnie, a tranzystory wracają do stanu wysokiej impedancji. Odpowiada to rozwarciu styków przekaźnika.
Dioda LED w przekaźniku elektronicznym pobiera nieduży prąd (kilka... kilkanaście miliamper), można zatem sterować przekaźnikiem elektronicznym bezpośrednio z wyjścia układu cyfrowego.
Dioda LED zapewnia separację elektryczną pomiędzy obwodem sterującym a sterowanym, ten drugi może być przykładowo zasilany napięciem przemiennym 240V z sieci energetycznej.
Dokładne parametry przekaźników elektronicznych znajdziesz w materiałach producentów.
![]() |
Zespół Przedmiotowy Chemii-Fizyki-Informatyki w I Liceum Ogólnokształcącym im. Kazimierza Brodzińskiego w Tarnowie ul. Piłsudskiego 4 ©2026 mgr Jerzy Wałaszek |
Materiały tylko do użytku dydaktycznego. Ich kopiowanie i powielanie jest dozwolone pod warunkiem podania źródła oraz niepobierania za to pieniędzy.
Pytania proszę przesyłać na adres email:
Serwis wykorzystuje pliki cookies. Jeśli nie chcesz ich otrzymywać, zablokuj je w swojej przeglądarce.
Informacje dodatkowe.