|
Wyjście Spis treści Wstecz Dalej
Autor artykułu |
©2026 mgr Jerzy Wałaszek
|
Ogólnie przetwornik (ang. converter) jest urządzeniem, które odwzorowuje jedną wielkość fizyczną za pomocą innej wielkości. Na przykład termometr: odwzorowuje temperaturę otoczenia, w którym się znajduje, na wysokość słupka rtęci.
Sygnał analogowy to taki, który może przyjmować wartości pośrednie pomiędzy wartościami skrajnymi. Sygnały analogowe spotykamy przy aplikacjach, które sterują różnymi urządzeniami lub odczytują dane pomiarowe z czujników.
W świecie rzeczywistym sygnały analogowe są powszechne. Np. czujnik temperatury daje na swoim wyjściu napięcie zależne od temperatury. Do przetwarzania sygnałów analogowych musimy posiadać możliwość ich odczytu w postaci cyfrowej. Do tego celu służy przetwornik analogowo-cyfrowy (ang. ADC – Analog to Digital Converter). Jest to urządzenie, na którego wejście podajemy napięcie w określonym zakresie, a na wyjściu otrzymujemy liczbę dwójkową, która odpowiada wartości tego napięcia:

Im więcej bitów ma liczba wyjściowa, tym dokładniejszy jest dany przetwornik A/C.
Załóżmy, że mamy przetwornik, który na swoim wyjściu daje nam wynik 4-bitowy. Cztery bity mogą reprezentować w systemie dwójkowym liczby od 0 do 15:
| Dwójkowo | 0000 | 0001 | 0010 | 0011 | 0100 | 0101 | 0110 | 0111 | 1000 | 1001 | 1010 | 1011 | 1100 | 1101 | 1110 | 1111 |
| Dziesiętnie | 0 | 1 | 2 | 3 | 4 | 5 | 6 | 7 | 8 | 9 | 10 | 11 | 12 | 13 | 14 | 15 |
Załóżmy dodatkowo, że mierzony zakres napięć wynosi od 0V do 5V. Podzielmy ten zakres równomiernie na 16 wartości z zaokrągleniem do 1 miejsca po przecinku:
| Dwójkowo | 0000 | 0001 | 0010 | 0011 | 0100 | 0101 | 0110 | 0111 | 1000 | 1001 | 1010 | 1011 | 1100 | 1101 | 1110 | 1111 |
| Dziesiętnie | 0 | 1 | 2 | 3 | 4 | 5 | 6 | 7 | 8 | 9 | 10 | 11 | 12 | 13 | 14 | 15 |
| 0...5V: | 0V | 0,3V | 0,7V | 1,0V | 1,3V | 1,7V | 2,0V | 2,3V | 2,7V | 3,0V | 3,3V | 3,7V | 4,0V | 4,3V | 4,7V | 5,0V |
Jeśli na wyjściu przetwornika otrzymamy liczbę 1011, to na jego wejściu jest około 3,7V. W taki sposób możemy odczytywać cyfrowo mierzone napięcie. Przy zakresie 0...5V i 4 bitach mamy rozdzielczość około 0,3125V. Jeśli jednak zastosujemy przetwornik 8-bitowy, to dokładność pomiaru znacznie wzrośnie, a rozdzielczość wyniesie już 0,01953125V. Widzisz zatem, że dokładność pomiaru zależy od liczby bitów, które daje na wyjściu przetwornik.
Wiele mikrokontrolerów posiada wbudowane przetworniki A/C, najczęściej 10-cio bitowe.
Pomiar napięcia wejściowego przez przetwornik analogowo-cyfrowy nazywamy próbkowaniem (ang. sampling).
Kolejną cechą przetworników jest ich szybkość próbkowania (ang. sampling rate). Jest to czas po jakim przetwornik podaje na wyjściu wynik pomiaru napięcia wejściowego.
Przetwornik cyfrowo/analogowy (ang. D/A converter - Digital to Analog converter) przetwarza liczbę dwójkową na odpowiadającą jej wartość napięcia lub natężenia prądu elektrycznego.

Im większa liczba bitów przetwornika, tym większa jest dokładność przetwarzania.
Mikrokontrolery najczęściej wykorzystują tryb PWM (ang. Pulse Width Modulation - sterowanie szerokością impulsów) do kontrolowania urządzeń analogowych, np. silników, serwomechanizmów, itp. W trybie tym urządzenie sterowane jest impulsowo: mikrokontroler tworzy ciąg impulsów o odpowiednio dobranej szerokości w stosunku do okresu, czyli o wybranym wypełnieniu:

Tryb PWM jest w pewnym sensie odpowiednikiem przetwornika C/A. Więcej na ten temat znajdziesz w sekcji programowania mikrokontrolerów.
Istnieje kilka rozwiązań stosowanych przy budowie przetworników A/C, które teraz krótko omówimy.
Przetwornik posiada n komparatorów, które jednocześnie porównują napięcie wejściowe z odpowiednio dobranymi poziomami napięć odniesienia. Informacja z wyjść komparatorów jest następnie przetwarzana przez sieć logiczną na liczbę dwójkową:

Napięcie ze źródła odniesienia jest dzielone przez dzielnik zbudowany z oporników. Każdy komparator reaguje na określony poziom napięcia wejściowego. Jeśli napięcie to jest wyższe od napięcia trafiającego na wejście odwracające komparatora, to na wyjściu komparatora panuje stan logiczny 1. Gdy napięcie wejściowe jest niższe od napięcia z dzielnika, na wyjściu komparatora jest stan logiczny 0. Wyjścia komparatorów są połączone z dekoderem, który zamienia stany komparatorów na liczbę dwójkową.
Na rysunku przedstawiono schematycznie 4 komparatory, w rzeczywistości jest ich 2n-1, gdzie n oznacza liczbę bitów wyjściowej liczby dwójkowej. Na przykład 4-ro bitowy przetwornik A/C potrzebuje 15 komparatorów i reaguje on na 16 poziomów napięcia wejściowego (do pomiaru 0V nie jest potrzebny komparator).
Przetworniki bezpośrednie są bardzo szybkie, lecz ich konstrukcja jest dosyć skomplikowana (np. przy 8-bitach potrzebne jest aż 255 komparatorów).
Przetwornik posiada generator impulsów, licznik, układ generacji napięcia narastającego liniowo, komparator oraz sieć logiczną:

Zasada działania jest następująca:
Generator bramkujący wytwarza ciąg impulsów o niskiej częstotliwości. Są one wykorzystywane do synchronizacji wewnątrz przetwornika. Impulsy bramkujące są przekazywane do generatora napięcia odniesienia oraz do układu zerowania licznika. Gdy impuls bramkujący zmienia się z 0 na 1, zostaje uaktywniony generator napięcia, który na swoim wyjściu tworzy napięcie narastające liniowo od 0V do ustalonej wartości. Napięcie to jest podawane na wejście odwracające komparatora. Na drugie wejście komparatora podawane jest napięcie przetwarzane. Dopóki napięcie UWE jest większe od napięcia odniesienia, na wyjściu komparatora panuje stan wysoki. Dwie bramki AND mają za zadanie przepuszczać do licznika impulsy z generatora zegarowego, jeśli komparator daje wysokie napięcie wyjściowe oraz impuls bramkujący ma również stan wysoki. Licznik zlicza te impulsy. Gdy napięcie odniesienia przekroczy wartość UWE, na wyjściu komparatora pojawi się stan niski. Bramki AND zablokują wtedy impulsy zegarowe i licznik przestanie je zliczać. Licznik będzie przechowywał zliczoną wartość do momentu wyzerowania po zakończeniu impulsu bramkującego – tuż przed tym zdarzeniem należy odczytać stan licznika lub zapisać go w buforze wyjściowym. Przetwornik działa cyklicznie w takt impulsów bramkujących. nie nadaje się on do przetwarzania szybkozmiennych napięć, np. sygnału audio, jednakże do pomiaru napięć wolnozmiennych jest zupełnie wystarczający – tego typu przetworniki wykorzystywane są często w miernikach cyfrowych.Przebiegi napięć wewnątrz przetwornika wyglądają następująco:

Zasada działania polega na kolejnych porównaniach napięcia mierzonego z napięciami generowanymi przez przetwornik cyfrowo analogowy. Schemat takiego przetwornika pokazany jest poniżej:

Przetwornik działa następująco:
Po uruchomieniu sygnałem START układ sterujący zapisuje w najstarszym bicie rejestru przesuwającego 1 i zeruje rejestr n-bitowy. Następnie bit ten jest kopiowany do rejestru n-bitowego. Rejestr steruje przetwornikiem cyfrowo analogowym, który na wyjściu tworzy napięcie proporcjonalne do liczby dwójkowej podanej na jego wejściu z rejestru n-bitowego. Napięcie wyjściowe z przetwornika zostaje porównane przez komparator z napięciem wejściowym. Jeśli napięcie z przetwornika C/A jest wyższe od napięcia wejściowego, to w rejestrze n-bitowym zostaje wyzerowany bit wpisany z rejestru przesuwającego. Jeśli nie, to bit pozostaje w stanie 1. Następnie rejestr przesuwający przesuwa swój bit w prawo i cała operacja się powtarza. W efekcie w rejestrze n-bitowym są kolejno ustawiane bity od najstarszych do najmłodszych. Gdy wpisany na początku bit 1 wyjdzie w rejestrze przesuwającym poza najmłodszy bit przetwarzanie zostaje zakończone i można odczytać wynik na wyjściu rejestru n-bitowego.Przetwornik kompensacyjny dokonuje pomiaru napięcia wejściowego w n cyklach, gdzie n to liczba bitów wyjściowych. Dokładność przetwarzania zależy od dokładności zastosowanego przetwornika C/A. Szybkość próbkowania zależy od częstotliwości generatora taktującego oraz od szybkości przetwornika C/A.
Tego typu przetworniki stosowane są powszechnie w mikrokontrolerach. Cechuje je względnie dobra szybkość przetwarzania i dokładność.
Do konstrukcji przetworników cyfrowo/analogowych wykorzystuje się przełączniki elektroniczne oraz wzmacniacze operacyjne. Przełącznik elektroniczny działa podobnie jak jego odpowiednik mechaniczny: łączy elektrycznie linie sygnałowe. Różnica polega na tym, iż przełączniki elektroniczne są uaktywniane bez ingerencji siły mechanicznej, czysto na drodze elektrycznej. Budowane są najczęściej z tranzystorów polowych. Pozwalają wykonywać miliony przełączeń w ciągu sekundy, a ponieważ nie posiadają żadnych ruchomych części, nie zużywają się mechanicznie. Co więcej, mogą być miniaturowe i dają się umieszczać w układach scalonych.
Prosty przetwornik cyfrowo analogowy można zbudować z sieci rezystorów, przełączników elektronicznych oraz wzmacniacza operacyjnego pracującego w układzie przetwornika prądu w napięcie:

Przełączniki są tak skonfigurowane, iż sygnał sterujący o niskim poziomie logicznym
| Wejście | Prąd |
| A | 0,625mA |
| B | 1,250mA |
| C | 2,500mA |
| D | 5,000mA |
Prądy są sumowane na wejściu odwracającym wzmacniacza
operacyjnego, który pełni tutaj rolę przetwornika prądu w napięcie. Na wyjściu Y pojawi się napięcie proporcjonalne do prądu wejściowego (od 0V dla
W praktyce przetworniki scalone buduje się z innych układów niż opisany, ponieważ wymaga on oporników o dużej różnicy oporów dla większej liczby bitów, a to trudno uzyskać w technice układów scalonych.
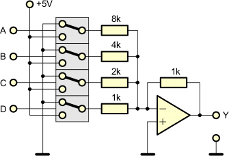
Częściej stosowane są przetworniki z drabinkową siecią oporników:

Zwróć uwagę, iż drabinka zawiera oporniki o niewielkiej rozpiętości oporności, co więcej, oporności te powtarzają się, a to ułatwia wykonanie takiego przetwornika w postaci układu scalonego.
Wzmacniacz operacyjny pracuje w konfiguracji przetwornika prąd-napięcie. Przełączniki łączą oporniki drabinki do masy lub do plusa zasilania w zależności od stanu wejść sterujących A...D.
Zrozumienie zasady działania takiego przetwornika wymaga
przeanalizowania sieci drabinkowej dla różnych kombinacji
sygnałów sterujących
Zacznijmy od przypadku najprostszego, gdy wszystkie bity
wejściowe mają stan 0:

Przez sieć nie przepływa żaden prąd, ponieważ wszędzie panuje potencjał masy. Napięcie wyjściowe wynosi zatem 0V.
Załóżmy teraz, iż najstarszy bit przyjmuje wartość:

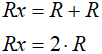
Aby policzyć rozpływ prądów, zredukujemy sieć oporników. Zaczynamy od dwóch skrajnych z lewej strony. Są połączone równolegle, zatem ich oporność wypadkowa Rx wynosi:

Zastępujemy te oporniki jednym o oporności R:

Kolejne dwa skrajne od lewej oporniki są połączone szeregowo, zatem ich oporność zastępcza wynosi:

Zastępujemy je opornikiem o oporności 2R:

Sytuacja się powtarza, zatem redukujemy kolejne oporniki w ten sam sposób:




Dwa dolne oporniki są podłączone do masy, ponieważ na wejściu odwracającym wzmacniacza z pętlą ujemnego sprzężenia zwrotnego panuje ten sam potencjał, co na drugim wejściu, czyli 0V. Zatem oporność dwóch dolnych oporników wynosi zastępczo R. oporność całej gałęzi wynosi 3R. Ze źródła zasilania zostanie pobrany prąd:

Prąd ten rozdzieli się po połowie na dwa prądy:

W kierunku wejścia odwracającego popłynie zatem prąd I/2. Wejście odwracające nie pobiera prądu, zatem musi on w całości popłynąć przez opornik ujemnego sprzężenia zwrotnego. Na wyjściu Y pojawi się napięcie:


Załóżmy teraz, że stan 1 ma bit C:

Redukujemy oporniki w drabince (już nie pokazuję wszystkich etapów, które są identyczne jak poprzednio):

Oporność drabinki również wynosi 3R (sprawdź to!). Ze źródła zasilania zostanie pobrany prąd:


Oporności dolnych gałęzi drabinki są sobie równe (sprawdź to!), zatem prąd rozdzieli się na dwie połówki:

Połówka prądu znów się rozdzieli i do wejścia odwracającego dopłynie ćwiartka pobranego prądu:

Wejście odwracające nie pobiera prądu, zatem popłynie on poprzez opornik ujemnego sprzężenia zwrotnego i na wyjściu wzmacniacza otrzymamy napięcie:


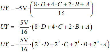
Kontynuując w powyższy sposób analizę układu dla kolejnych kombinacji bitów otrzymamy ostatecznie (sprawdź to!):

A...D oznaczają bity liczby binarnej przetwarzanej na napięcie. Przyjmują wartości 0 lub 1. Proste przekształcenie daje nam wzór:

Wartość napięcia wyjściowego jest proporcjonalna do wartości liczby binarnej reprezentowanej przez bity A...D. Przetworniki drabinkowe można budować na większą niż 4 liczbę bitów.
W praktyce stosuje się gotowe przetworniki C/A, które są produkowane w postaci układów scalonych.
![]() |
Zespół Przedmiotowy Chemii-Fizyki-Informatyki w I Liceum Ogólnokształcącym im. Kazimierza Brodzińskiego w Tarnowie ul. Piłsudskiego 4 ©2026 mgr Jerzy Wałaszek |
Materiały tylko do użytku dydaktycznego. Ich kopiowanie i powielanie jest dozwolone pod warunkiem podania źródła oraz niepobierania za to pieniędzy.
Pytania proszę przesyłać na adres email:
Serwis wykorzystuje pliki cookies. Jeśli nie chcesz ich otrzymywać, zablokuj je w swojej przeglądarce.
Informacje dodatkowe.