|
Wyjście Spis treści Wstecz Dalej
Autor artykułu |
©2026 mgr Jerzy Wałaszek
|
Wiesz, że bramki realizują podstawowe funkcje logiczne algebry Boole'a: NOT, OR, AND, NAND i NOR. Ale do czego one służą? Co z ich pomocą można zrobić? To jest podstawowe zagadnienie techniki cyfrowej. Bramki są jakby cegiełkami, z których budujemy większe układy cyfrowe, zwane sieciami logicznymi. W tym rozdziale pokażę ci, jak się takie sieci konstruuje. Jest to jakby "programowanie sprzętowe".
Dawniej, gdy mikrokontrolery nie były powszechnie dostępne, większość układów cyfrowych (mierniki, zegary, generatory) tworzono właśnie głównie z bramek cyfrowych. W naszych czasach dużą część takich zadań może przejąć mikrokontroler, który również jest siecią logiczną (bardzo skomplikowaną wewnętrznie). Jednak często sam mikrokontroler nie będzie wystarczający. Będzie wymagał dodatkowej sieci logicznej. Właśnie dlatego powinieneś nauczyć się projektować takie sieci.
Sieć logiczna posiada zbiór sygnałów sterujących (wejście), które ustalają jej stan wewnętrzny, oraz zbiór sygnałów wyjściowych (wyjście), które są tworzone na podstawie sygnałów sterujących wg funkcji logicznych zawartych w sieci. Schematycznie wygląda to tak:

Aby docenić ułatwienia wymyślone przez ludzi do tworzenia sieci logicznych, najpierw należy wykonać tę pracę bez ułatwień. Metoda algebraiczna polega na określaniu funkcji sieci za pomocą odpowiednich przekształceń zdefiniowanych w Algebrze Boole'a. Przypomnijmy podstawowe prawa logiki:








W rachunku tym kreska u góry oznacza NOT, + oznacza OR, a · oznacza AND. Niech cię nie przeraża ilość tych praw. Zawsze możesz je sobie wydrukować na małej kartce i mieć pod ręką. Chociaż lepiej się ich nauczyć na pamięć, co może ci się przydać na maturze z matematyki i późniejszych studiach.
Umiejętne stosowanie tych praw pozwala redukować i przekształcać funkcje logiczne.
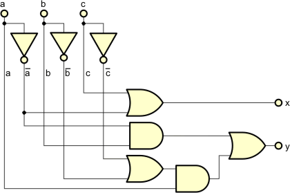
Załóżmy, że jest nam potrzebna sieć logiczna, która będzie posiadała trzy wejścia a, b, c oraz dwa wyjścia x i y:

Sygnały wyjściowe x i y określimy za pomocą tabelki:
| a | b | c | x | y | |
| 1 | 0 | 0 | 0 | 1 | 0 |
| 2 | 0 | 0 | 1 | 1 | 0 |
| 3 | 0 | 1 | 0 | 1 | 1 |
| 4 | 0 | 1 | 1 | 1 | 1 |
| 5 | 1 | 0 | 0 | 0 | 1 |
| 6 | 1 | 0 | 1 | 1 | 1 |
| 7 | 1 | 1 | 0 | 0 | 1 |
| 8 | 1 | 1 | 1 | 1 | 0 |
Jak tą tabelkę należy interpretować? W trzech pierwszych
kolumnach mamy sygnały wejściowe a, b i c. W poszczególnych wierszach tabelki znajdują się
wszystkie możliwe kombinacje tych sygnałów i jest ich 8. Dla każdej
kombinacji sygnałów wejściowych w dwóch kolejnych kolumnach mamy
stan wyjść x i y. Na przykład dla
Jak się teraz za to zabrać algebraicznie? Obserwuj:
Rozważamy wiersze tabelki, dla których wyjście x przyjmuje stan logiczny 1.
W wierszu nr 1 mamy: dla

Funkcję tę tworzymy jako iloczyn logiczny sygnałów a, b i c. Jeśli sygnał ma wartość 0, to w iloczynie przyjmujemy jego zaprzeczenie (inaczej iloczyn nie dałby wartości 1!).
W wierszu nr 2:

W wierszu nr 3:

W wierszu nr 4:

W wierszu nr 6 (nr 5 pomijamy, bo x = 0):

W wierszu nr 8 (w nr 7 x = 0):

Sumujemy logicznie podwyrażenia:

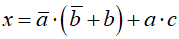
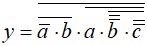
Otrzymaliśmy funkcję logiczną dla wyjścia x. W tej postaci nie jest ona użyteczna, ponieważ jest zbyt skomplikowana. Spróbujmy ją uprościć, wykorzystując prawa Algebry Boole'a. Wyciągamy wspólne czynniki przed nawias:

Powtarzamy tę samą operację dla wyrażeń w nawiasach:

Stosujemy prawo wyłączonego środka:

Upraszczamy:

Ponownie upraszczamy:

I jeszcze raz upraszczamy:

Stosujemy zasadę rozdzielności:

Upraszczamy:

Upraszczamy:

Jak widzisz, stan wyjścia x zależy tylko od sygnałów a i c. Sygnał b jest tutaj nieistotny. Otrzymaliśmy funkcję logiczną w prostej postaci, którą łatwo da się zrealizować za pomocą bramek.
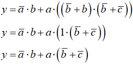
Postępujemy podobnie, jak z wyjściem x.
Wiersz trzeci:

Wiersz czwarty:

Wiersz piaty:

Wiersz szósty:

Wiersz siódmy:

Sumujemy logicznie podwyrażenia:

Wyciągamy przed nawiasy powtarzające się czynniki:

Powtarzamy wyciąganie przed nawias:

Upraszczamy:

Upraszczamy:

Zasada rozdzielności i uproszczenie jak dla x:

Mamy obie funkcje wyjść:


Na ich podstawie budujemy sieć logiczną:

Jako ćwiczenie prześledź ją dokładnie i sprawdź, czy odpowiada wyprowadzonym funkcjom.
Metoda algebraiczna jest uciążliwa. Dlatego wymyślono różne ułatwienia, które pozwalają dojść do tych samych wyników (lub równoważnych) szybciej i mniejszym nakładem środków. Do metod takich należy popularna metoda Karnaugha (czytaj Karno) minimalizacji funkcji logicznych. Zanim przejdziemy do tej metody, musisz poznać jej elementy.
Jest to kod, w którym kolejne wyrazy kodowe różnią się wartością tylko jednego bitu. Takich kodów może być wiele. Umówmy się jednak, że bity będziemy zmieniać począwszy od ostatniej pozycji w lewo. Oto kilka takich kodów Graya o różnej liczbie bitów:
| Liczba bitów: | 1 | 2 | 3 | 4 |
| Kody Graya | 0 1 |
00 01 11 10 |
000 001 011 010 110 111 101 100 |
0000 0001 0011 0010 0110 0111 0101 0100 1100 1101 1111 1110 1010 1011 1001 1000 |
Jak się tworzy wyrazy tego kodu? Przyjrzyj się tabelce. Startową sekwencją jest 1-bitowy kod Graya:
| 0 1 |
Dwa początkowe wyrazy kodu dwubitowego otrzymamy dołączając do kodu jednobitowego bit o wartości 0:
| 0 + 0 →
00 0 + 1 → 01 |
Dwa następne otrzymujemy dołączając bit o wartości 1 do kodu jednobitowego o odwrotnej kolejności (czytany od końca do początku, lustrzane odbicie):
| 1 + 1 →
11 1 + 0 → 10 |
Gdy mamy kod 2-bitowy, to w analogiczny sposób tworzymy wyrazy kodu 3-bitowego:
| 0 + 00 →
000 0 + 01 → 001 0 + 11 → 011 0 + 10 → 010 1 + 10 → 110 1 + 11 → 111 1 + 01 → 101 1 + 00 → 100 |
Wynika z tego prosty algorytm rekurencyjnego tworzenia kodów Graya:
Zwróć uwagę na jeszcze jedną ciekawą własność kodów Graya: ostatni wyraz i pierwszy również różnią się tylko jednym bitem: 0 i 1, 00 i 10, 000 i 100, 0000 i 1000...
Każda mapa posiada współrzędne, które określają na niej położenie. Mapa logiczna przedstawia wartości funkcji logicznej. Tworzymy ją następująco:
Załóżmy, że mamy funkcję logiczną zadaną tabelką wartości:
| f( |
||
| 0 | 0 | 1 |
| 0 | 1 | 0 |
| 1 | 0 | 1 |
| 1 | 1 | 1 |
Argumentami funkcji są x i y. Funkcja ma 4 wartości, po jednej dla każdej kombinacji argumentów. Argumenty rozdzielamy na dwie grupy: tutaj na x i y. Mapa ma postać tabelki. Współrzędne to wartości argumentów w każdej grupie zapisane w kodzie Graya:
| y\x | 0 | 1 |
| 0 | ||
| 1 |
Poziomo mamy wartości x, pionowo mamy wartości y. Każda kratka mapy odpowiada wartości funkcji f(x,y) dla wybranych wartości argumentów:
| y\x | 0 | 1 |
| 0 | f(0,0) | f(1,0) |
| 1 | f(0,1) | f(1,1) |
Przepisujemy z tabelki wartości funkcji:
| y\x | 0 | 1 |
| 0 | 1 | 1 |
| 1 | 0 | 1 |
Otrzymaliśmy mapę Karnaugha dla danej funkcji logicznej.
Załóżmy teraz, że nasza funkcja posiada trzy argumenty a, b i c i jest zadana tabelką:
| a | b | c | f(a,b,c) |
| 0 | 0 | 0 | 1 |
| 0 | 0 | 1 | 1 |
| 0 | 1 | 0 | 0 |
| 0 | 1 | 1 | 0 |
| 1 | 0 | 0 | 0 |
| 1 | 0 | 1 | 1 |
| 1 | 1 | 0 | 1 |
| 1 | 1 | 1 | 1 |
Postępujemy podobnie, argumenty rozdzielamy na dwie grupy: np. a i bc. Poziomo będą współrzędne bc, pionowo będzie współrzędna a:
| a\bc | 00 | 01 | 11 | 10 |
| 0 | f(0,0,0) | f(0,0,1) | f(0,1,1) | f(0,1,0) |
| 1 | f(1,0,0) | f(1,0,1) | f(1,1,1) | f(1,1,0) |
Wpisujemy do mapy Karnaugha wartości funkcji z tabelki:
| a\bc | 00 | 01 | 11 | 10 |
| 0 | 1 | 1 | 0 | 0 |
| 1 | 0 | 1 | 1 | 1 |
Gotowe.
Niech z kolei funkcja posiada 4 argumenty a, b, c, d i jest zadana tabelką:
| a | b | c | d | f(a,b,c,d) |
| 0 | 0 | 0 | 0 | 0 |
| 0 | 0 | 0 | 1 | 0 |
| 0 | 0 | 1 | 0 | 1 |
| 0 | 0 | 1 | 1 | 1 |
| 0 | 1 | 0 | 0 | 1 |
| 0 | 1 | 0 | 1 | 1 |
| 0 | 1 | 1 | 0 | 1 |
| 0 | 1 | 1 | 1 | 1 |
| 1 | 0 | 0 | 0 | 0 |
| 1 | 0 | 0 | 1 | 0 |
| 1 | 0 | 1 | 0 | 1 |
| 1 | 0 | 1 | 1 | 1 |
| 1 | 1 | 0 | 0 | X |
| 1 | 1 | 0 | 1 | X |
| 1 | 1 | 1 | 0 | X |
| 1 | 1 | 1 | 1 | X |
X oznacza wartość dowolną, tzn. nie jest istotne, czy dla tych argumentów funkcja przyjmuje wartość 0, czy też 1. Czasami występuje taka sytuacja, że w projektowanym urządzeniu chcemy, aby funkcja miała zdefiniowane wartości tylko dla wybranych kombinacji wartości jej argumentów, a inne nas nie interesują. Jak zobaczymy później, takie podejście pozwoli uprościć funkcję wynikową.
Argumenty dzielimy na dwie grupy: ab i cd:
| ab\cd | 00 | 01 | 11 | 10 |
| 00 | ||||
| 01 | ||||
| 11 | ||||
| 10 |
W pola mapy wpisujemy wartości funkcji zgodnie z tabelką:
| ab\cd | 00 | 01 | 11 | 10 |
| 00 | 0 | 0 | 1 | 1 |
| 01 | 1 | 1 | 1 | 1 |
| 11 | X | X | X | X |
| 10 | 0 | 0 | 1 | 1 |
Kolejnym elementem do opanowania jest zaznaczanie na mapie obszarów, w których funkcja posiada wartość 1. Zaznaczane obszary obejmują przyległe wiersze i kolumny. Liczba objętych wierszy lub kolumn musi być potęgą 2, np. 1, 2, 4, 8...
Na mapie Karnaugha pierwszy wiersz jest przyległy do ostatniego. Tak samo pierwsza kolumna jest przyległa do ostatniej. Zatem obszary mogą zawierać skrajne wiersze i kolumny (współrzędne w kodzie Graya również przechodzą gładko w siebie na skrajnych pozycjach). Rozważmy kilka przykładów:
Mamy taką mapę Karnaugha:

Tutaj sprawa jest prosta. Zaznaczamy obszar zawierający przyległe jedynki. Przy zaznaczaniu staramy się zawsze objąć jak największą liczbę wierszy i kolumn, jednak liczba ta musi być potęgą 2:

A teraz nieco inna mapa:

Taka mapa wymaga zaznaczenia dwóch obszarów, aby pokryły wszystkie jedynki:

Nie przeszkadza, że obszary się częściowo pokrywają. Ważne, aby były możliwie największe i zawierały liczby wierszy i kolumn będące potęgami 2, a tak jest w tym przypadku.
Kolejna mapa:

Tutaj zwróć uwagę, że jedynki są w skrajnych kolumnach. Skrajne wiersze i kolumny mogą znaleźć się w tym samym obszarze, zatem:

Kolejna mapa:

Stosujemy tę samą zasadę. To jest jeden obszar, w którym znajdą się pola leżące w skrajnych wierszach i kolumnach:

Na koniec taka oto mapa Karnaugha:

Jeśli funkcja może przyjmować dowolną wartość X (0 lub 1), to pola takie w razie potrzeb możemy zawsze dołączyć do obszaru, jeśli uzyskamy w ten sposób obszar większy. I tak postąpimy tutaj:

Mamy już wszystkie potrzebne składniki do opisu metody Karnaugha. Metoda ta ma na celu minimalizację funkcji logicznych, czyli otrzymanie funkcji logicznej w prostej postaci. Dla przykładu wykonamy tą metodą minimalizację funkcji dla x i y z poprzedniego przykładu. Najpierw tabelka wartości:
| a | b | c | x | y | |
| 1 | 0 | 0 | 0 | 1 | 0 |
| 2 | 0 | 0 | 1 | 1 | 0 |
| 3 | 0 | 1 | 0 | 1 | 1 |
| 4 | 0 | 1 | 1 | 1 | 1 |
| 5 | 1 | 0 | 0 | 0 | 1 |
| 6 | 1 | 0 | 1 | 1 | 1 |
| 7 | 1 | 1 | 0 | 0 | 1 |
| 8 | 1 | 1 | 1 | 1 | 0 |
Metodę Karnaugha zastosujemy tutaj dwukrotnie: raz dla x i raz dla y.
Tabelka dla x jest następująca:
| a | b | c | x |
| 0 | 0 | 0 | 1 |
| 0 | 0 | 1 | 1 |
| 0 | 1 | 0 | 1 |
| 0 | 1 | 1 | 1 |
| 1 | 0 | 0 | 0 |
| 1 | 0 | 1 | 1 |
| 1 | 1 | 0 | 0 |
| 1 | 1 | 1 | 1 |
Mamy trzy argumenty a, b i c. Dzielimy je na dwie grupy a i bc. Tworzymy mapę Karnaugha:

Zaznaczamy obszary zawierające stany 1:

Ze współrzędnych obszaru pozostawiamy tylko te, które się w nim nie zmieniają.
Dla obszaru czerwonego to a.
Dla obszaru zielonego to c.
Dla każdego obszaru tworzymy jego funkcję jako iloczyn logiczny pozostawionych współrzędnych. Jeśli współrzędna ma w obszarze wartość 0, to w iloczynie umieszczamy jej negację:

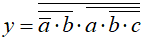
Funkcja całkowita jest sumą logiczną wszystkich funkcji obszarów:

Tabelka:
| a | b | c | y |
| 0 | 0 | 0 | 0 |
| 0 | 0 | 1 | 0 |
| 0 | 1 | 0 | 1 |
| 0 | 1 | 1 | 1 |
| 1 | 0 | 0 | 1 |
| 1 | 0 | 1 | 1 |
| 1 | 1 | 0 | 1 |
| 1 | 1 | 1 | 0 |
Mapa Karnaugha:

Obszary:

Funkcje obszarów:

I ostatecznie:

Otrzymaliśmy pełną zgodność z wynikiem wyprowadzonym algebraicznie, a prawie wcale nie wykonywaliśmy rachunków w Algebrze Boole'a. Na tym właśnie polega metoda Karnaugha – upraszcza obliczenia. Dlatego warto się jej nauczyć.
Rzeczywiste bramki cyfrowe nie zmieniają stanu swojego wyjścia natychmiast po zmianie stanu wejść. Musi upłynąć pewien krótki czas, zanim bramka zareaguje i na jej wyjściu pojawi się stan zgodny z realizowaną funkcją logiczną. Czas reakcji bramki na zmianę stanu wejść nazywa się czasem propagacji, czyli czasem przejścia sygnału z wejścia na wyjście.
Czas propagacji zależy od rodzaju bramki oraz jej budowy. Dla typowych bramek TTL wynosi on około 10 ns. Czas propagacji tworzy tzw. zjawisko hazardu, czyli powstawanie stanu przejściowego w sieci, w czasie którego sieć nie realizuje zaprojektowanej funkcji. Aby to zrozumieć, prześledźmy prosty przykład. Mamy następującą sieć logiczną:

Sieć realizuje funkcję:

Zatem na wyjściu bramki AND powinien zawsze panować stan 0 bez względu na stan wejścia A. Tyle teoria. Teraz praktyka. Załóżmy, że na wejściu A panuje stan 0. Wtedy na wyjściu bramki NOT jest stan 1, a na wejściach bramki AND mamy stany odpowiednio 1 z wyjścia bramki NOT i 0 z wejścia A. Na wyjściu Y jest spodziewany stan 0. To nasz punkt wyjścia:

Teraz stan wejścia zmienia się na 1. Bramka NOT zareaguje dopiero po czasie propagacji i na jej wyjściu wciąż jest poprzedni stan 1. W rezultacie na wejściach bramki AND mamy dwa stany 1. Ta bramka również nie reaguje natychmiast, lecz po swoim czasie propagacji, zatem na jej wyjściu jest wciąż stan 0:

Po czasie propagacji stan wyjścia bramki NOT zmienia się na 0, lecz poprzedni stan 1 i 1 propaguje się przez bramkę AND i na jej wyjściu pojawia się niedozwolony stan 1:

Gdy upłynie czas propagacji bramki AND jej stan wyjścia znów wróci do poziomu 0:

W efekcie przy każdej zmianie stanu wejścia A z 0 na 1 na wyjściu Y pojawia się krótki impuls napięciowy związany z propagacją sygnału przez bramki. To jest właśnie hazard.
Hazardy mogą powodować błędne działanie sieci, dlatego należy je brać pod uwagę przy projektowaniu. Jest to zagadnienie trudne, ale trzeba o nim pamiętać.
Jednym ze sposobów eliminacji hazardów w układach cyfrowych jest wprowadzenie taktowania. Polega to na tym, iż sieć otrzymuje ciąg impulsów (zwanych taktami zegarowymi), wg których następuje synchronizacja. Czas pomiędzy impulsami przeznaczony jest na wygaśnięcie hazardów w sieci.
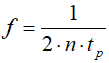
Czasem zjawisko hazardu może być użyteczne. Generator jest układem, który tworzy ciąg impulsów (naprzemiennych stanów 0 i 1) o określonej częstotliwości. Najprostszy generator da się zbudować z nieparzystej liczby bramek NOT połączonych w sieć:

Wyjście sieci jest połączone z jej wejściem. Uzyskuje się w ten sposób tzw. sprzężenie zwrotne (ang. feedback). Ponieważ liczba bramek NOT jest nieparzysta, to na wejście po czasie propagacji przez poszczególne bramki podawany jest zawsze sygnał przeciwny od poprzedniego. W rezultacie układ generuje ciąg impulsów o częstotliwości zależnej od czasu propagacji bramek. Częstotliwość ta nie jest specjalnie stabilna, zależy od temperatury, napięcia zasilania, budowy i własności bramek. W przybliżeniu wyraża się wzorem:
![]() |
| f – częstotliwość impulsów n – liczba bramek NOT (nieparzysta, zwykle co najmniej 3) tp – czas propagacji bramki |
Dla bramek TTL tp
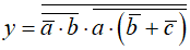
Projektując sieć logiczną dąży się do zastosowania w niej bramek uniwersalnych. Do takich bramek zaliczamy bramki NAND i NOR. Pokażę teraz, jak przekształcić funkcje logiczne zaprojektowanej wcześniej sieci, tak aby otrzymać tylko funkcje NAND lub NOR.
Sieć startowa jest następująca:



Przekształcamy funkcję dla x:

Zaprzeczamy podwójnie:

Zaprzeczenie alternatywy jest koniunkcją zaprzeczeń:

Podwójne zaprzeczenie się znosi:

Mamy już funkcję NAND dla x.
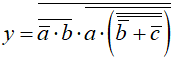
Przekształcamy funkcję dla y:

Zaprzeczamy podwójnie:

Zaprzeczenie alternatywy jest koniunkcją zaprzeczeń:

Zaprzeczamy podwójnie wyrażenie w nawiasach:

Zaprzeczenie alternatywy jest koniunkcją zaprzeczeń:

Podwójne zaprzeczenie się znosi:

Mamy funkcję NAND dla y. Tworzymy sieć.

Ta sieć zachowuje się identycznie jak poprzednia, lecz jest zbudowana z jednorodnych bramek NAND.


Dla y:






Bramki NAND są bardziej popularne i, jak widzisz, tworzą mniejsze sieci.
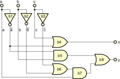
Gdy zaprojektujesz sieć logiczną, dobrym pomysłem jest sprawdzenie jej działania przed rozpoczęciem budowy urządzenia elektronicznego. Na tym etapie będziesz mógł wyłapać błędy w projekcie. Pokażę teraz jak za pomocą języka C symulować działanie sieci.
Jeśli nie umiesz programować w języku C, to przejdź przez nasz szybki kurs, który znajdziesz tutaj.
Symulacja będzie polegała na znalezieniu odpowiedzi sieci na wszystkie kombinacje sygnałów sterujących, a następnie na sprawdzeniu tych odpowiedzi z projektem. Oprzemy się na przerobionej tutaj przykładowej sieci, którą mamy zadaną tabelką:
| a | b | c | x | y |
| 0 | 0 | 0 | 1 | 0 |
| 0 | 0 | 1 | 1 | 0 |
| 0 | 1 | 0 | 1 | 1 |
| 0 | 1 | 1 | 1 | 1 |
| 1 | 0 | 0 | 0 | 1 |
| 1 | 0 | 1 | 1 | 1 |
| 1 | 1 | 0 | 0 | 1 |
| 1 | 1 | 1 | 1 | 0 |
Sygnałami wejściowymi są a, b i c. Odpowiedziami sieci na te sygnały są x i y.
Uruchom Code::Blocks i utwórz nowy projekt C dla konsoli.
Sygnały wejściowe i wyjściowe sieci będziemy reprezentować w programie za pomocą zmiennych typu int o nazwach a, b, c, x i y. Najpierw utworzymy środowisko, w którym sygnały wejściowe przyjmują wszystkie kombinacje wartości, jak w powyższej tabelce. Następnie będziemy wyliczać sygnały wyjściowe x i y wg zaprojektowanej sieci. Na koniec program wyświetli sygnały wejściowe i wyjściowe, które porównamy z tabelką.



Program będzie symulował poszczególne bramki, które ponumerujemy sobie następująco:

Takie podejście pozwoli sprawdzić, czy nie popełniliśmy błędu w przetworzeniu funkcji na bramki w sieci. W poniższej tabelce wypisujemy wszystkie bramki sieci, ich typy oraz to, co otrzymują one na wejściach.
| Bramka | Typ | Wejścia |
| b1 | NOT | a |
| b2 | NOT | b |
| b3 | NOT | c |
| b4 (x) | OR | b1,c |
| b5 | AND | b1,b |
| b6 | OR | b2,b3 |
| b7 | AND | a,b6 |
| b8 (y) | OR | b5,b7 |
Program jest następujący:
/*
** SYMULACJA SIECI LOGICZNEJ
** (C)2018 mgr Jerzy Wałaszek
*/
#include <stdio.h>
#include <stdlib.h>
int main()
{
// Sygnały wejściowe sieci
int a,b,c;
// Sygnały wyjściowe sieci
int x,y;
// Bramki
int b1,b2,b3,b4,b5,b6,b7,b8;
printf("Symulacja sieci nr 1\n");
printf("--------------------\n");
printf("\n\n");
printf("a b c x y\n-----------\n");
// Tworzymy środowisko pracy sieci
for(a = 0; a < 2; a++) // sygnał a 0,1
for(b = 0; b < 2; b++) // sygnał b 0,1
for(c = 0; c < 2; c++) // sygnał c 0,1
{
// Wyświetlamy sygnały wejściowe a, b i c
printf("%d %d %d - ",a,b,c);
// Wyznaczamy wartości na wyjściach bramek sieci
b1 = !a;
b2 = !b;
b3 = !c;
x = b4 = b1 || c;
b5 = b1 && b;
b6 = b2 || b3;
b7 = a && b6;
y = b8 = b5 || b7;
// Wyświetlamy sygnały wyjściowe
printf("%d %d\n",x,y);
}
printf("\n--- KONIEC SYMULACJI ---\n\n");
return 0;
}
|



| Bramka | Typ | Wejścia |
| b1 | NOT | c |
| b2 | NOT | a |
| b3 | NAND | b,c |
| b4 (x) | NAND | a,b1 |
| b5 | NAND | b,b2 |
| b6 | NAND | a,b3 |
| b7 (y) | NAND | b5,b6 |
/*
** SYMULACJA SIECI LOGICZNEJ
** (C)2018 mgr Jerzy Wałaszek
*/
#include <stdio.h>
#include <stdlib.h>
int main()
{
// Sygnały wejściowe sieci
int a,b,c;
// Sygnały wyjściowe sieci
int x,y;
// Bramki
int b1,b2,b3,b4,b5,b6,b7;
printf("Symulacja sieci nr 2\n");
printf("--------------------\n");
printf("\n\n");
printf("a b c x y\n-----------\n");
// Tworzymy środowisko pracy sieci
for(a = 0; a < 2; a++) // sygnał a 0,1
for(b = 0; b < 2; b++) // sygnał b 0,1
for(c = 0; c < 2; c++) // sygnał c 0,1
{
// Wyświetlamy sygnały wejściowe a, b i c
printf("%d %d %d - ",a,b,c);
// Wyznaczamy wartości na wyjściach bramek sieci
b1 = !c;
b2 = !a;
b3 = !(b && c);
x = b4 = !(a && b1);
b5 = !(b && b2);
b6 = !(a && b3);
y = b7 = !(b5 && b6);
// Wyświetlamy sygnały wyjściowe
printf("%d %d\n",x,y);
}
printf("\n--- KONIEC SYMULACJI ---\n\n");
return 0;
}
|



| Bramka | Typ | Wejścia |
| b1 | NOT | a |
| b2 | NOT | b |
| b3 | NOT | c |
| b4 | NOR | c,b1 |
| b5 | NOR | a,b2 |
| b6 | NOR | b2,b3 |
| b7 (x) | NOT | b4 |
| b8 | NOR | b1,b6 |
| b9 | NOR | b5,b8 |
| b10 (y) | NOT | b9 |
/*
** SYMULACJA SIECI LOGICZNEJ
** (C)2018 mgr Jerzy Wałaszek
*/
#include <stdio.h>
#include <stdlib.h>
int main()
{
// Sygnały wejściowe sieci
int a,b,c;
// Sygnały wyjściowe sieci
int x,y;
// Bramki
int b1,b2,b3,b4,b5,b6,b7,b8,b9,b10;
printf("Symulacja sieci nr 3\n");
printf("--------------------\n");
printf("\n\n");
printf("a b c x y\n-----------\n");
// Tworzymy środowisko pracy sieci
for(a = 0; a < 2; a++) // sygnał a 0,1
for(b = 0; b < 2; b++) // sygnał b 0,1
for(c = 0; c < 2; c++) // sygnał c 0,1
{
// Wyświetlamy sygnały wejściowe a, b i c
printf("%d %d %d - ",a,b,c);
// Wyznaczamy wartości na wyjściach bramek sieci
b1 = !a;
b2 = !b;
b3 = !c;
b4 = !(c||b1);
b5 = !(a||b2);
b6 = !(b2||b3);
x = b7 = !b4;
b8 = !(b1||b6);
b9 = !(b5||b8);
y = b10 = !b9;
// Wyświetlamy sygnały wyjściowe
printf("%d %d\n",x,y);
}
printf("\n--- KONIEC SYMULACJI ---\n\n");
return 0;
}
|
![]() |
Zespół Przedmiotowy Chemii-Fizyki-Informatyki w I Liceum Ogólnokształcącym im. Kazimierza Brodzińskiego w Tarnowie ul. Piłsudskiego 4 ©2026 mgr Jerzy Wałaszek |
Materiały tylko do użytku dydaktycznego. Ich kopiowanie i powielanie jest dozwolone pod warunkiem podania źródła oraz niepobierania za to pieniędzy.
Pytania proszę przesyłać na adres email:
Serwis wykorzystuje pliki cookies. Jeśli nie chcesz ich otrzymywać, zablokuj je w swojej przeglądarce.
Informacje dodatkowe.