Generatory


Tematy pokrewne   Podrozdziały
(w budowie)
  Podstawy
Generatory impulsów
Licznik
Licznik/dzielnik modulo n
Rejestr przesuwający

 

 

Podstawy

 
   
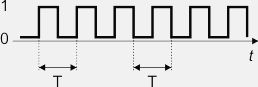
Generator impulsów jest układem, który tworzy (generuje) na przemian stany logiczne 0 i 1 z pewną częstotliwością. Zatem na jego wyjściu powstaje ciąg impulsów.

obrazek

Okresem T generatora nazywamy czas pomiędzy dwoma zboczami dodatnimi (przejście z 0 na 1) lub ujemnymi (przejście z 1 na 0) w generowanym sygnale.

obrazek

Częstotliwością f generatora nazywamy liczbę impulsów (zmiana z 0 na 1 i z powrotem z 1 na 0) w ciągu jednej sekundy. Częstotliwość i okres generatora są ze sobą powiązane prostą zależnością:

 

obrazek

 

Najprostszy generator możemy zbudować z 3 bramek NOT (ogólnie z nieparzystej liczby bramek większej niż 1). W tym celu wystarczy połączyć bramki szeregowo, a wyjście ostatniej dołączyć do wejścia pierwszej bramki:

obrazek

Zwróć uwagę, że taki układ bramek nie może znajdować się w stanie stabilnym. Załóżmy, że na wejściu pierwszej bramki pojawia się stan logiczny 0. Po krótkim czasie propagacji (czas ustalenia się napięcia wyjściowego bramki w funkcji napięcia wejściowego) na wyjściu tej bramki pojawi się stan 1, który z kolei trafia na wejście drugiej bramki. Znów po krótkim czasie propagacji na wyjściu drugiej bramki pojawi się stan 0, który wysteruje wejście trzeciej bramki. Ta z kolei po czasie propagacji umieści na swoim wyjściu stan 1. Stan ten przeniesie się na wejście pierwszej bramki, gdzie dotychczas panował stan 0. Spowoduje to ponowne, kaskadowe zmiany stanów bramek na przeciwne i tak w kółko.

Dla nas "wadą" powyższego generatora jest niezbyt stabilna częstotliwość pracy oraz bardzo krótki okres: około 60ns (czas propagacji sygnału wynosi 30ns – po 10ns na bramkę, na jeden okres wchodzą dwie zmiany sygnału z 0 na 1 i z 1 na 0, stąd dostajemy 60ns). Daje to częstotliwość generatora równą 16666666 [Hz] = 16,66 [MHz], czyli ponad 16 milionów cykli na sekundę. Dla bramek wersji szybkiej czas propagacji przez bramkę jest równy około 3ns, co potroi tę częstotliwość. "Wadą" tak dużych częstotliwości jest to, że nasze oko nie będzie w stanie jej zaobserwować. Możemy jednak pośrednio sprawdzić, czy dany układ faktycznie generuje drgania.

 

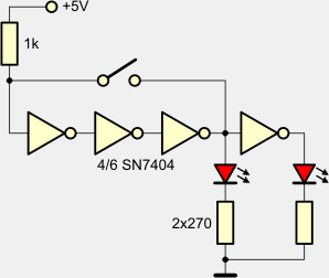
Ćwiczenie nr 14

Zbudujemy poniższy układ generatora z 3 bramek NOT. Dodatkową bramkę wykorzystamy do sterowania diodami:

SN7404 – 6 bramek NOT

obrazek

Spis elementów
Element Ilość Opis
zasilacz 5V 1  
płytka stykowa + kable 1  
SN7404 1 6 bramek NOT
opornik 1kΩ/0,125W 1 –(                )–
opornik 270Ω/0,125W 2 –(                )–
czerwona dioda LED 2 do sygnalizacji stanu 1
przycisk 1 uruchamianie generatora

 

obrazek obrazek

Gdy włączysz zasilanie, to będzie się świeciła jedna z diod LED, ponieważ generator nie pracuje przy rozwartym włączniku. Gdy naciśniesz przycisk, obwód sprzężenia zwrotnego zostanie zamknięty i generator rozpocznie generację impulsów. W efekcie diody LED będą się zaświecały naprzemiennie, lecz tak szybko, że okiem tego nie będzie można zauważyć. Będzie się nam wydawało, że naraz świecą obie diody (nie mogą naraz się świecić obie diody przez czas dłuższy od czasu propagacji sygnału przez bramkę, ponieważ na wyjściu ostatniej bramki panuje stan przeciwny do stanu na wejściu). Jasność świecenia diod spada, ponieważ nie świecą one ciągle, tylko przez połowę każdego okresu generatora. Gdy zwolnisz przycisk, to znów będzie zaświecona tylko jedna dioda LED.

obrazek

Opornik 1k (może być większy, np. 4,7k) służy do ustawienia stanu wysokiego 1 na wejściu pierwszej bramki generatora, gdy przycisk nie jest wciśnięty. Ma to znaczenie dla układów 74HC04 i 74HCT04, które są zbudowane z tranzystorów polowych i posiadają bardzo dużą oporność wejściową. Bez tego opornika bramki wzbudzają się nawet z powodu zbliżenia palca do układu scalonego. Gdy generator budujesz na zwykłych układach 7404 lub 74LS04, opornik ten można pominąć.

 

 

Generatory impulsów

 
   
Aby zbudować generator o niższych częstotliwościach pracy, które da się zaobserwować okiem, musimy zastosować kondensator.

obrazek

Przypomnijmy. Kondensator zbudowany jest z dwóch przewodników rozdzielonych od siebie za pomocą izolatora. Gdy do tych przewodników doprowadzimy napięcie elektryczne, to zaczną się na nich gromadzić ładunki elektryczne, które wytworzą pomiędzy przewodnikami napięcie elektryczne rosnące wraz z przybywaniem ładunków aż do osiągnięcia wartości napięcia zasilającego. W trakcie ładowania kondensatora płynie przez niego chwilowy prąd o coraz mniejszym natężeniu.

obrazek

obrazek

Nie wgłębiając się w szczegóły teoretyczne, powiedzmy, że czas osiągnięcia przez kondensator stanu nasycenia jest proporcjonalny do iloczynu RC, gdzie R to oporność opornika, a C jest pojemnością kondensatora. Opór wyrażamy w omach, a pojemność w faradach. Im większy opór czy pojemność tym czas ten jest dłuższy.

Jeśli naładowany kondensator zewrzemy poprzez opór, to nastąpi zjawisko odwrotne – rozładowanie kondensatora.

obrazek
obrazek

Znów popłynie przez chwilę prąd. Rozładowanie powoduje spadek napięcia na kondensatorze w miarę ubywania ładunków elektrycznych. Proces ten zakończy się, gdy kondensator zostanie całkowicie rozładowany. Czas rozładowania również jest proporcjonalny do iloczynu RC. Zwróć uwagę, że przy rozładowywaniu napięcie na oporniku R ma zwrot przeciwny i jest równe co do wartości napięciu na kondensatorze.

Rozważmy teraz bardzo prosty generator zbudowany z dwóch bramek NOT, opornika i kondensatora. Podane tutaj wyjaśnienie jest bardzo przybliżone (w rzeczywistości należałoby omówić tzw. bramki zlinearyzowane, które zachowują się jak wzmacniacze odwracające), lecz wystarczające do zrozumienia zasady działania tego generatora.

obrazek

W bardzo dużym uproszczeniu wyjście bramki NOT możemy potraktować jak przełącznik. Na poniższym rysunku mamy schematy zastępcze bramki NOT dla wyjściowych stanów logicznych 1 oraz 0.

obrazek

Gdy na wejściu bramki NOT występuje stan logiczny 0, to na jej wyjściu pojawia się stan logiczny 1. Możemy ten stan potraktować tak, jakby wyjście zostało połączone "przełącznikiem" do napięcia 3,3V (dla układów HCT będzie to 4,9V).  Gdy na wejściu bramki NOT mamy stan 1, to na jej wyjściu pojawia się stan 0, co odpowiada zwarciu wyjścia do masy (z uwagi na spadki napięć wewnątrz układu napięcie w tym stanie nie jest równe 0V, lecz wynosi około 0,8V, HCT 0,1V).

Wróćmy do naszego generatora. Załóżmy, że kondensator C jest rozładowany i na wejściu pierwszej bramki panuje stan 0. Wtedy na jej wyjściu musi być stan 1, a na wyjściu drugiej bramki musi być stan 0. Schemat zastępczy tego układu masz poniżej:

obrazek

W takim układzie kondensator zaczyna się ładować poprzez opornik R z wyjścia pierwszej bramki. Napięcie na kondensatorze rośnie. Jednocześnie napięcie to pojawia się na wejściu pierwszej bramki w punkcie A. Przerywaną linią niebieską zaznaczyliśmy na wykresie poziom napięcia, który spowoduje przełączenie pierwszej bramki w stan przeciwny, tzn. na jej wejściu pojawi się stan 1 z kondensatora, na wyjściu pojawi się stan 0, co z kolei wymusi stan 1 na wyjściu drugiej bramki. Układ zmieni konfigurację:

obrazek

Ponieważ kondensator jest naładowany w kierunku poprzedniej polaryzacji napięcia, to przy przełączeniu bramek napięcie na kondensatorze doda się do napięcia wyjściowego bramki drugiej i w efekcie nastąpi chwilowy skok napięcia w punkcie A. Kondensator zacznie się rozładowywać poprzez opornik R, a następnie będzie się ładował napięciem przeciwnym. Proces ten spowoduje stopniowe obniżanie się napięcia w punkcie A aż do momentu, gdy osiągnie ono poziom przełączania bramki pierwszej, który zaznaczyliśmy na wykresie przerywaną linią niebieską. Układ znów zmieni konfigurację na przeciwną:

obrazek

Ponieważ w momencie przełączenia kondensator jest naładowany odwrotnym napięciem, to nastąpi chwilowy spadek napięcia w punkcie A poniżej 0V. Teraz kondensator najpierw rozładuje się poprzez opornik R, a następnie zacznie się ładować napięciem wyjściowym bramki pierwszej. Napięcie w punkcie A będzie rosło aż osiągnie poziom przełączania bramki pierwszej. Wtedy cały cykl się powtórzy i generator zacznie generować naprzemiennie stany 0 i 1 na swoim wyjściu. Okres generatora zależy od użytych elementów R i C. Nie będziemy go wyliczać, ponieważ jest to dosyć skomplikowane (nasz model jest jedynie bardzo dużym uproszczeniem, które pozwala zrozumieć zasadę działania tego generatora, w rzeczywistości diabeł tkwi w szczegółach).

 

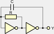
Ćwiczenie nr 15

Jako ćwiczenie zbudujemy generator impulsów oparty na powyższym schemacie.

SN7404 – 6 bramek NOT

obrazek

Spis elementów
Element Ilość Opis
zasilacz 5V 1  
płytka stykowa + kable 1  
SN74LS04 1 6 bramek NOT
opornik 1kΩ/0,125W 1 –(                )–
opornik 270Ω/0,125W 1 –(                )–
kondensator 100µF/16V 1  
czerwona dioda LED 1 do sygnalizacji stanu 1

 

obrazek obrazek

Częstotliwość generowanych impulsów zależy od pojemności kondensatora oraz oporu opornika. Dla 100µF powinno to być około 2Hz. W generatorze zastosowany jest układ 74LS04. Zamiast niego można również stosować układy SN7404, 74HC04 lub 74HCT04. Jeśli stosujesz zwykły układ SN7404 (obecnie dosyć trudny do zdobycia z uwagi na jego przestarzałość), to możesz mieć kłopoty ze startem generatora. W takim przypadku zmniejsz opornik linearyzujący bramkę NOT z 1k na 270...470Ω (poeksperymentuj z różnymi wartościami).

obrazek

Nie demontuj tego układu, ponieważ wykorzystamy go w następnym podrozdziale do sterowania licznikiem.

 

 

Licznik

 
   
Licznik jest układem cyfrowym, który zlicza impulsy podawane na jego wejście zegarowe. Wynik zliczania jest oczywiście liczbą binarną. Liczniki konstruuje się z przerzutników flip-flop (przerzutniki typu latch nie nadają się do tego celu). Poniżej umieściliśmy symulację 4 bitowego licznika w kodzie 8421.
obrazek

Liczniki są częścią składową mikrokontrolerów, które wkrótce będziemy programować. Dlatego warto dobrze poznać zasadę działania prostego licznika. Przemysł elektroniczny produkuje gotowe układy cyfrowe, które zawierają w sobie taki licznik. Układ SN7493 zawiera 4 przerzutniki T wyzwalane zboczem ujemnym (przejściem sygnału zegarowego ze stanu 1 na 0):

obrazek      obrazek

Przerzutniki te są tak ze sobą połączone, iż tworzą licznik 1-bitowy oraz licznik 3-bitowy. Zmiana stanu przerzutników następuje przy ujemnym zboczu impulsów zegarowych. Funkcje wejść i wyjść są następujące:
CKA  –  sygnał zegarowy licznika 1-bitowego
QA  –  wyjście danych licznika 1-bitowego
CKB  –  sygnał zegarowy licznika 3-bitowego
QB,QC,QD  –  wyjście danych licznika 3-bitowego
R0(1), R0(2)  –  wejścia zerowania wszystkich przerzutników.

Podział na licznik 1-bitowy oraz 3-bitowy pozwala tworzyć różnego rodzaju liczniki binarne. Jeśli na wejścia R1 i R2 podamy jednocześnie stan wysoki, to wszystkie cztery przerzutniki zostaną wyzerowane. Wejścia te wykorzystuje się do tworzenia liczników zliczających impulsy do pewnej wartości.

Aby utworzyć 4-bitowy licznik binarny, sygnał zegarowy doprowadzamy do wejścia CKA, natomiast wyjście QA łączymy z wejściem CKB. Oba wejścia R0(1) i R0(2) należy połączyć z masą, aby panował na nich stan niski (wymusi to stan wysoki na wejściach zerujących R przerzutnika, który jest stanem nieaktywnym).

obrazek

Zwróć uwagę, że w układzie scalonym wyjścia QA, QB, QC i QD są w kolejności: QA, QD, QB, QC, czyli inaczej niż na powyższym schemacie.

 

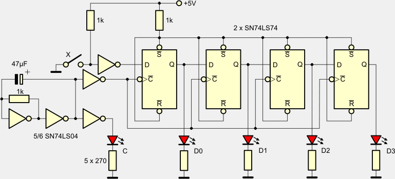
Ćwiczenie nr 16

Wykorzystując generator z poprzedniego projektu, zbudujemy teraz prosty układ cyfrowy, który będzie generował impulsy i zliczał je. Wynik będzie podawany w postaci binarnej za pomocą czterech diod LED.

SN7493 – 4-bitowy licznik binarny

obrazek

Spis elementów
Element Ilość Opis
zasilacz 5V 1  
płytka stykowa + kable 1  
SN74LS04 1 6 bramek NOT
SN7493 1 licznik 4-bitowy
opornik 1kΩ/0,125W 1 –(                )–
opornik 270Ω/0,125W 5 –(                )–
czerwona dioda LED 5 do sygnalizacji stanu 1
kondensator 100µF 1 do generatora
kondensator 100nF 1 przeciwzakłóceniowy
obrazek
obrazek

Układ działa następująco:

Generator zbudowany na bramkach NOT generuje cyklicznie impulsy, które są podawane na wejście zegarowe CKA licznika SN7493. Licznik jest skonfigurowany do zliczania impulsów zegarowych z wejścia w układzie 4-ro bitowym. Każde ujemne zbocze sygnału na wejściu CKA powoduje zmianę stanu licznika. Liczba zliczonych impulsów widoczna jest w postaci binarnej na diodach LED.

obrazek

 

 

Licznik modulo n

 
   
Operacja modulo n daje w wyniku resztę z dzielenia przez n. Na przykład:
8 mod 5 = 3, gdyż 5 mieści się w 8 jeden raz i zostaje reszta 3.

Reszta z dzielenia jest zawsze mniejsza od n  i mieści się w przedziale od 0 do n  - 1. Liczbę n  nazywamy modułem.

Licznik modulo n  jest układem cyfrowym, który zlicza n  - 1 impulsów zegarowych, a przy n-tym impulsie zeruje się. W wyniku wartości zliczone przez licznik tworzą ciąg 0, 1, 2, ..., n-1 (wartości te są reprezentowane w kodzie binarnym 8421). Na przykład licznik modulo 5 będzie przyjmował następujące stany dla kolejnych impulsów zegarowych:

modulo 5: 000 → 001 → 010  → 011  → 100  → 000  → 001 ...

Po osiągnięciu stanu 100, który w kodzie 8421 oznacza liczbę 4, kolejny impuls zegarowy zeruje licznik i cykl zliczania rozpoczyna się od nowa.

Standardowo układ SN7493 jest licznikiem binarnym, który zlicza impulsy zegarowe w kodzie 8421. Jednakże wykorzystując fakt, iż zawiera dwa oddzielne liczniki binarne (jedno i trzybitowy) oraz dwa wejścia zerujące (R0(1) i R0(2)) można skonstruować liczniki binarne zliczające impulsy zegarowe do wartości n-1. Po osiągnięciu stanu n-1 licznik modulo n  jest zerowany po kolejnym impulsie zegarowym i zliczanie rozpoczyna się od początku.

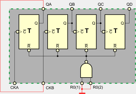
Zasada budowy liczników modulo n jest bardzo prosta. Otóż badamy stan bitów wyjściowych, które dla wartości równej n przyjmują poziom 1. Gdy tak się stanie, zerujemy licznik podając na wejścia R0(1) i R0(2) stany wysokie. W wielu przypadkach nawet nie musimy dołączać do układu SN7493 żadnych dodatkowych elementów - wykorzystujemy bity wyjściowe do bezpośredniego sterowania wejść zerujących. Dla przykładu rozważmy licznik modulo 3. Wykorzystujemy w nim człon licznika 3-bitowego.

obrazek

Przeanalizujmy ten układ.

Sygnał zegarowy C jest doprowadzony do wejścia CKB, które jest wejściem zliczającym licznika 3 bitowego. Wejścia zerujące R0(1) i R0(2) są połączone z wyjściami QB i QC. Gdy nadejdzie pierwszy impuls zegarowy, to na jego zboczu opadającym wyjście QB zmieni swój stan z 0 na 1. Licznik zliczył pierwszy impuls i jest w stanie 1 (patrz, wykres obok układu licznika). Na zboczu opadającym drugiego impulsu zegarowego wyjście QB zmieni swój stan na 0, a z kolei wyjście QC przyjmie stan 1 - licznik ma stan 2. Przy trzecim impulsie zegarowym stan wyjścia QB znów zmieni się na 1 - licznik będzie w stanie 3. Jednakże teraz oba wejścia zerujące R0(1) i R0(2) są w stanie 1. Powoduje to wyzerowanie licznika, który przejdzie do stanu 0 i cały cykl rozpocznie się od nowa.

Zwróć uwagę, iż przez bardzo krótką chwilę na wyjściach licznika pojawia się stan 3 (oba wyjścia QB i QC są w stanie 1). Stan 3 wykorzystujemy do wysterowania wejść zerujących. Jest to cechą charakterystyczną asynchronicznych liczników modulo n.

Poniżej przedstawiamy układy liczników modulo n, które można zrealizować z licznika SN7493.

n Układ licznika modulo n   n Układ licznika modulo n   n Układ licznika modulo n
  2 obrazek          7 obrazek          12 obrazek
3 obrazek   8 obrazek   13 obrazek
4 obrazek   9 obrazek   14 obrazek
5 obrazek   10 obrazek   15 obrazek
6 obrazek   11 obrazek   16 obrazek

 

Dzielniki częstotliwości przez n

Przez częstotliwość sygnału cyfrowego (ang. digital signal frequency) rozumiemy ilość impulsów (kolejnych zmian stanu z 0 na 1 i z powrotem z 1 na 0) w jednostce czasu. Jednostką częstotliwości jest Herz (Hz):

1 Hz to jeden impuls sygnału cyfrowego w ciągu jednej sekundy.

Jeśli zatem w ciągu jednej sekundy napłynie 15 impulsów, to powiemy, iż ten sygnał cyfrowy ma częstotliwość 15 Hz. W technice cyfrowej częstotliwości sygnałów mogą być bardzo duże. Dlatego wykorzystujemy większe jednostki:

1 KHz (kiloherz) = 1000 Hz
1 MHz (megaherz) = 1000 KHz = 1000000 Hz (milion)
1 GHz (gigaherz) = 1000 MHz = 1000000000 Hz (miliard)

Cyfrowy dzielnik częstotliwości (ang. digital frequency divider) jest układem, który generuje jeden impuls wyjściowy po każdych n impulsach zegarowych. Dzielnik częstotliwości można w prosty sposób uzyskać z licznika modulo n. Jeśli n  jest potęgą liczby dwa - czyli podział częstotliwości następuje przez 2, 4, 8 itd, to sygnał wyjściowy po prostu pobieramy z odpowiedniego bitu wyjściowego licznika.

n Dzielnik częstotliwości   n Dzielnik częstotliwości
  2 obrazek          8 obrazek
4 obrazek   16 obrazek

Dla pozostałych n wykorzystujemy podane wyżej układy liczników modulo n. Sygnał wyjściowy W tworzymy z iloczynu sygnałów zerujących R0(1) i R0(2). Poniżej podajemy przykład dzielnika przez 10. Układ generuje krótkie, ujemne impulsy (dla impulsów dodatnich należy zastosować bramkę AND zamiast NAND) po każdych 10 impulsach zegarowych:

obrazek

Moduły dzielników można łączyć ze sobą. Poniżej mamy przykład dzielnika przez 1000 zbudowanego z trzech dzielników przez 10:

obrazek

Opisany w poprzednim rozdziale generator z licznikiem może również pełnić rolę poczwórnego dzielnika częstotliwości impulsów zegarowych. Na diodzie 1 otrzymujemy impulsy o częstotliwości dwukrotnie mniejszej od częstotliwości impulsów tworzonych przez generator. Na diodzie 2 częstotliwość jest 4 razy mniejsza, na diodzie 4 częstotliwość jest 8 razy mniejsza, a na ostatniej diodzie 8 uzyskamy częstotliwość 16 razy mniejszą.

obrazek

 

Z dzielnikami częstotliwości również spotkasz się w mikrokontrolerach.

 

 

Rejestr przesuwający

 
   
Rejestr przesuwajacy jest układem pamięciowym, który zapamiętuje w przerzutnikach n bitów danych, a następnie dane te przesuwa w lewo lub w prawo. Rozważmy poniższy układ:

obrazek

Są to 4 przerzutniki D wyzwalane zboczem dodatnim (0 → 1). Przy każdym narastającym zboczu impulsu zegarowego C sygnał z wejścia X zostaje przepisany na wyjście Q0 pierwszego przerzutnika. Jednak nie pojawia się on tam natychmiast, lecz z pewnym opóźnieniem, które nazywamy czasem propagacji. Obrazuje to poniższy wykres czasowy sygnałów:

obrazek

Dzięki temu opóźnieniu na wyjściu Q pierwszego przerzutnika wciąż utrzymuje się stan poprzedni. Zostanie on zapisany do przerzutnika drugiego. Z kolei drugi przerzutnik również utrzymuje na swoim wyjściu stan poprzedni przez czas propagacji. Dzięki temu przerzutnik trzeci zapamięta ten stan u siebie. W efekcie przerzutniki w tym łańcuchu zapamiętują przy dodatnim zboczu sygnału C stan swojego poprzednika. Zatem stany te przesuwają się w prawo przy każdym impulsie zegarowym.

Tego typu rejestr nosi nazwę rejestru szeregowo–równoległym, ponieważ informacja jest do niego wprowadzana wejściem X w takt impulsów zegarowych C. Wprowadzoną informację można odczytywać równolegle na wyjściach Q0...Q3.

Rejestr przesuwny można zbudować z przerzutników D typu SN7474 lub wykorzystać gotowy układ rejestru przesuwnego SN74164.

 

Ćwiczenie nr 17

Na podstawie schematu zbuduj na płytce układ rejestru przesuwającego:

SN7404
obrazek
   SN7474
obrazek
Spis elementów
Element Ilość Opis
zasilacz 5V 1  
płytka stykowa + kable 1  
SN74LS04 1 6 bramek NOT
SN7474 2 2 przerzutniki D
opornik 1kΩ/0,125W 3 –(                )–
opornik 270Ω/0,125W 5 –(                )–
czerwona dioda LED 5 do sygnalizacji stanu 1
kondensator 47µF 1 do generatora
obrazek
obrazek
Układ składa się z poznanego wcześniej generatora na inwerterach NOT oraz z rejestru przesuwnego na przerzutnikach D. Generator tworzy impulsy taktujące, które są podawane do wejść zegarowych wszystkich przerzutników. Wyjście z generatora jest buforowane dodatkową bramką NOT, aby obciążenie wejściami przerzutników nie wpływało na pracę generatora. Również dioda LED jest zasilana przez osobną bramkę. Na wejście D pierwszego przerzutnika podawany jest sygnał z wyjścia inwertera sterowanego przyciskiem X. Jeśli przycisk jest niewciśnięty, to na wyjściu tego inwertera panuje stan niski. Przy wciśniętym przycisku będzie to stan wysoki. Stany te są wprowadzane do rejestru i przesuwane w prawo w takt impulsów zegarowych. Do wyjść Q przerzutników są podłączone diody LED, zatem możemy obserwować działanie rejestru przesuwającego.

W powyższym układzie można uzyskiwać ciekawe efekty świetlne na diodach LED podłączonych do wyjść Q przerzutników. Odłącz przewód łączący wyjście bramki NOT z wejściem D pierwszego przerzutnika (C8:C17). W otwór C17 wstaw wtyczkę giętkiego przewodu i drugi jego koniec połącz z wyjściem Q ostatniego przerzutnika (J30). To samo wypróbuj z wyjściami Q pozostałych przerzutników (D29, J22 i D21). Czy potrafisz samodzielnie wyjaśnić zachowanie się układu?.

obrazek

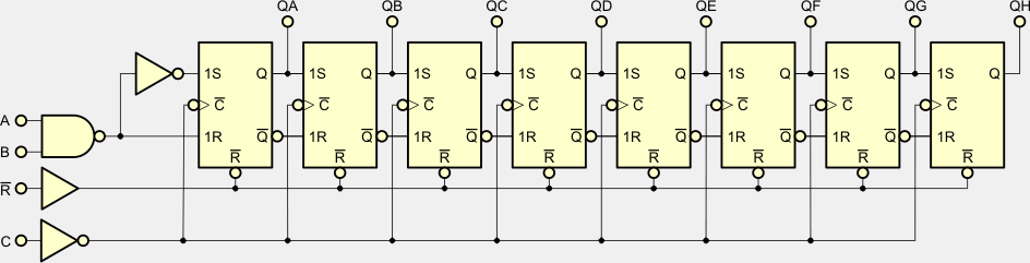
Do konstrukcji takich rejestrów stosuje się gotowe układy scalone. Np. popularny układ 74164 zawiera rejestr przesuwny szeregowo–równoległy o pojemności 8 bitów.

obrazek

Sterowanie rejestrem jest dosyć proste. Na wejścia A i B podajemy informację do zapisu w rejestrze. Do rejestru jest zapisywany wynik A AND B. Informacja jest zapisywana przy dodatnim zboczu sygnału zegarowego C. Jednocześnie informacja w pozostałych przerzutnikach zostaje przesunięta o 1 bit w prawo. Zawartość rejestru jest zerowana podaniem stanu 0 na wejście R.

obrazek

 

 


   I Liceum Ogólnokształcące   
im. Kazimierza Brodzińskiego
w Tarnowie

©2026 mgr Jerzy Wałaszek

Dokument ten rozpowszechniany jest zgodnie z zasadami licencji
GNU Free Documentation License.

Pytania proszę przesyłać na adres email: i-lo@eduinf.waw.pl

W artykułach serwisu są używane cookies. Jeśli nie chcesz ich otrzymywać,
zablokuj je w swojej przeglądarce.
Informacje dodatkowe