|
Serwis Edukacyjny w I-LO w Tarnowie
Materiały dla uczniów liceum |
Wyjście Spis treści Wstecz Dalej
Autor artykułu: mgr Jerzy Wałaszek |
©2026 mgr Jerzy Wałaszek
|
![]() |
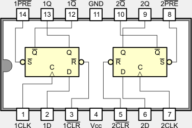
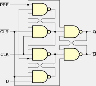
Układ 7474 zawiera dwa niezależne przerzutniki D wyzwalane zboczem dodatnim impulsu zegarowego (ang. Dual D-type positive-edge-triggered flip-flops). Niski poziom logiczny na wejściu PRE lub CLR powoduje odpowiednio ustawienie na 1 lub wyzerowanie wyjścia Q przerzutnika. Gdy wejścia te są nieaktywne (w stanie logicznym wysokim), stan wejścia D jest przenoszony po odpowiednim czasie propagacji na wyjście Q przy narastającym zboczu sygnału zegarowego. Wyzwalanie wejściem zegarowym następuje przy określonym poziomie napięcia i nie zależy od czasu trwania zbocza narastającego sygnału zegarowego. Po przejściu zbocza narastającego sygnału CLK i po upływie określonego czasu podtrzymania stan wejścia D może się zmieniać i nie będzie to miało wpływu na wyjście Q.
![]() |
| PRE | CLR | CLK | D | Q | Q |
| 0 | 1 | X | X | 1 | 0 |
| 1 | 0 | X | X | 0 | 1 |
| 0 | 0 | X | X | 1 | 1 |
| 1 | 1 | ↑ | 1 | 1 | 0 |
| 1 | 1 | ↑ | 0 | 0 | 1 |
| 1 | 1 | 0 | X | Qn-1 | Qn-1 |
Jeśli oba wejścia PRE i CLR przyjmą stan logiczny 0 (w tabelce stanów oznaczone kolorem czerwonym), to na obu wyjściach przerzutnika pojawi się nietrwały stan 1. Nietrwałość ta polega na tym, że jeśli teraz wejścia ustawiające przejdą jednocześnie w stan nieaktywny (czyli stan 1), to na wyjściach pojawią sie stany 1:0 lub 0:1 w zależności od wewnętrznych opóźnień w sieci logicznej przerzutnika. Co więcej w tym stanie na wyjściach nie jest gwarantowane osiągnięcie poprawnego napięcia VOH. Należy zatem unikać tego stanu przerzutnika.
![]()
5474J |
![]() 5474W |
| Opis parametru | 5474 | 7474 | 74LS74A | 74S74 | Jednostka | |
| VCC | Napięcie zasilania | 4,5...5,5 | 4,75...5,25 | 4,75...5,25 | 4,75...5,25 | V |
| VIH | Napięcie wejściowe dla stanu 1 | 2 | 2 | 2 | 2 | V |
| VIL | Napięcie wejściowe dla stanu 0 | 0,8 | 0,8 | 0,8 | 0,8 | V |
| VOH | Napięcie wyjściowe dla stanu 1 | 2,4...3,4 | 2,4...3,4 | 2,7...3,4 | 2,7...3,4 | V |
| VOL | Napięcie wyjściowe dla stanu 0 | 0,2...0,4 | 0,2...0,4 | 0,25...0,5 | 0,5 | V |
| IIH | Prąd wejściowy w stanie 1, D | 40 | 40 | 20 | 50 | µA |
| Prąd wejściowy w stanie 1, CLR | 120 | 120 | 40 | 150 | ||
| Prąd wejściowy w stanie 1, pozostałe | 80 | 80 | 20 | 100 | ||
| IIL | Prąd wejściowy w stanie 0, D | -1,6 | -1,6 | -0,4 | -2 | mA |
| Prąd wejściowy w stanie 0, PRE | -1,6 | -1,6 | -0,8 | -4 | ||
| Prąd wejściowy w stanie 0, CLR | -3,2 | -3,2 | -0,8 | -6 | ||
| Prąd wejściowy w stanie 0, CLK | -3,2 | -3,2 | -0,4 | -4 | ||
| IOH | Prąd wyjściowy w stanie 1 | -0,4 | -0,4 | -0,4 | -1 | mA |
| IOL | Prąd wyjściowy w stanie 0 | 16 | 16 | 8 | 20 | mA |
| ICC | Prąd zasilania | 8,5...15 | 8,5...15 | 4...8 | 15...25 | mA |
| TA | Zakres temperatur pracy | -55...125 | 0...70 | 0...70 | 0...70 | °C |
| fmax | Zalecana częstotliwość | 15...25 | 15...25 | 25...33 | 75...110 | MHz |
| tPLH | Czas propagacji z 0 na 1, od PRE lub CLR | 25 | 25 | 13...25 | 4...6 | ns |
| Czas propagacji z 0 na 1, od CLK | 14...25 | 14...25 | 13...25 | 6...9 | ||
| tPHL | Czas propagacji z 1 na 0, od PRE lub CLR | 40 | 40 | 25...40 | 9...13,5 | ns |
| Czas propagacji z 1 na 0, od CLK | 20...40 | 20...40 | 25...40 | 6...9 | ||
| tsu | Czas przygotowania D przed ↑ imp. zeg. | 20 | 20 | 20 | 3 | ns |
| th | Czas utrzymania D po ↑ imp. zeg. | 5 | 5 | 5 | 2 | ns |
| tw | Zalecana szerokość impulsu CLK = 1 | 30 | 30 | 25 | 6 | ns |
| Zalecana szerokość impulsu CLK = 0 | 37 | 37 | 25 | 7,3 | ||
| Zalecana szerokość impulsu PRE, CLR = 0 | 30 | 30 | 25 | 7 |
![]() |
Zespół Przedmiotowy Chemii-Fizyki-Informatyki w I Liceum Ogólnokształcącym im. Kazimierza Brodzińskiego w Tarnowie ul. Piłsudskiego 4 ©2026 mgr Jerzy Wałaszek |
Materiały tylko do użytku dydaktycznego. Ich kopiowanie i powielanie jest dozwolone pod warunkiem podania źródła oraz niepobierania za to pieniędzy.
Pytania proszę przesyłać na adres email:
Serwis wykorzystuje pliki cookies. Jeśli nie chcesz ich otrzymywać, zablokuj je w swojej przeglądarce.
Informacje dodatkowe.