|
Serwis Edukacyjny w I-LO w Tarnowie
Materiały dla uczniów liceum |
Wyjście Spis treści Wstecz Dalej
Autor artykułu: mgr Jerzy Wałaszek |
©2026 mgr Jerzy Wałaszek
|
![]() |
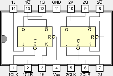
Układ 7473 zawiera dwa niezależne przerzutniki JK typu Master Slave z wejściami zerowania (ang. Dual JK Mater-Slave Flip-Flops with Clear). Przy stanie wysokim sygnału zegarowego stany wejść programujących J i K zostają przekazane do przerzutnika Master. Gdy sygnał zegarowy zmienia się z wysokiego na niski, stan przerzutnika master jest zapisywany w przerzutniku slave. Wejścia J i K nie powinny zmieniać stanu przy wysokim poziomie impulsu zegarowego.
Układ 74LS73A zawiera dwa niezależne przerzutniki JK z wejściami zerowania, które są wyzwalane przez ujemne zbocze sygnału zegarowego (ang. Dual JK negative-edge-triggered Flip Flops with Clear). Wejścia J i K muszą się ustalić na co najmniej 20ns przed wystąpieniem ujemnego zbocza w sygnale zegarowym.
![]() |
![]() |
| CLR | CLK | J | K | Q | Q |
| 0 | X | X | X | 0 | 1 |
| 1 |
![]() |
0 | 0 | Qn-1 | Qn-1 |
| 1 |
![]() |
1 | 0 | 1 | 0 |
| 1 |
![]() |
0 | 1 | 0 | 1 |
| 1 |
![]() |
1 | 1 | Qn-1 | Qn-1 |
| CLR | CLK | J | K | Q | Q |
| 0 | X | X | X | 0 | 1 |
| 1 | ↓ | 0 | 0 | Qn-1 | Qn-1 |
| 1 | ↓ | 1 | 0 | 1 | 0 |
| 1 | ↓ | 0 | 1 | 0 | 1 |
| 1 | ↓ | 1 | 1 | Qn-1 | Qn-1 |
| 1 | 1 | X | X | Qn-1 | Qn-1 |
Jeśli oba wejścia J i K mają stan logiczny 1, to impuls zegarowy spowoduje zmianę stanu wyjść na przeciwny.
![]() |
| Opis parametru | 5473 | 7473 | 74LS73A | Jednostka | |
| VCC | Napięcie zasilania | 4,5...5,5 | 4,75...5,25 | 4,75...5,25 | V |
| VIH | Napięcie wejściowe dla stanu 1 | 2 | 2 | 2 | V |
| VIL | Napięcie wejściowe dla stanu 0 | 0,8 | 0,8 | 0,8 | V |
| VOH | Napięcie wyjściowe dla stanu 1 | 2,4...3,4 | 2,5...3,4 | 2,7...3,4 | V |
| VOL | Napięcie wyjściowe dla stanu 0 | 0,2...0,4 | 0,2...0,4 | 0,25...0,5 | V |
| IIH | Prąd wejściowy w stanie 1, J lub K | 40 | 40 | 20 | µA |
| Prąd wejściowy w stanie 1, CLR | 80 | 80 | 60 | ||
| Prąd wejściowy w stanie 1, CLK | 80 | 80 | 80 | ||
| IIL | Prąd wejściowy w stanie 0, J lub K | -1,6 | -1,6 | -0,4 | mA |
| Prąd wejściowy w stanie 0, CLR, CLK | -3,2 | -3,2 | -0,8 | ||
| IOH | Prąd wyjściowy w stanie 1 | -0,4 | -0,4 | -0,4 | mA |
| IOL | Prąd wyjściowy w stanie 0 | 16 | 16 | 8 | mA |
| ICC | Prąd zasilania | 10...20 | 10...20 | 4...6 | mA |
| TA | Zakres temperatur pracy | -55...125 | 0...70 | 0...70 | °C |
| fmax | Zalecana częstotliwość | 15...20 | 15...20 | 30...45 | MHz |
| tPLH | Czas propagacji z 0 na 1, od CLR | 16...25 | 16...25 | 15...20 | ns |
| Czas propagacji z 0 na 1, od CLK | 25...40 | 25...40 | 15...20 | ||
| tPHL | Czas propagacji z 1 na 0, od CLR | 16...25 | 16...24 | 15...20 | ns |
| Czas propagacji z 1 na 0, od CLK | 25...40 | 25...40 | 15...20 | ||
| tsu | Czas przygotowania J i K przed imp. zeg. | 0 | 0 | 20 | ns |
| tw | Zalecana szerokość impulsu CLK = 1 | 20 | 20 | 20 | ns |
| Zalecana szerokość impulsu CLK = 0 | 47 | 47 | 20 | ||
| Zalecana szerokość impulsu PRE, CLR = 0 | 25 | 25 | 20 |
![]() |
Zespół Przedmiotowy Chemii-Fizyki-Informatyki w I Liceum Ogólnokształcącym im. Kazimierza Brodzińskiego w Tarnowie ul. Piłsudskiego 4 ©2026 mgr Jerzy Wałaszek |
Materiały tylko do użytku dydaktycznego. Ich kopiowanie i powielanie jest dozwolone pod warunkiem podania źródła oraz niepobierania za to pieniędzy.
Pytania proszę przesyłać na adres email:
Serwis wykorzystuje pliki cookies. Jeśli nie chcesz ich otrzymywać, zablokuj je w swojej przeglądarce.
Informacje dodatkowe.