|
Serwis Edukacyjny w I-LO w Tarnowie
Materiały dla uczniów liceum |
Wyjście Spis treści Wstecz Dalej
Autor artykułu: mgr Jerzy Wałaszek |
©2026 mgr Jerzy Wałaszek
|
![]() |

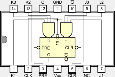
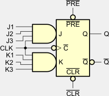
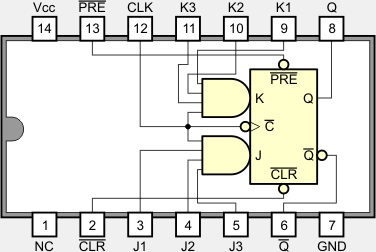
Układ 7472 zawiera przerzutnik JK typu Master Slave (pan sługa) z bramkowanymi wejściami J i K oraz z wejściami ustawiającym i zerującym (ang. AND-gated JK Mater-Slave Flip-Flop with Preset and Clear). W stanie wysokim sygnału zegarowego wejścia J i K nie powinny się zmieniać. Przerzutnik działa w dwóch krokach w takt impulsów zegarowych C:
Przerzutnik 7472 jest dzisiaj już przestarzały.
![]() |
| PRE | CLR | CLK | J | K | Q | Q |
| 0 | 1 | X | X | X | 1 | 0 |
| 1 | 0 | X | X | X | 0 | 1 |
| 0 | 0 | X | X | X | 1 | 1 |
| 1 | 1 |
![]() |
0 | 0 | Qn-1 | Qn-1 |
| 1 | 1 |
![]() |
1 | 0 | 1 | 0 |
| 1 | 1 |
![]() |
0 | 1 | 0 | 1 |
| 1 | 1 |
![]() |
1 | 1 | Qn-1 | Qn-1 |
Na czerwono zaznaczyliśmy stan niestabilny. Jeśli oba sygnały PRE i CLR mają jednocześnie stan logiczny 0, to na obu wyjściach przerzutnika pojawia się stan 1. Stan ten jest niepoprawny, ponieważ zgodnie z definicją przerzutnika wyjścia powinny znajdować się w stanach przeciwnych. Jeśli teraz oba sygnały PRE i CLR wrócą do wartości 1 (neutralnej), to na wyjściach Q i Q ustali się stan 0-1 lub 1-0 (który to będzie zależy od wewnętrznych opóźnień w sieci logicznej przerzutnika).
Jeśli oba wejścia J i K mają stan logiczny 1, to impuls zegarowy spowoduje zmianę stanu wyjść na przeciwny.
![]() 5472J 7472N |
![]() 5472W |
| Opis parametru | 5472 | 7472 | Jednostka | |
| VCC | Napięcie zasilania | 4,5...5,5 | 4,75...5,25 | V |
| VIH | Napięcie wejściowe dla stanu 1 | 2 | 2 | V |
| VIL | Napięcie wejściowe dla stanu 0 | 0,8 | 0,8 | V |
| VOH | Napięcie wyjściowe dla stanu 1 | 2,4...3,4 | 2,5...3,4 | V |
| VOL | Napięcie wyjściowe dla stanu 0 | 0,2...0,4 | 0,2...0,4 | V |
| IIH | Prąd wejściowy w stanie 1, J lub K | 40 | 40 | µA |
| Prąd wejściowy w stanie 1, pozostałe | 80 | 80 | ||
| IIL | Prąd wejściowy w stanie 0, J lub K | -1,6 | -1,6 | mA |
| Prąd wejściowy w stanie 0, pozostałe | -3,2 | -3,2 | ||
| IOH | Prąd wyjściowy w stanie 1 | -0,4 | -0,4 | mA |
| IOL | Prąd wyjściowy w stanie 0 | 16 | 16 | mA |
| ICC | Prąd zasilania | 10...20 | 10...20 | mA |
| TA | Zakres temperatur pracy | -55...125 | 0...70 | °C |
| fmax | Zalecana częstotliwość | 15...20 | 15...20 | MHz |
| tPLH | Czas propagacji z 0 na 1, od PRE, CLR | 16...25 | 16...25 | ns |
| Czas propagacji z 0 na 1, od CLK | 25...40 | 25...40 | ||
| tPHL | Czas propagacji z 1 na 0, od PRE, CLR | 16...25 | 16...24 | ns |
| Czas propagacji z 1 na 0, od CLK | 25...40 | 25...40 | ||
| tw | Zalecana szerokość impulsu CLK = 1 | 20 | 20 | ns |
| Zalecana szerokość impulsu CLK = 0 | 47 | 47 | ||
| Zalecana szerokość impulsu PRE, CLR = 0 | 25 | 25 |
![]() |
Zespół Przedmiotowy Chemii-Fizyki-Informatyki w I Liceum Ogólnokształcącym im. Kazimierza Brodzińskiego w Tarnowie ul. Piłsudskiego 4 ©2026 mgr Jerzy Wałaszek |
Materiały tylko do użytku dydaktycznego. Ich kopiowanie i powielanie jest dozwolone pod warunkiem podania źródła oraz niepobierania za to pieniędzy.
Pytania proszę przesyłać na adres email:
Serwis wykorzystuje pliki cookies. Jeśli nie chcesz ich otrzymywać, zablokuj je w swojej przeglądarce.
Informacje dodatkowe.