|
Serwis Edukacyjny w I-LO w Tarnowie
Materiały dla uczniów liceum |
Wyjście Spis treści Wstecz Dalej
Autor artykułu: mgr Jerzy Wałaszek |
©2026 mgr Jerzy Wałaszek
|
![]() |

Układ 7471 zawiera przerzutnik RS typu Master Slave (pan sługa). Przerzutniki master-slave są przerzutnikami dwutaktowymi, które składają się z dwóch przerzutników. Jeden z nich nosi nazwę master (pan), a drugi slave (sługa). Zwykły przerzutnik RS można zbudować z dwóch bramek NAND lub NOR:
| Przerzutnik S-R z bramek NAND | Przerzutnik S-R z bramek NOR | |||||||||||||||||||||||||||||||||||||||||||
|
![]() |
|
![]() |
|||||||||||||||||||||||||||||||||||||||||
Wejście S nazywamy wejściem ustawiającym (ang. set), a wejście R zerującym (ang. reset). Stan aktywny wejścia S (0 dla przerzutnika RS z bramek NAND lub 1 dla przerzutnika R-S z bramek NOR) powoduje ustawienie wyjścia Q w stan 1. Dlatego wejście S nazywamy ustawiającym. Z kolei stan aktywny wejścia R (0 dla przerzutnika RS z bramek NAND lub 1 dla przerzutnika RS z bramek NOR) powoduje ustawienie wyjścia Q w stan 0. Dlatego wejście R nosi nazwę wejścia zerującego. Kolorem czerwonym zaznaczyliśmy tzw. stany niedozwolone. Jeśli oba wejścia R i S przejdą w stan aktywny, to na obu wyjściach przerzutnika pojawi się ten sam stan logiczny, co jest sprzeczne z definicja tych wyjść (wyjście Q powinno zawsze mieć stan przeciwny do wyjścia Q). W normalnej pracy przerzutnika należy unikać takich stanów.
Dodając na wejściach dodatkowe bramki uzyskujemy tzw. synchroniczny przerzutnik RS:
![]() |
|
< |
![]() |
![]() |
Zaletą takiego układu jest to, że wejście S i R wpływają na wyjścia przerzutnika tylko w czasie, gdy sygnał zegarowy C ma stan 1. Gdy C ma stan 0 wejścia S i R są odseparowane od wejść przerzutnika. Jednakże zmiana stanu tych wejść w czasie trwania impulsu zegarowego powoduje zmiany stanu wyjść. Mówimy, że przerzutnik reaguje na wysoki poziom sygnału zegarowego.
Jednakże często zachodzi potrzeba posiadania przerzutnika, który zmieniałby swój stan tylko w odpowiedzi na zbocze sygnału zegarowego (takie przerzutniki są wymagane we wszelkiego rodzaju licznikach). Tutaj z pomocą przychodzi nam właśnie przerzutnik typu Master Slave.
![]() |
Układ ten działa następująco. Sygnał zegarowy C jest doprowadzany do wejść zegarowych przerzutników w ten sposób, że przerzutnik master M jest aktywny przy niskim stanie C, a przerzutnik slave S jest aktywny przy wysokim stanie C. Zatem gdy sygnał C ma stan 0, to wejścia R i S sterują stanem przerzutnika M. Jednakże w stanie tym drugi przerzutnik S nie jest aktywny i ewentualne zmiany stanów wyjść przerzutnika M nie przenoszą się na wyjścia przerzutnika S. Gdy sygnał zegarowy C zmienia się z 0 na 1, przerzutnik M zapamiętuje swój stan i sygnały S i R przestają mieć na niego wpływ. Na wyjściach M pojawia się zapamiętany stan, który z kolei steruje wejściami R i S przerzutnika S. W stanie wysokim C przerzutnik S staje się aktywny i stan wyjść przerzutnika M zostaje przepisany na wyjścia S. Zwróć uwagę, że w tym stanie wejścia R i S układu nie mają wpływu na stan wyjść przerzutnika S, ponieważ jest on sterowany przez przerzutnik M, a ten jest nieaktywny.
W efekcie układ działa w dwóch krokach w takt impulsów zegarowych C:
![]() |
| PRE | CLR | CLK | R | S | Q | Q |
| 0 | 1 | X | X | X | 1 | 0 |
| 1 | 0 | X | X | X | 0 | 1 |
| 0 | 0 | X | X | X | 1 | 1 |
| 1 | 1 |
![]() |
0 | 0 | Qn-1 | Qn-1 |
| 1 | 1 |
![]() |
1 | 0 | 1 | 0 |
| 1 | 1 |
![]() |
0 | 1 | 0 | 1 |
| 1 | 1 |
![]() |
1 | 1 | ? | ? |
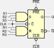
Na czerwono zaznaczyliśmy stan niestabilny. Jeśli oba sygnały PRE i CLR mają jednocześnie stan logiczny 0, to na obu wyjściach przerzutnika pojawia się stan 1. Stan ten jest niepoprawny, ponieważ zgodnie z definicją przerzutnika wyjścia powinny znajdować się w stanach przeciwnych. Jeśli teraz oba sygnały PRE i CLR wrócą do wartości 1 (neutralnej), to na wyjściach Q i Q ustali się stan 0-1 lub 1-0 (który to będzie zależy od wewnętrznych opóźnień w sieci logicznej przerzutnika).
Stan nieustalony pojawia się również dla stanów S = 1 i R = 1. Stan wyjść będzie zależał od wewnętrznych opóźnień w sieci logicznej. W normalnej pracy przerzutnika należy unikać tych stanów.
![]() |
| Opis parametru | 54L71 | Jednostka | |
| VCC | Napięcie zasilania | 4,5...5,5 | V |
| VIH | Napięcie wejściowe dla stanu 1 | 2 | V |
| VIL | Napięcie wejściowe dla stanu 0 | 0,7 | V |
| VOH | Napięcie wyjściowe dla stanu 1 | 2,5...3,4 | V |
| VOL | Napięcie wyjściowe dla stanu 0 | 0,25...0,4 | V |
| IIH | Prąd wejściowy w stanie 1, PRE, CLR | 80 | µA |
| Prąd wejściowy w stanie 1, pozostałe | 40 | ||
| IIL | Prąd wejściowy w stanie 0, PRE, CLR | -3,2 | mA |
| Prąd wejściowy w stanie 0, pozostałe | -1,6 | ||
| IOH | Prąd wyjściowy w stanie 1 | -0,1 | mA |
| IOL | Prąd wyjściowy w stanie 0 | 2 | mA |
| ICC | Prąd zasilania | 13...26 | mA |
| TA | Zakres temperatur pracy | -55...125 | °C |
| fmax | Zalecana częstotliwość | 2,5...3 | MHz |
| tPLH | Czas propagacji z 0 na 1, od PRE, CLR | 35...75 | ns |
| Czas propagacji z 0 na 1, od CLK | 10...75 | ||
| tPHL | Czas propagacji z 1 na 0, od PRE, CLR | 60...150 | ns |
| Czas propagacji z 1 na 0, od CLK | 10...150 | ||
| tw | Zalecana szerokość impulsu CLK = 1 | 200 | ns |
| Zalecana szerokość impulsu CLK = 0 | 200 | ||
| Zalecana szerokość impulsu PRE, CLR = 0 | 100 |
![]() |
Zespół Przedmiotowy Chemii-Fizyki-Informatyki w I Liceum Ogólnokształcącym im. Kazimierza Brodzińskiego w Tarnowie ul. Piłsudskiego 4 ©2026 mgr Jerzy Wałaszek |
Materiały tylko do użytku dydaktycznego. Ich kopiowanie i powielanie jest dozwolone pod warunkiem podania źródła oraz niepobierania za to pieniędzy.
Pytania proszę przesyłać na adres email:
Serwis wykorzystuje pliki cookies. Jeśli nie chcesz ich otrzymywać, zablokuj je w swojej przeglądarce.
Informacje dodatkowe.