|
Serwis Edukacyjny w I-LO w Tarnowie
Materiały dla uczniów liceum |
Wyjście Spis treści Wstecz Dalej
Autor artykułu: mgr Jerzy Wałaszek |
©2026 mgr Jerzy Wałaszek
|
![]() |
![]() |

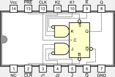
Układ 7470 zawiera przerzutnik JK z wejściami bramkowanymi AND oraz z wejściem ustawiającym i zerującym (ang. AND-gated JK positive triggered flip-flop with preset and clear).
![]() |
Przerzutnik, w przeciwieństwie do bramki, jest układem pamięciowym, tzn. jego stan wyjściowy zależy od stanów wejściowych oraz od stanu poprzedniego, który będziemy oznaczać tutaj jako Qn-1. Dzięki tym właściwością z przerzutników buduje się rejestry oraz liczniki. Przerzutniki typu JK są najbardziej uniwersalne i znajdują szerokie zastosowanie w technice cyfrowej. Przerzutnik zmienia swój stan przy dodatnim zboczu sygnału zegarowego (0 → 1).
| PRE | CLR | CLK | J | K | Q | Q |
| 0 | 1 | 0 | X | X | 1 | 0 |
| 1 | 0 | 0 | X | X | 0 | 1 |
| 0 | 0 | X | X | X | 0 | 0 |
| 1 | 1 | 0→1 | 0 | 0 | Qn-1 | Qn-1 |
| 1 | 1 | 0→1 | 1 | 0 | 1 | 0 |
| 1 | 1 | 0→1 | 0 | 1 | 0 | 1 |
| 1 | 1 | 0→1 | 1 | 1 | Qn-1 | Qn-1 |
| 1 | 1 | 0 | X | X | Qn-1 | Qn-1 |
Na czerwono zaznaczyliśmy stan niestabilny. Jeśli oba sygnały PRE i CLR mają jednocześnie stan logiczny 0, to na obu wyjściach przerzutnika pojawia się stan 0. Stan ten jest niepoprawny, ponieważ zgodnie z definicją przerzutnika wyjścia powinny znajdować się w stanach przeciwnych. Jeśli teraz oba sygnały PRE i CLR wrócą do wartości 1 (neutralnej), to na wyjściach Q i Q ustali się stan 0-1 lub 1-0 (który to będzie zależy od wewnętrznych opóźnień w sieci logicznej przerzutnika). W normalnej pracy przerzutnika należy unikać tych stanów.
Zasada działania przerzutnika JK jest taka, że zmiana stanu wyjść Q i Q odbywa się tuż po zboczu narastającym sygnału zegarowego CLK (po około 30ns). Z przedstawionej powyżej tabelki wynika, że dla J = 0 i K = 0 stan przerzutnika się nie zmieni, tzn. na wyjściach będzie taki stan, jaki panował przed dodatnim zboczem CLK. Jeśli J = 1 i K = 1, to narastające zbocze sygnału zegarowego CLK spowoduje zmianę stanów wyjść na przeciwne, tzn. jeśli przykładowo wcześniej było Q = 1 i Q = 0, to po zboczu narastającym CLK będzie Q = 0 i Q = 1. Pozostałe kombinacje ustawiają (J = 1, K = 0) lub zerują (J = 0, K = 1) wyjście Q. Wyjście Q ma zawsze stan przeciwny do Q, z wyjątkiem stanu niestabilnego, który opisaliśmy wyżej.
Jeśli wejścia J i K nie są używane, należy połączyć je z masą. Ustawianie lub zerowanie przerzutnika może być wykonane tylko wtedy, gdy sygnał CLK ma stan niski 0.
![]() 5470J 5470N |
![]() 5470W |
| Opis parametru | 5470 | 7470 | Jednostka | |
| VCC | Napięcie zasilania | 4,5...5,5 | 4,75...5,25 | V |
| VIH | Napięcie wejściowe dla stanu 1 | 2 | 2 | V |
| VIL | Napięcie wejściowe dla stanu 0 | 0,7 | 0,8 | V |
| VOH | Napięcie wyjściowe dla stanu 1 | 2,5...3,4 | 2,4...3,4 | V |
| VOL | Napięcie wyjściowe dla stanu 0 | 0,25...0,4 | 0,2...0,4 | V |
| IIH | Prąd wejściowy w stanie 1, PRE, CLR | 80 | 80 | µA |
| Prąd wejściowy w stanie 1, pozostałe | 40 | 40 | ||
| IIL | Prąd wejściowy w stanie 0, PRE, CLR | -3,2 | -3,2 | mA |
| Prąd wejściowy w stanie 0, pozostałe | -1,6 | -1,6 | ||
| IOH | Prąd wyjściowy w stanie 1 | -0,4 | -0,4 | mA |
| IOL | Prąd wyjściowy w stanie 0 | 16 | 16 | mA |
| ICC | Prąd zasilania | 13...26 | 13...26 | mA |
| TA | Zakres temperatur pracy | -55...125 | 0...70 | °C |
| fmax | Zalecana częstotliwość | 20...35 | 20...35 | MHz |
| tPLH | Czas propagacji z 0 na 1, od PRE, CLR | 50 | 50 | ns |
| Czas propagacji z 0 na 1, od CLK | 27..50 | 27..50 | ||
| tPHL | Czas propagacji z 1 na 0, od PRE, CLR | 50 | 50 | ns |
| Czas propagacji z 1 na 0, od CLK | 18...50 | 18...50 | ||
| tw | Zalecana szerokość impulsu CLK = 1 | 20 | 20 | ns |
| Zalecana szerokość impulsu CLK = 0 | 30 | 30 | ||
| Zalecana szerokość impulsu PRE, CLR = 0 | 25 | 25 |
![]() |
Zespół Przedmiotowy Chemii-Fizyki-Informatyki w I Liceum Ogólnokształcącym im. Kazimierza Brodzińskiego w Tarnowie ul. Piłsudskiego 4 ©2026 mgr Jerzy Wałaszek |
Materiały tylko do użytku dydaktycznego. Ich kopiowanie i powielanie jest dozwolone pod warunkiem podania źródła oraz niepobierania za to pieniędzy.
Pytania proszę przesyłać na adres email:
Serwis wykorzystuje pliki cookies. Jeśli nie chcesz ich otrzymywać, zablokuj je w swojej przeglądarce.
Informacje dodatkowe.