Serwis Edukacyjny
w I-LO w Tarnowie
Do strony głównej I LO w Tarnowie

Materiały dla uczniów liceum
 

  Wyjście       Spis treści       Wstecz       Dalej  

obrazek

Autor artykułu: mgr Jerzy Wałaszek

©2026 mgr Jerzy Wałaszek

7475 – cztery przerzutniki D Latch

7475

Oznaczenie graficzne przerzutnika D typu 7475

obrazek

Opis

Układ 7475 zawiera 4 przerzutniki D Latch (ang. 4-Bit Bistable Latches), które nadają się idealnie do wykorzystania w charakterze buforów pośredniczących pomiędzy układami przetwarzającymi dane a wejściem/wyjściem lub wskaźnikami. Przy wysokim poziomie logicznym na wejściu C informacja z wejścia D jest przesyłana na wyjście Q. Przy przejściu sygnału zegarowego C z poziomu wysokiego na niski na wyjściu Q zostaje zapamiętany (zatrząśnięty) stan, który utrzymywał się tu bezpośrednio przed zboczem opadającym C. Stan ten będzie trwał do momentu, aż sygnał C znów nie powróci do stanu wysokiego. Wtedy stan wyjścia Q będzie równy stanowi wejścia D.

Wewnętrzna sieć logiczna przerzutnika D Latch typu 7475

obrazek

Wewnętrzna sieć logiczna przerzutnika D Latch typu 74LS75

obrazek

Tabelka stanów przerzutnika D Latch typu 7475

C D Q Q
1 1 1 0
1 0 0 1
0 X Qn-1 Qn-1

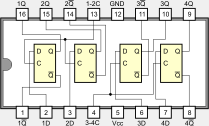
Obudowa DIL-16

obrazek

Wybrane parametry elektryczne

  Opis parametru 5475 7475 74LS75 Jednostka
VCC Napięcie zasilania 4,5...5,5 4,75...5,25 4,75...5,25 V
VIH Napięcie wejściowe dla stanu 1 2 2 2 V
VIL Napięcie wejściowe dla stanu 0 0,8 0,8 0,8 V
VOH Napięcie wyjściowe dla stanu 1 2,4...3,4 2,4...3,4 2,7...3,5 V
VOL Napięcie wyjściowe dla stanu 0 0,2...0,4 0,2...0,4 0,25...0,5 V
IIH Prąd wejściowy w stanie 1, D 80 80 20 µA
Prąd wejściowy w stanie 1, C 160 160 80
IIL Prąd wejściowy w stanie 0, D -3,2 -3,2 -0,4 mA
Prąd wejściowy w stanie 0, C -6,4 -6,4 -1,6
IOH Prąd wyjściowy w stanie 1 -0,4 -0,4 -0,4 mA
IOL Prąd wyjściowy w stanie 0 16 16 8 mA
ICC Prąd zasilania 32...46 32...53 6,3...12 mA
TA Zakres temperatur pracy -55...125 0...70 0...70 °C
tPLH Czas propagacji z 0 na 1, od D do Q 16...20 16...20 11...19 ns
Czas propagacji z 0 na 1, od C do Q 16...30 16...30 10...18
tPHL Czas propagacji z 1 na 0, od D do Q 14...25 14...25 9...17 ns
Czas propagacji z 1 na 0, od C do Q 7...15 7...15 10...18
tsu Czas przygotowania D przed  imp. zeg. 20 20 20 ns
th Czas utrzymania D po imp. zeg. 5 5 5 ns
tw Zalecana szerokość impulsu CLK = 1 20 20 20 ns

do podrozdziału  do strony 

Zespół Przedmiotowy
Chemii-Fizyki-Informatyki

w I Liceum Ogólnokształcącym
im. Kazimierza Brodzińskiego
w Tarnowie
ul. Piłsudskiego 4
©2026 mgr Jerzy Wałaszek

Materiały tylko do użytku dydaktycznego. Ich kopiowanie i powielanie jest dozwolone pod warunkiem podania źródła oraz niepobierania za to pieniędzy.
Pytania proszę przesyłać na adres email: i-lo@eduinf.waw.pl
Serwis wykorzystuje pliki cookies. Jeśli nie chcesz ich otrzymywać, zablokuj je w swojej przeglądarce.

Informacje dodatkowe.