Serwis Edukacyjny
w I-LO w Tarnowie
Do strony głównej I LO w Tarnowie

Materiały dla uczniów liceum
 

  Wyjście       Spis treści       Wstecz       Dalej  

obrazek

Autor artykułu: mgr Jerzy Wałaszek

©2026 mgr Jerzy Wałaszek

7476 – dwa przerzutniki JK z wejściami do ustawiania i zerowania

7476

Oznaczenie graficzne przerzutnika JK typu 7476

obrazek

Opis

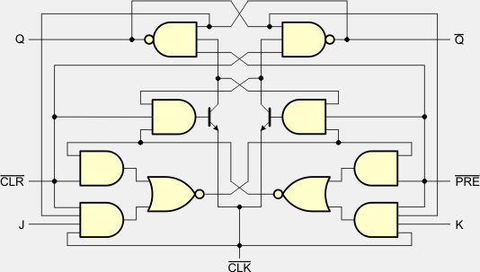
Układ 7476 zawiera dwa niezależne przerzutniki JK typu Master Slave z wejściami ustawiania i zerowania (ang. Dual JK Mater-Slave Flip-Flops with Preset and Clear). Przy stanie wysokim sygnału zegarowego stany wejść programujących J i K zostają przekazane do przerzutnika Master. Gdy sygnał zegarowy zmienia się z wysokiego na niski, stan przerzutnika Master jest zapisywany w przerzutniku Slave. Wejścia J i K nie powinny zmieniać stanu przy wysokim poziomie impulsu zegarowego.

Układ 74LS76A zawiera dwa niezależne przerzutniki JK z wejściami ustawiania i zerowania, które są wyzwalane przez ujemne zbocze sygnału zegarowego (ang. Dual JK negative-edge-triggered Flip Flops with Preset and Clear). Wejścia J i K muszą się ustalić na co najmniej 20ns przed wystąpieniem ujemnego zbocza w sygnale zegarowym.

Wewnętrzna sieć logiczna przerzutnika JK typu 74H78

obrazek

Wewnętrzna sieć logiczna przerzutnika JK typu 74LS76A

obrazek

Tabelka stanów przerzutnika JK typu 7476

PRE CLR CLK J K Q Q
0 1 X X X 1 0
1 0 X X X 0 1
0 0 X X X 1 1
1 1 obrazek 0 0 Qn-1 Qn-1
1 1 obrazek 1 0 1 0
1 1 obrazek 0 1 0 1
1 1 obrazek 1 1 Qn-1 Qn-1

Tabelka stanów przerzutnika JK typu 74LS76A

PRE CLR CLK J K Q Q
0 1 X X X 1 0
1 0 X X X 0 1
0 0 X X X 1 1
1 1 0 0 Qn-1 Qn-1
1 1 1 0 1 0
1 1 0 1 0 1
1 1 1 1 Qn-1 Qn-1
1 1 H X X Qn-1 Qn-1

Jeśli oba wejścia J i K mają stan logiczny 1, to impuls zegarowy spowoduje zmianę stanu wyjść na przeciwny.

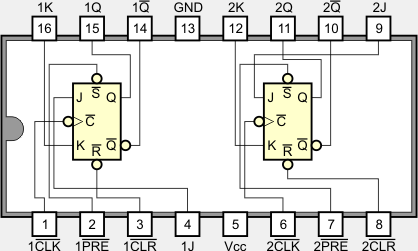
Obudowa DIL-16

obrazek

Wybrane parametry elektryczne

  Opis parametru 5476 7476 74LS76A Jednostka
VCC Napięcie zasilania 4,5...5,5 4,75...5,25 4,75...5,25 V
VIH Napięcie wejściowe dla stanu 1 2 2 2 V
VIL Napięcie wejściowe dla stanu 0 0,8 0,8 0,8 V
VOH Napięcie wyjściowe dla stanu 1 2,4...3,4 2,5...3,4 2,7...3,4 V
VOL Napięcie wyjściowe dla stanu 0 0,2...0,4 0,2...0,4 0,25...0,5 V
IIH Prąd wejściowy w stanie 1, J lub K 40 40 20 µA
Prąd wejściowy w stanie 1, CLK 80 80 80
Prąd wejściowy w stanie 1, pozostałe 80 80 60
IIL Prąd wejściowy w stanie 0, J lub K -1,6 -1,6 -0,4 mA
Prąd wejściowy w stanie 0, pozostałe -3,2 -3,2 -0,8
IOH Prąd wyjściowy w stanie 1 -0,4 -0,4 -0,4 mA
IOL Prąd wyjściowy w stanie 0 16 16 8 mA
ICC Prąd zasilania 10...20 10...20 4...6 mA
TA Zakres temperatur pracy -55...125 0...70 0...70 °C
fmax Zalecana częstotliwość 15...20 15...20 30...45 MHz
tPLH Czas propagacji z 0 na 1, od PRE lub CLR 16...25 16...25 15...20 ns
Czas propagacji z 0 na 1, od CLK 16...25 16...25 15...20
tPHL Czas propagacji z 1 na 0, od PRE lub CLR 25...40 25...40 15...20 ns
Czas propagacji z 1 na 0, od CLK 25...40 25...40 15...20
tsu Czas przygotowania J i K przed imp. zeg. 0 0 20...25 ns
tw Zalecana szerokość impulsu CLK = 1 20 20 20 ns
Zalecana szerokość impulsu CLK = 0 47 47 20
Zalecana szerokość impulsu PRE, CLR = 0 25 25 25

do podrozdziału  do strony 

Zespół Przedmiotowy
Chemii-Fizyki-Informatyki

w I Liceum Ogólnokształcącym
im. Kazimierza Brodzińskiego
w Tarnowie
ul. Piłsudskiego 4
©2026 mgr Jerzy Wałaszek

Materiały tylko do użytku dydaktycznego. Ich kopiowanie i powielanie jest dozwolone pod warunkiem podania źródła oraz niepobierania za to pieniędzy.
Pytania proszę przesyłać na adres email: i-lo@eduinf.waw.pl
Serwis wykorzystuje pliki cookies. Jeśli nie chcesz ich otrzymywać, zablokuj je w swojej przeglądarce.

Informacje dodatkowe.