Serwis Edukacyjny
w I-LO w Tarnowie
Do strony głównej I LO w Tarnowie

Materiały dla uczniów liceum
 

  Wyjście       Spis treści       Wstecz       Dalej  

obrazek

Autor artykułu: mgr Jerzy Wałaszek

©2026 mgr Jerzy Wałaszek

74164 – 8-bitowy rejestr przesuwający z wejściami szeregowymi i wyjściami równoległymi

74164

Oznaczenie graficzne rejestru przesuwającego typu 74164

obrazek

Opis

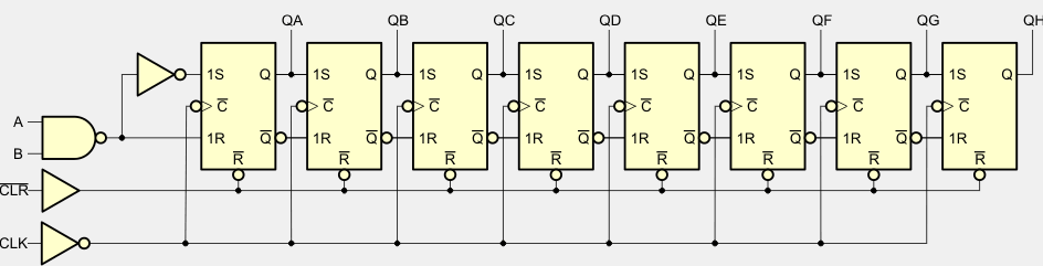
Układ 74164 zawiera 8-bitowy rejestr przesuwający, który zamienia dane szeregowe na równoległe (ang. 8-bit Parallel-out Serial Shift Register). Rejestr posiada dwa wejścia szeregowe A i B, z których jedno może służyć jako wejście danych, a drugie jako wejście bramkujące. Wejścia te określają stan wyjście pierwszego przerzutnika po przesuwie danych. Dane na tych wejściach można zmieniać w czasie, gdy sygnał zegarowy CLK ma poziom niski 0 lub wysoki 1, lecz dane powinny pozostać niezmienione przez czas ustalania wejścia. Przesuw danych w rejestrze następuje po zboczu narastającym (z 0 na 1) sygnału zegarowego.

Układ 74164 jest obecnie przestarzały, lecz wciąż dostępny w sprzedaży. Działanie rejestru określa tabelka funkcji.

Tabelka funkcji rejestru typu 74164

Wejścia Wyjścia
CLR CLK A B QA QB ... QH
0 X X X 0 0 ... 0
1 L X X QA0 QB0 ... QH0
1 1 1 1 QAn ... QGn
1 0 X 0 QAn ... QGn
1 X 0 0 QAn ... QGn
QX0 – statyczny stan wyjść
QXn – stan wyjść tuż przed dodatnim zboczem CLK

Sieć logiczna rejestru przesuwającego 74164

obrazek

Obudowa DIL-14

obrazek

Wybrane parametry elektryczne

  Opis parametru 54164 74164 74LS164 Jednostka
VCC Napięcie zasilania 4,5...5,5 4,75...5,25 4,75...5,25 V
VIH Napięcie wejściowe dla stanu 1 2 2 2 V
VIL Napięcie wejściowe dla stanu 0 0,8 0,8 0,8 V
VOH Napięcie wyjściowe dla stanu 1 2,4...3,2 2,4...3,2 2,7...3,5 V
VOL Napięcie wyjściowe dla stanu 0 0,2...0,4 0,2...0,4 0,25...0,5 V
IIH Prąd wejściowy w stanie 1 40 40 20 µA
IIL Prąd wejściowy w stanie 0 -1,6 -1,6 -0,4 mA
IOH Prąd wyjściowy w stanie 1 -0,4 -0,4 -0,4 mA
IOL Prąd wyjściowy w stanie 0 8 8 8 mA
ICC Prąd zasilania 30...54 30...54 16...27 mA
TA Zakres temperatur pracy -55...125 0...70 0...70 °C
tw Szerokość impulsów CLK lub CLR 20 20 20 ns
tsu Czas przygotowania danych 15...20 15...20 15...20 ns
th Czas utrzymania danych 5 5 5 ns
fCLK Częstotliwość zegara 25...36 25...36 25...36 MHz
tpLH Czas propagacji z 0 na 1, z CLK na Q 8...30 8...30 17...27 ns
tpHL Czas propagacji z 1 na 0, z CLR na Q 24...42 24...42 24...36 ns
Czas propagacji z 1 na 0, z CLK na Q 10...37 10...37 21...32

do podrozdziału  do strony 

Zespół Przedmiotowy
Chemii-Fizyki-Informatyki

w I Liceum Ogólnokształcącym
im. Kazimierza Brodzińskiego
w Tarnowie
ul. Piłsudskiego 4
©2026 mgr Jerzy Wałaszek

Materiały tylko do użytku dydaktycznego. Ich kopiowanie i powielanie jest dozwolone pod warunkiem podania źródła oraz niepobierania za to pieniędzy.
Pytania proszę przesyłać na adres email: i-lo@eduinf.waw.pl
Serwis wykorzystuje pliki cookies. Jeśli nie chcesz ich otrzymywać, zablokuj je w swojej przeglądarce.

Informacje dodatkowe.