|
Serwis Edukacyjny w I-LO w Tarnowie
Materiały dla uczniów liceum |
Wyjście Spis treści Wstecz Dalej
Autor artykułu: mgr Jerzy Wałaszek |
©2026 mgr Jerzy Wałaszek
|
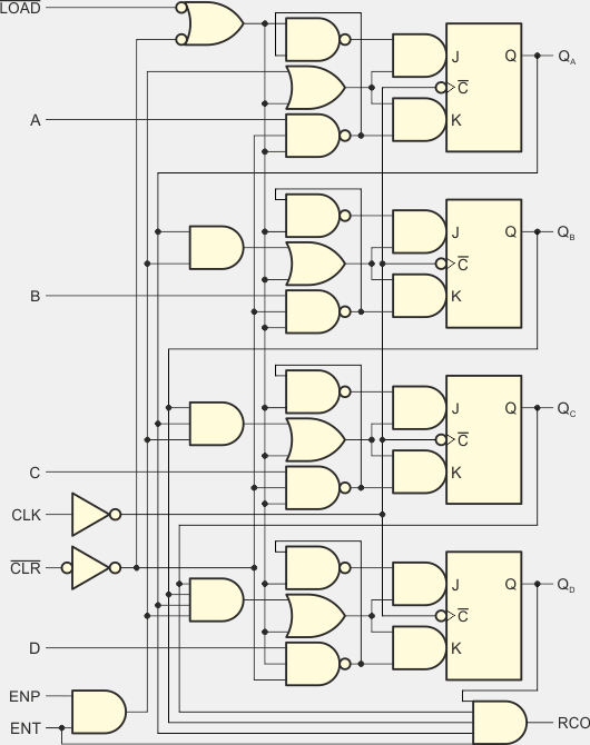
![]() |
Układ 74163 zawiera 4-bitowy synchroniczny licznik dwójkowy (ang. Synchronous 4-Bit Binary Counter). Liczniki synchroniczne różnią się od liczników asynchronicznych tym, iż stan wyjściowy zmienia się synchronicznie z impulsami zegarowymi, czyli nie występują opóźnienia pomiędzy bitami QA...QD. Układ posiada 6 wejść sterujących, 4 wejścia danych A...D, 1 wyjście przeniesienia rozpływowego RCO i cztery wyjścia danych QA...QD.
CLR – stan niski powoduje synchroniczne wyzerowanie licznika przy narastającym zboczu sygnału zegarowego CLK.
LOAD – stan niski powoduje wpisanie do przerzutnika stanu wejść A...D przy narastającym zboczu impulsu zegarowego CLK.
ENT i ENP – wejścia uaktywniające, muszą być w stanie wysokim 1, aby licznik zliczał. Wejście ENT dodatkowo uaktywnia wyjście przeniesienia rozpływowego RCO (ang. Ripple Carry Output). Przejście z 1 na 0 na wejściach ENT i ENP powinno nastąpić przy stanie wysokim wejścia zegarowego CLK.
CLK – wejście impulsów zegarowych. Zmiana stanu licznika następuje przy zboczu narastającym (0 → 1) impulsu zegarowego.
A...D – wejścia ustawiające stan licznika zostają wpisane do licznika przy stanie niskim na wejściu LOAD i przy narastającym zboczu sygnału zegarowego CLK.
RCO – wyjście przeniesienia rozpływowego. Pojawia się na nim dodatni impuls o szerokości impulsu QA, jeśli stan licznika przechodzi z 15 na 0 oraz wejście ENT jest w stanie wysokim 1. Wyjście to może posłużyć do uaktywnienia następnej sekcji liczącej.
QA...QD – wyjście licznika.
![]() |
![]() |
| Opis parametru | 54163 | 74163 | 74LS163 | Jednostka | ||
| VCC | Napięcie zasilania | 4,5...5,5 | 4,75...5,25 | 4,75...5,25 | V | |
| VIH | Napięcie wejściowe dla stanu 1 | 2 | 2 | 2 | V | |
| VIL | Napięcie wejściowe dla stanu 0 | 0,8 | 0,8 | 0,8 | V | |
| VOH | Napięcie wyjściowe dla stanu 1 | 2,4...3,4 | 2,4...3,4 | 2,7...3,4 | V | |
| VOL | Napięcie wyjściowe dla stanu 0 | 0,2...0,4 | 0,2...0,4 | 0,25...0,5 | V | |
| IIH | Prąd wejściowy w stanie 1 | CLK lub ENT | 80 | 80 | 40 | µA |
| Pozostałe | 40 | 40 | 20 | |||
| IIL | Prąd wejściowy w stanie 0 | CLK lub ENT | -3,2 | -3,2 | -0,8 | mA |
| Pozostałe | -1,6 | -1,6 | -0,4 | |||
| IOH | Prąd wyjściowy w stanie 1 | -0,8 | -0,8 | -0,4 | mA | |
| IOL | Prąd wyjściowy w stanie 0 | 16 | 16 | 8 | mA | |
| ICCH | Prąd zasilania, wyjścia w stanie 1 | 59...85 | 59...94 | 18...31 | mA | |
| ICCL | Prąd zasilania, wyjścia w stanie 0 | 63...91 | 63...101 | 19...32 | mA | |
| TA | Zakres temperatur pracy | -55...125 | 0...70 | 0...70 | °C | |
| tw(CLK) | Szerokość impulsów CLK | 25 | 25 | 25 | ns | |
| tw(CLR) | Szerokość impulsów CLR | 20 | 20 | 20 | ns | |
| tsu | Czas przygotowania danych | A,B,C,D | 20 | 20 | 20 | ns |
| ENP | 20 | 20 | 20 | |||
| LOAD | 25 | 25 | 20 | |||
| CLR | 20 | 20 | 20 | |||
| fCLK | Częstotliwość zegara | 0...25 | 0...25 | 0...25 | MHz | |
![]() |
Zespół Przedmiotowy Chemii-Fizyki-Informatyki w I Liceum Ogólnokształcącym im. Kazimierza Brodzińskiego w Tarnowie ul. Piłsudskiego 4 ©2026 mgr Jerzy Wałaszek |
Materiały tylko do użytku dydaktycznego. Ich kopiowanie i powielanie jest dozwolone pod warunkiem podania źródła oraz niepobierania za to pieniędzy.
Pytania proszę przesyłać na adres email:
Serwis wykorzystuje pliki cookies. Jeśli nie chcesz ich otrzymywać, zablokuj je w swojej przeglądarce.
Informacje dodatkowe.