Serwis Edukacyjny
w I-LO w Tarnowie
Do strony głównej I LO w Tarnowie

Materiały dla uczniów liceum
 

  Wyjście       Spis treści       Wstecz       Dalej  

obrazek

Autor artykułu: mgr Jerzy Wałaszek

©2026 mgr Jerzy Wałaszek

74165 – 8-bitowy rejestr przesuwający z wejściami równoległymi i wyjściami szeregowymi

74165

Oznaczenie graficzne rejestru przesuwającego typu 74165

obrazek

Opis

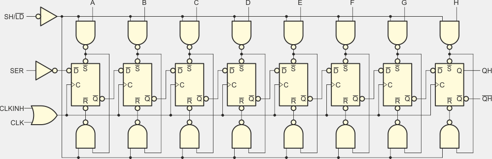
Układ 74165 zawiera 8-bitowy rejestr przesuwający, który zamienia dane równoległe na szeregowe (ang. Parallel-Load 8-bit Shift Register). Można powiedzieć, że rejestr 74165 pełni funkcję odwrotną do rejestru 74164. Układ posiada następujące wejścia i wyjścia:

SH/LD – wejście sterujące ładowaniem danych lub przesuwaniem informacji w rejestrze. Wstanie niskim do przerzutników rejestru zostaje zapisana informacja z wejść danych A...H. W stanie wysokim informacja w rejestrze może być przesuwana.
CLKINH – w stanie wysokim blokuje sygnał zegarowy, informacja nie jest przesuwana w rejestrze
CLK – sygnał zegarowy. Jeśli jest uaktywniony przez niski stan CLKINH oraz wysoki stan SH/LD, to narastające zbocze powoduje przesunięcie informacji przechowywanej w rejestrze o jeden bit w prawo.
SER – wejście szeregowe. Przy przesuwie informacji dana z wejścia SER zostaje wpisana do przerzutnika A.
A...H – szeregowe wejścia danych. Wpis następuje przy niskim stanie na wejściu SH/LD.
QH, QH – wyjście szeregowe z ostatniego przerzutnika H.

Układ 74165 jest obecnie przestarzały. Działanie rejestru określa tabelka funkcji.

Tabelka funkcji rejestru typu 74165

Wejścia Wewnątrz Wyjścia
SH/LD CLKINH CLK SER A...H QA QB QH QH
0 X X X a...h a b h h
1 0 0 X X QA0 QB0 QH0 QH0
1 0 1 X 1 QAn QGn QGn
1 0 0 X 0 QAn QGn QGn
1 1 X X X QA0 QB0 QH0 QH0
Q0 – stan początkowy
Qn – stan poprzedni przed przesunięciem

Sieć logiczna rejestru przesuwającego 74165

obrazek

Obudowa DIL-16

obrazek

Wybrane parametry elektryczne

  Opis parametru 54165 74165 74LS165 Jednostka
VCC Napięcie zasilania 4,5...5,5 4,75...5,25 4,75...5,25 V
VIH Napięcie wejściowe dla stanu 1 2 2 2 V
VIL Napięcie wejściowe dla stanu 0 0,8 0,8 0,8 V
VOH Napięcie wyjściowe dla stanu 1 2,4...3,4 2,4...3,4 2,7...3,5 V
VOL Napięcie wyjściowe dla stanu 0 0,2...0,4 0,2...0,4 0,25...0,5 V
IIH Prąd wejściowy w stanie 1 SH/LD 80 80 20 µA
Pozostałe 40 40 20
IIL Prąd wejściowy w stanie 0 SH/LD -3,2 -3,2 -0,4 mA
Pozostałe -1,6 -1,6 -0,4
IOH Prąd wyjściowy w stanie 1 -0,8 -0,8 -0,4 mA
IOL Prąd wyjściowy w stanie 0 16 16 8 mA
ICC Prąd zasilania 42...63 42...63 18...30 mA
TA Zakres temperatur pracy -55...125 0...70 0...70 °C
tw(CLK) Szerokość impulsów CLK 25 25 25 ns
tw(LD) Szerokość impulsu LD 15 15 25 ns
fCLK Częstotliwość zegara 0...25 0...25 0...25 MHz

do podrozdziału  do strony 

Zespół Przedmiotowy
Chemii-Fizyki-Informatyki

w I Liceum Ogólnokształcącym
im. Kazimierza Brodzińskiego
w Tarnowie
ul. Piłsudskiego 4
©2026 mgr Jerzy Wałaszek

Materiały tylko do użytku dydaktycznego. Ich kopiowanie i powielanie jest dozwolone pod warunkiem podania źródła oraz niepobierania za to pieniędzy.
Pytania proszę przesyłać na adres email: i-lo@eduinf.waw.pl
Serwis wykorzystuje pliki cookies. Jeśli nie chcesz ich otrzymywać, zablokuj je w swojej przeglądarce.

Informacje dodatkowe.