Przerzutniki


Tematy pokrewne   Podrozdziały
(w budowie)
  Przerzutnik SR
Przerzutnik D
Przerzutnik T
Zastosowania przerzutników

 

 

Przerzutnik SR

 
   
Przerzutnik (ang. flip flop) jest układem cyfrowym wyposażonym w pamięć. W przypadku bramki cyfrowej stan jej wyjścia jest bezpośrednio uzależniony od stanów panujących na wejściach – opisuje to funkcja logiczna realizowana przez bramkę. W przerzutniku jest nieco inaczej – zapamiętuje on swój stan wewnętrzny. Stan ten może być zmieniony przez odpowiednie wysterowanie wejść.

Pierwszy elektroniczny przerzutnik typu flip–flop wynaleziony został w roku 1919 przez dwóch naukowców – Williama Ecclesa i F.W. Jordana. Początkowo nazywano go układem przełączającym EcclesaJordana. Układ ten zbudowany był z dwóch aktywnych elementów elektronicznych – lamp elektronowych (pierwsze tranzystory powstały dopiero w 1949 roku). Angielska nazwa flip flop powstała później jako efekt naśladowania dźwięku wydawanego przez głośniki podłączone do wzmacniacza akustycznego sterowanego przez wymieniony przerzutnik.

Przerzutnik SR (od ang. SR flip flop lub – Set Reset – Ustaw, Zeruj) jest najprostszym rodzajem przerzutnika, który można zbudować z dwóch dwu wejściowych bramek NOR lub NAND. Przerzutnik powstaje dzięki sprzężeniu zwrotnemu (ang. feed back) wyjść z wejściami. Sprzężenie zwrotne powoduje, iż przerzutnik utrzymuje ostatni stan wyjść Qn-1 po przejściu stanów logicznych na wejściach w stan neutralny. Poniżej przedstawiamy symulację przerzutnika RS z bramek NAND i NOR. Kreska ponad symbolem wejścia lub wyjścia oznacza negację.

Przerzutnik SR z bramek NAND   Przerzutnik SR z bramek NOR
S R Q Q
0 1 1 0
1 0 0 1
1 1 Qn-1 Qn-1
0 0 1 1
     
S R Q Q
1 0 1 0
0 1 0 1
0 0 Qn-1 Qn-1
1 1 0 0

W przerzutniku SR zbudowanym z bramek NAND wejścia S i R są aktywne przy stanie 0. Stan 1 jest dla nich stanem neutralnym. Jeśli wejście S przejdzie w stan 0, to wymusi ono stan 1 na wyjściu Q. Przejście wejścia R w stan 0 wymusi stan 0 na wyjściu Q. Powrót wejść S i R do stanu neutralnego nie zmienia stanu logicznego wyjścia Q – przerzutnik zapamiętuje ustawiony stan logiczny. Jeśli oba wejścia S i R znajdą się w stanie niskim 0, będziemy mieli do czynienia ze stanem zabronionym – oba wyjścia Q i Q znajdą się w stanie wysokim 1. Powrót jednego z wejść S lub R do stanu neutralnego 1 wymusi odpowiedni stan przerzutnika. Problem jednakże pojawi się, jeśli oba wejścia S i R jednocześnie przejdą ze stanu 0 do stanu 1. W takim przypadku stan przerzutnika będzie zależał od wewnętrznych opóźnień  i wynik jest nieokreślony, tzn. na wyjściu Q może pojawić się zarówno stan 0 jak i stan 1 – nie da się przewidzieć, który z tych stanów ustali się w przerzutniku.

W przerzutniku SR zbudowanym z bramek NOR wejścia R i S są aktywne przy stanie logicznym 1. Stanem neutralnym jest dla nich stan 0. Jeśli wejście S przejdzie w stan 1, to wymusi ono stan 1 na wyjściu Q. Podobnie stan 1 na wejściu R wymusza stan 0 na wyjściu Q. Stanem zabronionym jest stan 1 na obu wejściach R i S przerzutnika. W takim przypadku oba wyjścia Q i Q przechodzą w stan 0. Jeśli teraz wejścia S i R przejdą jednocześnie w stan neutralny 0, to wynikowy stan wyjścia Q jest nieokreślony – może być równy 1 lub 0 w zależności od wewnętrznych opóźnień w sieci logicznej przerzutnika, nie daje się przewidzieć.

Przerzutniki SR często są stosowane do odczytu stanu przełączników mechanicznych. Przełączniki te mają taką własność, iż w momencie przełączenia styki często wykonują drgania sprężyste, co powoduje powstawanie serii krótkich impulsów napięciowych, które mogą być szkodliwe dla układów cyfrowych (taka seria będzie interpretowana jako kilka wciśnięć przycisku):

obrazek

Rozwiązaniem jest zastosowanie przerzutnika SR z bramek NAND.

obrazek

Drgania styków nie przeniosą się na wyjście, ponieważ sygnał wejściowy S lub R ustawi odpowiednio stan Y i ewentualne zmiany tego sygnału nie spowodują już zmiany poziomu logicznego wyjścia Y.

 

Ćwiczenie nr 12

W ramach ćwiczenia zbudujemy poniższy układ cyfrowy z przerzutnikiem SR na dwóch bramkach NAND układu SN7400.

SN7400: 4 x 2NAND

obrazek

Spis elementów:

Element Ilość Opis
zasilacz 5V 1 zasilanie elementów
płytka stykowa + kable 1 montaż elementów
SN7400 1 4 bramki NAND
opornik 1kΩ/0,125W 2 –(                )–
opornik 270Ω/0,125W 2 –(                )–
Dioda LED czerwona 2 stany wyjść Q i Q
mikroprzełącznik 2 stan 0/1 na wejściu
obrazek obrazek

Gdy nie jest naciśnięty żaden z dwóch przycisków, to na wejściach obu bramek pojawia się stan logiczny 1, ponieważ są one podłączone do +5V poprzez oporniki 1kΩ. Przy takich sygnałach sterujących przerzutnik utrzymuje (pamięta) ostatni swój stan. Jeśli teraz naciśniemy przycisk S, to wejście górnej bramki zostanie zwarte do masy, a zatem otrzyma stan logiczny 0. Spowoduje to wymuszenie stanu 1 na wyjściu tej bramki i zapali się dioda Q. Wyjście górnej bramki jest połączone z wejściem bramki dolnej. Zatem na obu wejściach dolnej bramki pojawi się stan logiczny 1. Bramka dolna ustawi na swoim wyjściu stan 0 i dioda Q zgaśnie (jeśli wcześniej była zapalona). Ponieważ układ jest symetryczny, to przy naciśnięciu przycisku R na wyjściu dolnej bramki pojawi się stan 1 i wymusi on stan 0 na wyjściu bramki górnej. A zatem przerzutnik przejdzie w stan "odwrotny". Ponieważ naciśnięcie przycisku S ustawia wyjście Q w stan 1, wejście to nosi nazwę wejścia ustawiającego i jest oznaczane literką S (ang. Set). Kreseczka u góry oznacza, że aktywnym stanem (przełączającym przerzutnik) jest stan logiczny 0. Podobnie, naciśnięcie przycisku R wymusza na wyjściu Q stan 0 i dlatego wejście to nosi nazwę wejścia zerującego (ang. Reset). Jeśli naciśniesz oba przyciski naraz, to na obu wyjściach przerzutnika pojawi się stan logiczny 1 i obie diody zapalą się. Jest to stan zabroniony (nie w sensie jakiegoś zakazu, lecz w tym stanie wyjścia Q i Q nie są w stanach przeciwnych).

obrazek    obrazek

 

 

 

Przerzutnik D

 
   
Kolejny rodzaj przerzutnika to przerzutnik D. Literka D w nazwie pochodzi od angielskiego słowa data, które oznacza dane. Przerzutnik ten posiada dwa wejścia D i C oraz dwa wyjścia Q i Q. Na schematach przerzutnik D (oraz inne przerzutniki) oznacza się najczęściej za pomocą prostokąta z zaznaczonymi wejściami i wyjściami. Kółeczko na wyjściu Q oznacza, że jego stan jest zanegowany w stosunku do wyjścia Q. Poniżej masz również symulację sieci logicznej tego przerzutnika oraz tabelkę stanów dla wyjścia Q. Drugie wyjście Q ma zawsze stan przeciwny.
obrazek         
D C Q
X 0 Qn-1
0 1 0
1 1 1

Wejście D jest wejściem informacyjnym. Wejście C to tzw. wejście taktujące, zegarowe (ang. C = Clock). Jeśli na tym wejściu panuje stan wysoki 1, to wyjście Q przyjmuje stan wejścia D. Gdy wejście C przejdzie w stan niski 0, to na wyjściu Q zostanie "zatrzaśnięty" stan wejścia D, który był przed tą zmianą. Z tego powodu tego typu przerzutnik nosi nazwę zatrzasku (ang. latch).

Sieć logiczna przerzutnika D typu latch składa się z dwóch bramek tworzących poznany wcześniej przerzutnik RS oraz dodatkowych dwóch bramek sterujących. Jeśli na wejściu C panuje stan 0, to na wyjściu obu bramek sterujących pojawiają się stany wysokie 1, które podawane są na oba wejścia przerzutnika RS. Ponieważ dla przerzutnika RS z bramek NAND są to stany nieaktywne, pamięta on swój poprzedni stan. Jeśli teraz na wejściu C pojawi się stan wysoki, to stan wyjść bramek sterujących będzie zależał od stanu wejścia D. Dla D równego 0 na wyjściu górnej bramki sterującej będzie stan 1, a na wyjściu dolnej będzie stan 0. Spowoduje to przełączenie wyjścia Q na stan niski 0, czyli taki sam jak na wejściu D. Jeśli na wejściu D pojawi się stan 1, to wyjście górnej bramki sterującej przyjmie stan 0, a wyjście dolnej bramki stan 1. Spowoduje to przełączenie wyjścia Q w stan 1, czyli znów taki sam jak stan wejścia D.

Aby przetestować przerzutnik D latch, zbudujemy prostą sieć logiczną. Do 4 bramek NAND tworzących przerzutnik D latch dodamy dwa inwertery NOT, aby wygodnie sterować sygnałami wejściowymi – dzięki nim naciśnięcie przycisku będzie podawało stan 1 na wejścia przerzutnika D.

SN7400: 4 x 2NAND
obrazek
SN7404: 6 x NOT
obrazek

Spis elementów:

Element Ilość Opis
zasilacz 5V 1 zasilanie elementów
płytka stykowa + kable 1 montaż elementów
SN7400 1 4 bramki NAND
SN7404 1 6 bramek NOT
opornik 1kΩ/0,125W 2 –(                )–
opornik 270Ω/0,125W 4 –(                )–
Dioda LED czerwona 4 D, C, Q i Q
mikroprzełącznik 2 stan 0/1 dla D i C
obrazek
obrazek

Zasada działania układu jest następująca. Jeśli przycisk C nie jest wciśnięty, to przerzutnik pamięta swój ostatni stan. Naciskanie przycisku D nie wpływa na stan przerzutnika. Jeśli jest wciśnięty przycisk C, to przerzutnik ustawia się zgodnie ze stanem przycisku D: przycisk D niewciśnięty, na wyjściu Q otrzymujemy stan 0, przycisk D wciśnięty, na wyjściu Q otrzymujemy stan 1. Zwolnienie przycisku C powoduje zapamiętanie aktualnego stanu przerzutnika.

obrazek

 

Przerzutniki D latch są produkowane jako gotowe do zastosowania układy scalone:

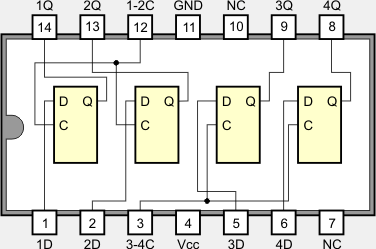
SN7475 – cztery przerzutniki D typu Latch

obrazek

SN7477 – cztery przerzutniki D typu Latch

obrazek

 

Przerzutnik D Latch jest wyzwalany stanem wysokim na wejściu zegarowym C. Istnieją również rozwiązania przerzutników D, gdzie zapamiętanie stanu wejścia D następuje tylko w bardzo krótkim czasie, gdy sygnał zegarowy zmienia swój poziom, np. z 1 na 0 lub z 0 na 1. Mówimy wtedy o przerzutniku wyzwalanym zboczem sygnału zegarowego. Gdy sygnał zegarowy ma stały poziom, zmiany na wejściu D nie przenoszą się na wyjście Q.

Tego typu przerzutnik można zbudować z dwóch przerzutników D Latch pracujących w tzw. trybie Master–Slave (pan–sługa). Poniżej przedstawiona jest symulacja takiego przerzutnika.

 

obrazek     
D C Q
X X Qn-1
0 1→0 0
1 1→0 1

 

Przeanalizujmy ten układ.

  • Jeśli wejście zegarowe C znajduje się w stanie wysokim, to aktywny jest przerzutnik Master. Stan jego wejścia D przenosi się na wyjście Q, a stamtąd na wejście D przerzutnika Slave. Jednakże przerzutnik Slave jest nieaktywny – na jego wejściu C panuje stan niski z wyjścia bramki NOT. Zatem Slave nie zmienia stanu wyjść, pamięta swój ostatni stan. Zmiany poziomu sygnału na wejściu D układu nie przenoszą się na wyjście Q.
  • Jeśli wejście zegarowe C jest w stanie niskim, to przerzutnik Master jest nieaktywny i pamięta swój stan poprzedni. Z kolei przerzutnik Slave jest aktywny, lecz na jego wejściu D panuje stan wyjścia Q przerzutnika Master, a ten nie zmienia się. Zmiany poziomu sygnału na wejściu D układu nie przenoszą się na wyjście Q.
  • Przy ujemnym zboczu sygnału zegarowego (przejście z 1 na 0) przerzutnik Master zatrzaskuje stan swojego wejścia D przekazując go poprzez wyjście Q na wejście D przerzutnika Slave. Ten z kolei się odblokowuje i przesyła stan swojego wejścia D na wyjście Q. Zatem na wyjściu Q pojawia się stan wejścia D układu, jaki panował tuż przed zmianą poziomu sygnału zegarowego z 1 na 0.

Zwróć uwagę na sposób oznaczenia wejścia zegarowego C. Nie jest on przypadkowy i informuje nas o sposobie wyzwalania zmiany stanu przerzutnika. Stosuje się następujące oznaczenia dla wejść:

 

obrazek wyzwalanie poziomem 1
obrazek wyzwalanie poziomem 0
obrazek wyzwalanie zboczem dodatnim: 0 → 1
obrazek wyzwalanie zboczem ujemnym: 1 → 0

 

Przemysł elektroniczny produkuje gotowe układy scalone zawierające przerzutniki D wyzwalane zboczem dodatnim (przejście sygnału zegarowego z 0 na 1). Często przerzutniki te wyposaża się w dodatkowe dwa wejścia:

  • PRE/SET – wejście ustawiające stan wyjścia Q na 1
  • CLR/RES – wejście ustawiające stan wyjścia Q na 0

Dla wymienionych wejść obowiązują stany zabronione, jak dla przerzutnika SR (po prostu człon SLAVE jest zwykle realizowany jako przerzutnik SR).

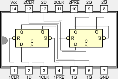
Poniżej przedstawiamy układ scalony SN7474 zawierający dwa przerzutniki D wyzwalane zboczem narastającym (dodatnim) sygnału zegarowego C. W tabelce stanów kolorem czerwonym zaznaczyliśmy stan zabroniony sygnałów wejściowych.

 

obrazek SN7474 – dwa przerzutniki D

    obrazek   

Wejścia Wyjścia
PRE CLR CLK D Q Q
0 1 X X 1 0
1 0 X X 0 1
0 0 X X 1 1
1 1 0→1 0 0 1
1 1 0→1 1 1 0
1 1 X X Qn-1 Qn-1

 

 

 

Przerzutnik T

 
   
Przerzutnik T (ang. Toggle = Zmiana) przy każdym dodatnim zboczu sygnału zegarowego C (przejście ze stanu 0 do stanu 1) zmienia stany wyjść na przeciwne. Przerzutnik T nie jest produkowany w formie układu scalonego. Jednakże nie stanowi to żadnego problemu, gdyż można go w prosty sposób zbudować z przerzutnika D wyzwalanego zboczem (przerzutnik D Latch nie nadaje się do tego celu)..

 

Przerzutnik T
z przerzutnika D
C Q
X Qn-1
0→1 Qn-1

 

Działanie powyższego układu opiera się na tym, iż do wejścia danych D jest zawsze doprowadzany sygnał o stanie przeciwnym niż panuje na wyjściu Q. Jeśli teraz sygnał zegarowy aktywuje przerzutnik, to na jego wyjściu Q pojawi się stan przeciwny przeniesiony z wejścia D. Zatem przy każdej aktywacji przerzutnika wejściem zegarowym C jego stan zmienia się na przeciwny.

 

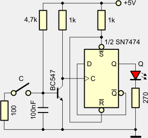
Ćwiczenie nr 13

Jako ćwiczenie zbudujemy przerzutnik T z przerzutnika D wyzwalanego zboczem dodatnim (SN7474). Na płytce stykowej zmontuj poniższy układ:

 

SN7474 – dwa przerzutniki D wyzwalane zboczem dodatnim
obrazek
     BC547 npn
obrazek

 

Spis elementów:

Element Ilość Opis
zasilacz 5V 1 zasilanie elementów
płytka stykowa + kable 1 montaż elementów
SN7474 1 2 przerzutniki D
opornik 4,7kΩ/0,125W 1 –(                )–
opornik 1kΩ/0,125W 2 –(                )–
opornik 270Ω/0,125W 1 –(                )–
opornik 100Ω/0,125W 1 –(                )–
kondensator 100nF 1 tłumienie drgań styku
tranzystor BC547 1 negacja sygnału C
dioda LED czerwona 1 stan wyjścia Q
mikroprzełącznik 1 sygnał C
obrazek obrazek

 

Układ działa następująco:

Gdy zostanie włączone zasilanie, kondensator 100nF będzie ładowany poprzez opornik 4,7k. Napięcie na kondensatorze będzie rosło, aż osiągnie poziom przewodzenia złącza baza-emiter tranzystora. W takim stanie tranzystor jest otwarty i przewodzi prąd na złączu kolektor-emiter. Powoduje to podawanie stanu niskiego 0 na wejście C przerzutnika.

Gdy naciśniemy przycisk, to kondensator będzie się rozładowywał poprzez opornik 100Ω i napięcie na nim spadnie poniżej 0,6V (do około 0,1V, co wymusi dzielnik z oporników 4,1k i 100Ω). Spowoduje to zablokowanie tranzystora i wzrost napięcia na złączu kolektor-emiter. W efekcie na wejście C przerzutnika zostanie podany poziom wysoki i przerzutnik przełączy się w stan przeciwny. Kondensator i oporniki na wejściu mają za zadanie zniwelować drgania styków przełącznika. Dzięki kondensatorowi krótka przerwa w zwarciu nie spowoduje nagłego wzrostu napięcia na kondensatorze, ponieważ musi się on naładować (jeśli tego nie rozumiesz, to wróć do rozdziału o kondensatorach). Z kolei tranzystor ma za zadanie odwrócić poziom niski, który wymusi przełącznik, na poziom wysoki. Pełni on zatem funkcję prymitywnego inwertera.

Każde naciśnięcie przycisku zmienia stan wyjścia Q przerzutnika na przeciwny. Dioda zapala się, a po ponownym naciśnięciu przycisku gaśnie. Przerzutnik D zamienia się w przerzutnik T.

 

obrazek

 

Oprócz przerzutników SR i D spotyka się również inne ich typy. Więcej na ich temat znajdziesz tutaj oraz w artykule o układach cyfrowych.

 

 

Zastosowania przerzutników

 
   
Przerzutniki są powszechnie stosowane w układach cyfrowych. Wchodzą w skład procesorów, liczników, rejestrów oraz innych układów, w których należy zapamiętywać stan sygnałów cyfrowych. Poniżej przedstawiamy typowe zastosowania wybranych przerzutników.

 

Rejestr pamięciowy

obrazek

Rejestr jest układem cyfrowym, który umożliwia zapamiętanie określonej liczby bitów informacji. Rejestry można budować z dowolnych przerzutników wyzwalanych zboczem lub poziomem sygnału zegarowego. Powyższy rejestr z przerzutników D Latch zapamiętuje stan 4 bitów podanych na wejścia D0...D3, gdy sygnał zegarowy C przejdzie w stan niski 0. Zapamiętaną informację można odczytywać z wyjść Q0...Q3.

 

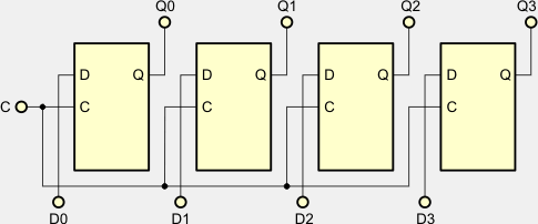
Rejestr przesuwający

obrazek

Z przerzutników D wyzwalanych zboczem buduje się tzw. rejestry przesuwające (zwane również rejestrami szeregowo równoległymi SIPO [ang. serial-in parallel-out], ponieważ informacja jest wprowadzana szeregowo bit po bicie, a odczytywana równolegle z wyjść Q przerzutników). Ponieważ wyjścia Qi przerzutników są połączone z wejściami Di+1 następnych przerzutników, to każda zmiana poziomu sygnału C z 0 na 1 powoduje przesunięcie pamiętanej informacji o 1 bit w prawo. Do pierwszego przerzutnika trafia informacja z wejścia szeregowego X.

 

Licznik dwójkowy

obrazek

Licznik jest układem zliczającym impulsy. Można go zbudować z przerzutników T połączonych ze sobą szeregowo. Powstaje wtedy tzw. licznik asynchroniczny. Przerzutniki T powinny być wyzwalane ujemnym zboczem zegarowym. Na wyjściach Q0...Q3 pojawia się liczba dwójkowa określająca ilość zliczonych impulsów zegarowych:

Q3 Q2 Q1 Q0 L
0 0 0 0 0
0 0 0 1 1
0 0 1 0 2
0 0 1 1 3
0 1 0 0 4
0 1 0 1 5
0 1 1 0 6
0 1 1 1 7
1 0 0 0 8
1 0 0 1 9
1 0 1 0 10
1 0 1 1 11
1 1 0 0 12
1 1 0 1 13
1 1 1 0 14
1 1 1 1 15

Opisane tutaj układy spotkasz później w mikrokontrolerach. Dlatego jest ważne, abyś zrozumiał zasadę ich działania. Przemysł elektroniczny produkuje układy scalone zawierające gotowe do wykorzystania rejestry i liczniki. Temat ten jest bardzo obszerny i będziemy go poznawać w miarę potrzeb.

 


   I Liceum Ogólnokształcące   
im. Kazimierza Brodzińskiego
w Tarnowie

©2026 mgr Jerzy Wałaszek

Dokument ten rozpowszechniany jest zgodnie z zasadami licencji
GNU Free Documentation License.

Pytania proszę przesyłać na adres email: i-lo@eduinf.waw.pl

W artykułach serwisu są używane cookies. Jeśli nie chcesz ich otrzymywać,
zablokuj je w swojej przeglądarce.
Informacje dodatkowe