|
Wyjście Spis treści Wstecz Dalej
Autor artykułu |
©2026 mgr Jerzy Wałaszek
|

If you use Microchip copyrighted material solely for educational (non-profit) purposes falling under the “fair use” exception of the U.S. Copyright Act of 1976 then you do not need Microchip’s written permission. For example, Microchip’s permission is not required when using copyrighted material in: (1) an academic report, thesis, or dissertation; (2) classroom handouts or textbook; or (3) a presentation or article that is solely educational in nature (e.g., technical article published in a magazine).
https://www.microchip.com/about-us/legal-information/copyright-usage-guidelines

Zegar mikroprocesora jest kierowany do elementów systemu związanych z działaniem rdzenia AVR. Przykładami takich modułów są: zestaw rejestrów ogólnego przeznaczenia, rejestr stanu i pamięć danych przechowująca wskaźnik stosu. Zatrzymanie zegara mikroprocesora uniemożliwia rdzeniowi wykonywanie operacji ogólnych oraz obliczeń.
Zegar we/wy używany jest przez większość modułów we/wy, takich jak timer/licznik. Zegar we/wy używany jest również przez moduł przerwania zewnętrznego, jednakże zwróć uwagę, iż niektóre przerwania zewnętrzne są wykrywane przez logikę asynchroniczną, co pozwala na ich wykrywanie nawet przy zatrzymanym zegarze we/wy.
Zegar FLASH steruje działaniem interfejsu pamięci FLASH. Zegar FLASH jest zwykle aktywny równocześnie z zegarem mikroprocesora.
Przetwornik Analogowo/Cyfrowy wyposażony został w dedykowany zegar. Pozwala to zatrzymać zegar mikroprocesora i zegar we/wy w celu zmniejszenia szumów generowanych przez obwody cyfrowe. W rezultacie otrzymuje się dokładniejsze wyniki przetwarzania analogowo/cyfrowego.
Wewnętrzna pętla PLL w ATtiny25/45/85 generuje częstotliwość zegarową osiem razy wyższą od źródłowej częstotliwości wejściowej. Standardowo pętla PLL wykorzystuje jako źródło wyjście wewnętrznego oscylatora RC 8 MHz. Alternatywnie po ustawieniu bitu LSM w rejestrze PLLCSR pętla PLL będzie wykorzystywać wyjście oscylatora RC podzielone przez 2. Stąd jako wyjście z PLL zegar szybkich peryferiów ma częstotliwość 64MHz. Zegar ten lub zegar preskalowany z tej wartości może zostać wybrany na źródło zegarowe dla timera/licznika 1 lub jako zegar systemowy. Zobacz na rysunek poniżej. Częstotliwość zegara szybkich peryferiów jest dzielona przez dwa, gdy zostanie ustawiony bit LSM w rejestrze PLLCSR, co da w wyniku częstotliwość 32MHz. Zwróć uwagę, iż bitu LSM nie można ustawić, jeśli zegar PLLCLK jest używany jako zegar systemowy.

Pętla PLL jest na stałe połączona z oscylatorem RC i regulacja oscylatora RC poprzez rejestr OSCCAL spowoduje jednoczesną regulację częstotliwości zegara szybkich peryferiów. Jednakże. nawet jeśli oscylator RC zostanie ustawiony na wyższej częstotliwości niż 8MHz, zegar szybkich peryferiów wysyca się przy 85MHz (najgorszy przypadek) i pozostaje przy tej górnej granicy. Należy zwrócić uwagę, iż w tym przypadku pętla PLL nie jest sprzężona fazowo z oscylatorem RC. Dlatego nie zaleca się ustawień OSCCAL na wyższe częstotliwości niż 8MHz, inaczej pętla PLL nie będzie pracować w poprawnym zakresie roboczym. Pętla PLL jest włączana, gdy:
Bit PLOCK w rejestrze PLLCSR zostaje ustawiony, gdy pętla PLL jest sprzężona. W trybach uśpienia wyłączenia zasilania i gotowości wyłączone zostają wewnętrzny oscylator RC oraz pętla PLL.
Ponieważ mikrokontroler ATtiny25/45/85 jest ulepszoną wersją dla użytkowników ATtiny15, to istnieje tryb kompatybilności z ATtiny15 dla wstecznej kompatybilności. Tryb kompatybilności z ATtiny15 zostaje wybrany po zaprogramowaniu bitów bezpiecznikowych CKSEL na ‘0011’. W trybie kompatybilności częstotliwość wewnętrznego oscylatora RC zostaje skalibrowana w dół na 6,4MHz, a współczynnik mnożenia PLL jest ustawiany na 4x. Zobacz na rysunek poniżej. Przy tych ustawieniach system zegarowy staje się kompatybilny z ATtiny15 i wynikowy zegar szybkich peryferiów ma częstotliwość 25,6MHz (tyle samo co w ATtiny15).

Zauważ, iż tryb niskiej prędkości nie został zaimplementowany w trybie kompatybilności z ATtiny15.
| Opcja zegarowa | CKSEL[3:0](1) |
| Zegar zewnętrzny | 0000 |
| Zegar PLL o wysokiej częstotliwości | 0001 |
| Wewnętrzny oscylator kalibrowany | 0010(2) |
| Wewnętrzny oscylator kalibrowany | 0011(3) |
| Wewnętrzny oscylator 128 kHz | 0100 |
| Kryształ kwarcu o niskiej częstotliwości | 0110 |
| Kwarc/rezonator ceramiczny | 1000 – 1111 |
| Zarezerwowane | 0101, 0111 |
W kolejnych podrozdziałach opisane są różne warianty dla każdej z opcji zegarowych. Gdy mikroprocesor wybudza się z trybu wyłączenia zasilania lub trybu oszczędzania energii, to wybrane źródło zegarowe jest używane do odmierzania czasu startu, upewniając się o stabilnej pracy oscylatora przed rozpoczęciem wykonywania instrukcji. Gdy mikroprocesor startuje po resecie, pojawia się dodatkowe opóźnienie, które pozwala napięciu zasilającemu osiągnąć stabilny poziom przed rozpoczęciem normalnego działania. Do odmierzania tej części czasu uruchamiania używany jest oscylator licznika zegarowego. Poniższa tabela pokazuje liczbę cykli tego oscylatora do przekroczenia okresu zliczania w liczniku zegarowym:
| Okres licznika zegarowego | Liczba cykli |
| 4 ms | 512 |
| 64 ms | 8K (8192) |
Aby uruchomić mikrokontroler na zegarze zewnętrznym, końcówka CLKI powinna być sterowana jak na poniższym obrazku. W tym przypadku bity bezpiecznikowe CKSEL0:1 powinny zostać zaprogramowane na "00".

Gdy to źródło zegara zostało wybrane, czasy uruchamiania są określane przez bity bezpiecznikowe SUT wg poniższej tabeli:
| SUT1:0 | Czas uruchamiania po wybudzeniu z trybu wyłączenia | Dodatkowe opóźnienie z resetu | Zalecane zastosowanie |
| 00 | 6 CK | 14 CK | Włączone BOD |
| 01 | 6 CK | 14 CK + 4 ms | Szybko narastające zasilanie |
| 10 | 6 CK | 14 CK + 64 ms | Wolno narastające zasilanie |
| 11 | Zarezerwowane | ||
Gdy stosowany jest zegar zewnętrzny, wymaga się unikania nagłych zmian w stosowanej częstotliwości zegara w celu zapewnienia stabilnego działania mikrokontrolera. Zmiana w częstotliwości większa niż 2% z jednego cyklu do następnego może prowadzić do nieprzewidywalnego zachowania. Wymaga się, aby podczas takich zmian w częstotliwości zegarowej zapewnić utrzymywanie mikrokontrolera w stanie resetu.
Zwróć uwagę, iż preskaler zegara systemowego może być używany do implementacji w trakcie pracy zmian częstotliwości wewnętrznego zegara przy jednoczesnym zapewnieniu stabilnego działania.
Wewnętrzna pętla PLL dostarcza docelowo zegara 64MHz sprzężonego z oscylatorem RC do użytku w timerze/liczniku 1 oraz jako źródło zegara systemowego. Jeśli zegar ten zostanie wybrany jako źródło zegara systemowego, przez zaprogramowanie bitów bezpiecznikowych CKSEL na '0001', to będzie dzielony przez 4, jak w poniższej tabelce:
| CKSEL[3:0] | Częstotliwość znamionowa |
| 0001 | 16 MHz |
Gdy zostanie wybrane to źródło zegarowe, czasy uruchamiania będą określone przez bity bezpiecznikowe SUT wg poniższej tabelki:
| SUT1:0 | Czas uruchamiania po wybudzeniu z trybu wyłączenia | Dodatkowe opóźnienie z resetu (VCC = 5V) | Zalecane zastosowanie |
| 00 | 14CK + 1K (1024) CK + 4 ms | 4 ms | Włączone BOD |
| 01 | 14CK + 16K (16384) CK + 4 ms | 4 ms | Szybko narastające zasilanie |
| 10 | 14CK + 1K (1024) CK + 64 ms | 4 ms | Wolno narastające zasilanie |
| 11 | 14CK + 16K (16384) CK + 64 ms | 4 ms | Wolno narastające zasilanie |
Standardowo wewnętrzny oscylator RC dostarcza zegara o częstotliwości zbliżonej do 8 MHz. Chociaż jest on zależny od napięcia i temperatury, to jednak użytkownik może go bardzo dokładnie skalibrować. Zobacz do podrozdziałów "Dokładność wewnętrznego oscylatora kalibrowanego RC" i " Prędkość wewnętrznego oscylatora". Mikrokontroler sprzedawany jest z zaprogramowanym bitem bezpiecznikowym CKDIV8. Zobacz do podrozdziału "Preskaler zegara systemowego".
Zegar ten można wybrać na zegar systemowy przez zaprogramowanie bitów bezpiecznikowych pokazanych w tabelce poniżej. Jeśli zostanie wybrany, będzie pracował bez żadnych elementów zewnętrznych. Podczas resetu sprzętowo ładowana jest do rejestru OSCAL zaprogramowana wcześniej wartość kalibracyjna, co powoduje automatyczną kalibrację oscylatora RC.
Zmieniając zawartość rejestru OSCAL możliwe jest uzyskanie większej dokładności kalibracji niż kalibracja fabryczna.
Gdy ten oscylator został wybrany na zegar układu, to oscylator licznika zegarowego będzie wciąż używany przez timer licznika zegarowego oraz do odmierzania opóźnień przy resecie.
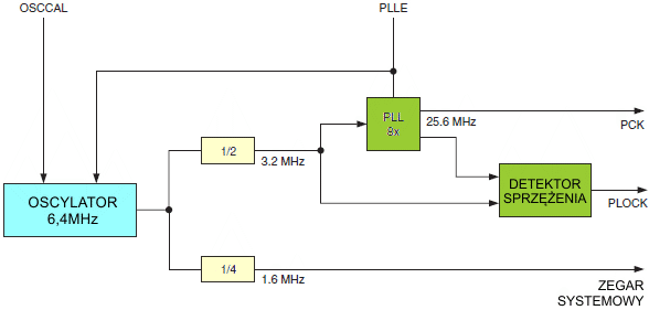
Wewnętrzny oscylator można również ustawić na dostarczanie zegara 6,4 MHz przez zapis bitów bezpiecznikowych CKSEL wartością "0011", jak pokazano w poniższej tabelce. Ostawienie to odnosi się do trybu kompatybilności z ATtiny15 i ma za zadanie dostarczyć źródła zegarowego 6,4 MHz, jak w ATtiny15, w celu generowania sygnału zegarowego peryferiów 25,6 MHz dla timera/licznika 1 (zobacz do rozdziału "8-bitowy timer/licznik 1 w trybie ATtiny15"). Zauważ, iż w tym trybie pracy sygnał zegara 6,4 MHz jest zawsze dzielony przez cztery, dostarczając zegara systemowego 1,6 MHz.
Tryby pracy kalibrowanego oscylatora wewnętrznego
| CKSEL[3:0] | Częstotliwość nominalna |
| 0010(1) | 8,0 MHz |
| 0011(2) | 6,4 MHz |
Po wyborze oscylatora 8 MHz, jako źródło zegarowe czasy uruchamiania są określane przez bity bezpiecznikowe SUT, jak pokazano w poniższej tabeli:
| SUT[1:0] | Czas uruchamiania po wybudzeniu z trybu wyłączenia/oszczędzania | Dodatkowe opóźnienie z resetu (VCC = 5V) | Zalecane zastosowanie |
| 00 | 6 CK | 14 CK(1) | Włączone BOD |
| 01 | 6 CK | 14 CK + 4 ms | Szybko narastające zasilanie |
| 10(2) | 6 CK | 14 CK + 64 ms | Wolno narastające zasilanie |
| 11 | Zarezerwowane | ||
W trybie kompatybilności z ATtiny15 czasy określane przez bity bezpiecznikowe SUT zmieniają się na te opisane w poniższej tabelce:
| SUT[1:0] | Czas uruchamiania po wybudzeniu z trybu wyłączenia/oszczędzania | Dodatkowe opóźnienie z resetu (VCC = 5V) | Zalecane zastosowanie |
| 00 | 6 CK | 14 CK + 64 ms | |
| 01 | 6 CK | 14 CK + 64 ms | |
| 10 | 6 CK | 14 CK + 4 ms | |
| 11 | 1 CK | 14 CK(1) |
| Uwagi: | 1. | Jeśli zostanie zaprogramowany bit bezpiecznikowy RSTDISBL, to ten czas startu zwiększy się do 14CK + 4 ms, aby zapewnić możliwość przejścia w tryb programowania. |
Wewnętrzny oscylator 128 kHz jest oscylatorem pobierającym niski prąd i dostarczającym zegara o częstotliwości 128 kHz. Częstotliwość ta zależy od napięcia zasilania, temperatury oraz odchyłek indywidualnych. Zegar 128 kHz można wybrać na zegar systemowy przez zaprogramowanie bitów bezpiecznikowych CKSEL na “0100”. Po wyborze tego zegara czasy uruchamiania są określane przez bity bezpiecznikowe SUT wg poniższej tabelki:
| SUT[1:0[ | Czas uruchamiania po wybudzeniu z trybu wyłączenia/oszczędzania | Dodatkowe opóźnienie z resetu | Zalecane zastosowanie |
| 00 | 6 CK | 14 CK(1) | Włączone BOD |
| 01 | 6 CK | 14 CK + 4 ms | Szybko narastające zasilanie |
| 10 | 6 CK | 14 CK + 64 ms | Wolno narastające zasilanie |
| 11 | Zarezerwowane | ||
| Uwagi: | 1. | Jeśli zostanie zaprogramowany bit bezpiecznikowy RSTDISBL, to ten czas startu zwiększy się do 14CK + 4 ms, aby zapewnić możliwość przejścia w tryb programowania. |
Aby użyć zegarowego kwarcu 32,768 kHz jako źródła zegara dla mikrokontrolera, należy wybrać oscylator kwarcowy o niskiej częstotliwości przez ustawienie bitów bezpiecznikowych CKSEL na ‘0110’. Kwarc należy podłączyć zgodnie z rysunkiem poniżej.

Dobór właściwych kondensatorów C1 i C2 znajdziesz w materiałach technicznych producenta kwarcu.
Dla tego oscylatora czasy startowe są ustawiane bitami bezpiecznikowymi SUT wg poniższej tabelki:
| SUT1:0 | Czas startu po trybie wyłączenia | Dodatkowe opóźnienie od resetu | Zalecane użycie |
| 00 | 1K CK(1) | 4 ms | Szybko narastające VCC lub wyłączone BOD |
| 01 | 1K CK(1) | 64 ms | Wolno narastające VCC |
| 10 | 32K CK | 64 ms | Stabilna częstotliwość przy starcie |
| 11 | Zarezerwowane | ||
| Uwaga: | 1. | Te opcje należy stosować, jeśli stabilność częstotliwości przy starcie nie jest istotna. |
Oscylator kwarcowy niskiej częstotliwości wprowadza wewnętrzne obciążenie pojemnościowe, wg poniższej tabelki:
| Układ | Typ oscylatora 32 kHz |
Pojemność (XTAL1/TOSC1) |
Pojemność (XTAL2/TOSC2) |
| ATtiny24/44/84 | Oscylator systemu | 16 pF | 6 pF |
Końcówki XTAL1 i XTAL2 są odpowiednio wejściem i wyjściem odwracającego wzmacniacza, który można skonfigurować do użytku jako wewnątrzukładowy oscylator, co pokazuje poniższy rysunek:

Można użyć albo kryształu kwarcu, albo ceramicznego rezonatora.
Kondensatory C1 i C2 powinny posiadać tę samą pojemność tak dla kwarców jak i dla rezonatorów. Optymalna pojemność tych kondensatorów zależna jest od użytego kwarcu lub rezonatora, ilości pojemności pasożytniczych oraz poziomu zakłóceń elektromagnetycznych środowiska. Pewne początkowe wskazówki doboru pojemności kondensatorów do użytku z kryształami kwarcu podaje tabelka poniżej. Dla rezonatorów ceramicznych należy stosować wartości podawane przez producenta.
| CKSEL3:1 | Zakres częstotliwości (MHz) | Zalecane pojemności C1 i C2 (pF) |
| 100(1) | 0,4 - 0,9 | – |
| 101 | 0,9 - 3,0 | 12 - 22 |
| 110 | 3,0 - 8,0 | 12 - 22 |
| 111 | 8,0 - | 12 - 22 |
| Uwaga: | 1. | Tej opcji nie należy stosować dla kwarców, tylko dla rezonatorów ceramicznych |
Oscylator może pracować w trzech różnych trybach, każdy zoptymalizowany dla określonego zakresu częstotliwości. Tryb pracy jest wybierany bitami bezpiecznikowymi CKSEL3:1, co pokazuje powyższa tabelka. Bit bezpiecznikowy CKSEL0 wraz z bitami SUT1:0 wybiera czasy startowe pokazane w tabelce poniżej.
| CKSEL0 | SUT1:0 | Czas startu po trybie wyłączenia(1) | Dodatkowe opóźnienie od resetu | Zalecane użycie |
| 0 | 00 | 258 CK(2) | 14CK + 4 ms | Rezonator ceramiczny, szybko narastające VCC |
| 0 | 01 | 258 CK(2) | 14CK + 64 ms | Rezonator ceramiczny, wolno narastające VCC |
| 0 | 10 | 1K CK(2) | 14CK | Rezonator ceramiczny, włączone BOD |
| 0 | 11 | 1K CK(2) | 14CK + 4 ms | Rezonator ceramiczny, szybko narastające VCC |
| 1 | 00 | 1K CK(2) | 14CK + 64 ms | Rezonator ceramiczny, wolno narastające VCC |
| 1 | 01 | 16K CK | 14CK | Oscylator kwarcowy, włączone BOD |
| 1 | 10 | 16K CK | 14CK + 4 ms | Oscylator kwarcowy, szybko narastające VCC |
| 1 | 11 | 16K CK | 14CK + 64 ms | Oscylator kwarcowy, wolno narastające VCC |
Mikrokontroler jest sprzedawany z zaprogramowanymi bitami bezpiecznikowymi CKSEL = “0010”, SUT = “10” i CKDIV8. W ten sposób standardowym źródłem zegarowym jest wewnętrzny oscylator pracujący z częstotliwością 8,0 MHz z najdłuższym czasem uruchamiania i wstępnym podziałem zegara przez 8, co daje w wyniku zegar systemowy 1,0 MHz. To standardowe ustawienie zapewnia, iż wszyscy użytkownicy będą mogli wybrać pożądane źródło zegarowe za pomocą programatora.
Przy przełączaniu ustawień w preskalerze, zapewnia on, iż nie pojawią się żadne zakłócenia w systemie zegarowym, a żadne z pośrednich częstotliwości nie będzie wyższa ani od poprzedniej częstotliwości, ani od częstotliwości związanej z nowymi ustawieniami.
Licznik szeregowy, z którego zbudowany jest preskaler, pracuje przy częstotliwości niedzielonego zegara, która może być wyższa od częstotliwości zegarowej mikroprocesora. Stąd nie jest możliwe określenie stanu preskalera – nawet, gdyby dało się go odczytać, a ścisłego czasu, który zajmuje przełączenie z jednego podziału zegara na inny, nie da dokładnie przewidzieć. Od czasu zapisu wartości podziału w rejestrze preskalera CLKPR upływa od T1 + T2 do T1 + 2*T2 czasu, zanim nowa częstotliwość stanie się aktywna. W tym interwale czasowym tworzone są 2 aktywne zbocza w sygnale zegarowym. Tutaj T1 jest okresem poprzedniego zegara, a T2 jest okresem odpowiadającym nowym ustawieniom preskalera.

Mikrokontroler może wyprowadzać zegar systemowy na końcówce CLKO (gdy nie jest używana jako końcówka XTAL2). Aby uaktywnić to wyjście, należy zaprogramować bit bezpiecznikowy CKOUT. Tryb taki przydaje się, gdy zegar układu jest używany do sterowania innych obwodów w systemie. Zwróć uwagę, że zegar nie będzie wyprowadzany podczas resetu, a normalna praca końcówki we/wy zostanie przejęta przez funkcję zegara po zaprogramowaniu bitu bezpiecznikowego. Gdy zegar jest wyprowadzany na CLKO, na zegar systemu można wybrać wewnętrzny oscylator RC, oscylator licznika zegarowego, pętle PLL i zegar zewnętrzny (CLKI). Przy wyprowadzaniu zegara na CLKO nie można używać oscylatorów kwarcowych (XTAL1, XTAL2). Jeśli używany jest preskaler zegara systemowego, to wyprowadzany jest zegar systemowy po podziale w preskalerze.
| Bit | 7 | 6 | 5 | 4 | 3 | 2 | 1 | 0 | |
| 0x31 | CAL7 | CAL6 | CAL5 | CAL4 | CAL3 | CAL2 | CAL1 | CAL0 | OSCCAL |
| Zapis/Odczyt | Z/O | Z/O | Z/O | Z/O | Z/O | Z/O | Z/O | Z/O | |
| Wartość początkowa | Wartość kalibracyjna specyficzna dla mikrokontrolera | ||||||||
Rejestr kalibracyjny oscylatora jest używany do regulacji wewnętrznego oscylatora kalibrowanego RC w celu usunięcia z jego częstotliwości odchyłek danego egzemplarza mikrokontrolera. Zaprogramowana wcześniej wartość kalibracyjna jest automatycznie wpisywana do tego rejestru podczas resetu układu, co daje częstotliwość skalibrowaną fabrycznie określoną w poniższej tabelce.
Dokładność kalibracji wewnętrznego oscylatora RC
| Metoda kalibracji |
Częstotliwość docelowa | VCC | Temperatura | Dokładność przy danych VCC i temperaturze(1) |
| Kalibracja fabryczna | 8,0 MHz(2) | 3V | 25°C | ±10% |
| Kalibracja użytkownika | Ustalona w zakresie: 6 – 8 MHz |
Ustalone w zakresie: 1,8V – 5,5V(3) 2,7V – 5,5V(4) |
Ustalona w zakresie: -40°C do +85°C |
±1% |
Oprogramowanie aplikacji może zapisywać do tego rejestru, aby zmieniać częstotliwość oscylatora. Oscylator można skalibrować na częstotliwości określone w tabelce powyżej. Kalibracja poza tym zakresem nie jest gwarantowana.
Zauważ, że oscylator ten jest używany przy odmierzaniu czasu dostępu zapisu do pamięci EEPROM i FLASH, zatem zmiana jego częstotliwości wpłynie odpowiednio na te czasy. Jeśli są zapisywane pamięci EEPROM lub FLASH, to nie kalibruj na częstotliwość wyższą od 8,8 MHz. W przeciwnym razie zapis EEPROM lub FLASH może się nie powieść.
Bit CAL7 określa zakres pracy dla oscylatora. Ustawienie tego bitu na 0 daje najniższy zakres częstotliwości, ustawienie tego bitu na 1 daje najwyższy zakres częstotliwości. Te dwa zakresy częstotliwości zachodzą na siebie, innymi słowy ustawienie OSCCAL = 0x7F da wyższą częstotliwość od OSCCAL = 0x80.
Bity CAL6:0 są używane do dostrojenia częstotliwości wewnątrz wybranego zakresu. Ustawienie ich na 0x00 da najniższą częstotliwość w tym zakresie, a ustawienie 0x7F da częstotliwość najwyższą zakresu.
Aby zapewnić stabilną pracę mikrokontrolera wartość kalibracyjna powinna być zmieniana małymi porcjami. Zmiana w częstotliwości większa od 2% pomiędzy dwoma kolejnymi taktami może prowadzić do nieokreślonego zachowania. Zmiany w OSCCAL nie powinny przekraczać 0x20 dla każdej kalibracji. Wymaga się, aby mikrokontroler był utrzymywany w stanie resetu podczas takich zmian w częstotliwości zegarowej.
Zakres częstotliwości wewnętrznego oscylatora
| Wartość OSCCAL |
Najniższa częstotliwość w odniesieniu do częstotliwości nominalnej | Najwyższa częstotliwość w odniesieniu do częstotliwości nominalnej |
| 0x00 | 50% | 100% |
| 0x3F | 75% | 150% |
| 0x7F | 100% | 200% |
| Bit | 7 | 6 | 5 | 4 | 3 | 2 | 1 | 0 | |
| 0x26 | CLKPCE | - | - | - | CLKPS3 | CLKPS2 | CLKPS1 | CLKPS0 | CLKPR |
| Zapis/Odczyt | Z/O | O | O | O | Z/O | Z/O | Z/O | Z/O | |
| Wartość początkowa | 0 | 0 | 0 | 0 | 0 | 0 | 0 | 0 |
Do bitu CLKPCE należy wpisać logiczną jedynkę, aby mieć możliwość zmian bitów CLKPS. Bit CLKPCE jest uaktualniany tylko wtedy, gdy w tym samym czasie do pozostałych bitów w rejestrze CLKPR są wpisywane same zera. CLKPCE jest zerowany sprzętowo po czterech cyklach od momentu zapisu lub przy zapisie bitów CLKPS. Nadpisanie bitu CLKPCE w tym przedziale czasu ani nie wydłuża tego przedziału, ani nie zeruje bitu CLKPCE.
Te bity w ATtiny są zarezerwowane i przy odczycie dają zawsze wartość 0.
Te bity definiują współczynnik podziału pomiędzy wybranym źródłem zegarowym a wewnętrznym zegarem systemowym. Bity można zapisywać w trakcie pracy mikrokontrolera, aby zmieniać częstotliwość zegara w celu dostosowania jej do wymagań aplikacji. Ponieważ dzielnik ten dzieli główne źródło zegarowe w mikrokontrolerze, to szybkość wszystkich synchronicznych układów peryferyjnych dostosowuje się do użytego współczynnika podziału. Współczynniki te są podane w tabeli poniżej.
Aby uniknąć niezamierzonych zmian częstotliwości zegarowej, należy zastosować specjalną procedurę przy zmianie bitów CLKPS:
Przy zmianie ustawień preskalera przerwania muszą być wyłączone, aby upewnić się, iż procedura zapisu do rejestru CLKPR nie zostanie przerwana w przeznaczonym dla niej przedziale czasu. Aplikacja musi zapewnić, że zostanie wybrany wystarczający współczynnik, jeśli wybrane źródło zegarowe posiada wyższą częstotliwość niż maksymalna dla mikrokontrolera w bieżących warunkach pracy. Mikrokontroler jest sprzedawany z zaprogramowanym bitem bezpiecznikowym CKDIV8.
Ustawienia preskalera zegara systemowego
| CLKPS3 | CLKPS2 | CLKPS1 | CLKPS0 | Współczynnik podziału |
| 0 | 0 | 0 | 0 | 1 |
| 0 | 0 | 0 | 1 | 2 |
| 0 | 0 | 1 | 0 | 4 |
| 0 | 0 | 1 | 1 | 8 |
| 0 | 1 | 0 | 0 | 16 |
| 0 | 1 | 0 | 1 | 32 |
| 0 | 1 | 1 | 0 | 64 |
| 0 | 1 | 1 | 1 | 128 |
| 1 | 0 | 0 | 0 | 256 |
| 1 | 0 | 0 | 1 | Zarezerwowane |
| 1 | 0 | 1 | 0 | Zarezerwowane |
| 1 | 0 | 1 | 1 | Zarezerwowane |
| 1 | 1 | 0 | 0 | Zarezerwowane |
| 1 | 1 | 0 | 1 | Zarezerwowane |
| 1 | 1 | 1 | 0 | Zarezerwowane |
| 1 | 1 | 1 | 1 | Zarezerwowane |
![]() |
Zespół Przedmiotowy Chemii-Fizyki-Informatyki w I Liceum Ogólnokształcącym im. Kazimierza Brodzińskiego w Tarnowie ul. Piłsudskiego 4 ©2026 mgr Jerzy Wałaszek |
Materiały tylko do użytku dydaktycznego. Ich kopiowanie i powielanie jest dozwolone pod warunkiem podania źródła oraz niepobierania za to pieniędzy.
Pytania proszę przesyłać na adres email:
Serwis wykorzystuje pliki cookies. Jeśli nie chcesz ich otrzymywać, zablokuj je w swojej przeglądarce.
Informacje dodatkowe.