|
Serwis Edukacyjny w I-LO w Tarnowie
Materiały dla uczniów liceum |
Wyjście Spis treści Wstecz Dalej
Autor artykułu: mgr Jerzy Wałaszek |
©2026 mgr Jerzy Wałaszek
|
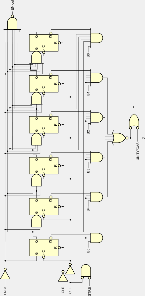
![]() |
Układ 7497 zawiera synchroniczny 6-bitowy mnożnik binarny częstotliwości (ang.Synchronous 6-bit Binary Rate Multiplier). Stosuje się go do podziału częstotliwości ze stałym lub zmiennym współczynnikiem, w układach arytmetycznych, radarach, przetwornikach cyfrowo-analogowych i analogowo-cyfrowych, itp. Wewnątrz układ zawiera 6-cio bitowy licznik, który może zliczać z częstotliwością do 34MHz. Układ posiada buforowane wewnętrznie wejścia: zegara CLK (zliczanie przy narastającym zboczu), strobowania STRB (aktywne w stanie niskim), uaktywniania wejść EN in (aktywne w stanie niskim), zerowania CLR (aktywne w stanie wysokim), wejście UNITY/CASCADE (aktywne w stanie niskim) do sterowania wyjściem Y oraz sześć wejść B0...B5 ustawiających współczynnik mnożenia w kodzie NBC. Układ posiada trzy wyjścia: Y i Z wyprowadzają impulsy, EN out służy do uaktywniania wejść kolejnych układów 7494 połączonych kaskadowo.
Licznik jest uaktywniany, gdy wejścia CLR, STRB oraz EN in mają poziom niski. Gdy licznik liczy, to na wyjściach Y i Z pojawiają się impulsy o częstotliwości równej:

Gdy M jest równe 0 (wszystkie wejścia B0...B5 mają stan niski), to wyjście Z przyjmuje stan wysoki. Działanie układu 7497 obrazuje poniższa tabelka funkcji. Zapis [n] oznacza, że na danym wejściu/wyjściu pojawia się n impulsów.
Tabela funkcji układu 7497
| Wejścia | Wyjścia | ||||||||||||
| CLR | EN in | STRB | B5 | B4 | B3 | B2 | B1 | B0 | CLK | UNITY/CAS | Y | Z | EN out |
| 1 | X | 1 | X | X | X | X | X | X | X | 1 | 0 | 1 | 1 |
| 0 0 0 0 0 0 0 0 |
0 0 0 0 0 0 0 0 |
0 0 0 0 0 0 0 0 |
0 0 0 0 0 0 1 1 |
0 0 0 0 0 1 0 1 |
0 0 0 0 1 0 0 1 |
0 0 0 1 0 0 0 1 |
0 0 1 0 0 0 0 1 |
0 1 0 0 0 0 0 1 |
[64] [64] [64] [64] [64] [64] [64] [64] |
1 1 1 1 1 1 1 1 |
0 [1] [2] [4] [8] [16] [32] [63] |
1 [1] [2] [4] [8] [16] [32] [63] |
[1] [1] [1] [1] [1] [1] [1] [1] |
| 0 | 0 | 0 | 1 | 1 | 1 | 1 | 1 | 1 | [64] | 0 | 1 | [63] | [1] |
| 0 | 0 | 0 | 1 | 0 | 1 | 0 | 0 | 0 | [64] | 1 | [40] | [40] | [1] |
![]() |
![]() |
| Opis parametru | 5497 | 7497 | Jednostka | |
| VCC | Napięcie zasilania | 4,5...5,5 | 4,75...5,25 | V |
| VIH | Napięcie wejściowe dla stanu 1 | 2 | 2 | V |
| VIL | Napięcie wejściowe dla stanu 0 | 0,8 | 0,8 | V |
| VOH | Napięcie wyjściowe dla stanu 1 | 2,4...3,4 | 2,4...3,4 | V |
| VOL | Napięcie wyjściowe dla stanu 0 | 0,2...0,4 | 0,2...0,4 | V |
| IIH | Prąd wejściowy w stanie 1, wejście CLK | 80 | 80 | µA |
| Prąd wejściowy w stanie 1, pozostałe wejścia | 40 | 40 | ||
| IIL | Prąd wejściowy w stanie 0, wejście CLK | -3,2 | -3,2 | mA |
| Prąd wejściowy w stanie 0, pozostałe wejścia | -1,6 | -1,6 | ||
| IOH | Prąd wyjściowy w stanie 1 | -0,4 | -0,4 | mA |
| IOL | Prąd wyjściowy w stanie 0 | 16 | 16 | mA |
| ICC | Prąd zasilania | 58...120 | 58...120 | mA |
| TA | Zakres temperatur pracy | -55...125 | 0...70 | °C |
| fmax | Częstotliwość zegara CLK | 25...32 | 25...32 | MHz |
| tPLH | Czas propagacji z 0 na 1 z EN in na EN out | 13...20 | 13...20 | ns |
| tPHL | Czas propagacji z 1 na 0 z EN in na EN out | 14...21 | 14...21 | ns |
| tPLH | Czas propagacji z 0 na 1 z STRB na Z | 12...18 | 12...18 | ns |
| tPHL | Czas propagacji z 1 na 0 z STRB na Z | 15...23 | 15...23 | ns |
| tPLH | Czas propagacji z 0 na 1 z CLK na Y | 26...39 | 26...39 | ns |
| tPHL | Czas propagacji z 1 na 0 z CLK na Y | 20...30 | 20...30 | ns |
| tPLH | Czas propagacji z 0 na 1 z CLK na Z | 12...18 | 12...18 | ns |
| tPHL | Czas propagacji z 1 na 0 z CLK na Z | 17...26 | 17...26 | ns |
| tPLH | Czas propagacji z 0 na 1 z Bn na Z | 6...10 | 6...10 | ns |
| tPHL | Czas propagacji z 1 na 0 z Bn na Z | 9...14 | 9...14 | ns |
| tPLH | Czas propagacji z 0 na 1 z UNITY/CAS na Y | 9...14 | 9...14 | ns |
| tPHL | Czas propagacji z 1 na 0 z UNITY/CAS na Y | 6...10 | 6...10 | ns |
| tPLH | Czas propagacji z 0 na 1 z STRB na Y | 19...30 | 19...30 | ns |
| tPHL | Czas propagacji z 1 na 0 z STRB na Y | 22...33 | 22...33 | ns |
| tPLH | Czas propagacji z 0 na 1 z CLK na EN out | 19...30 | 19...30 | ns |
| tPHL | Czas propagacji z 1 na 0 z CLK na EN out | 22...33 | 22...33 | ns |
| tPLH | Czas propagacji z 0 na 1 z CLR na Y | 24...36 | 24...36 | ns |
| tPHL | Czas propagacji z 1 na 0 z CLR na Z | 15...23 | 15...23 | ns |
| tPLH | Czas propagacji z 0 na 1 z Bn na Y | 15...23 | 15...23 | ns |
| tPHL | Czas propagacji z 1 na 0 z Bn na Y | 15...23 | 15...23 | ns |
![]() |
Zespół Przedmiotowy Chemii-Fizyki-Informatyki w I Liceum Ogólnokształcącym im. Kazimierza Brodzińskiego w Tarnowie ul. Piłsudskiego 4 ©2026 mgr Jerzy Wałaszek |
Materiały tylko do użytku dydaktycznego. Ich kopiowanie i powielanie jest dozwolone pod warunkiem podania źródła oraz niepobierania za to pieniędzy.
Pytania proszę przesyłać na adres email:
Serwis wykorzystuje pliki cookies. Jeśli nie chcesz ich otrzymywać, zablokuj je w swojej przeglądarce.
Informacje dodatkowe.