|
Serwis Edukacyjny w I-LO w Tarnowie
Materiały dla uczniów liceum |
Wyjście Spis treści Wstecz Dalej
Autor artykułu: mgr Jerzy Wałaszek |
©2026 mgr Jerzy Wałaszek
|
![]() |
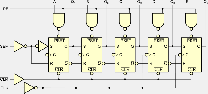
Układ 7496 zawiera pięć przerzutników RS master-slave tworzących 5-bitowy rejestr przesuwający (ang. 5-bit Shift Register). Rejestr posiada pięć wejść równoległych A, B, C, D i E, jedno wejście szeregowe SER, wejście uaktywniające wpis równoległy PE, wejście zerowania CLR, pięć wyjść równoległych QA, QB, QC, QD i QE.
Zerowanie wszystkich pięciu przerzutników następuje po przyłożeniu niskiego poziomu do wejścia zerującego CLR. W tym czasie wejście PE powinno znajdować się w stanie nieaktywnym, czyli niskim. Zerowanie jest niezależne od sygnału zegarowego CLK.
Do rejestru można wpisać dane równoległe przez wyzerowanie przerzutników poprzez wejście CLR, a następnie przyłożenie pożądanej informacji do wejść A...E i wysłanie impulsu dodatniego na wejście PE, który spowoduje ustawienie na 1 tych wyjść przerzutników, u których wejścia mają również stan 1. Ustawianie jest również niezależne od stanu sygnału zegarowego CLK.
Przesuw informacji odbywa się przy narastającym zboczu sygnału zegarowego CLK. Informacje z wejścia szeregowego SER jest wpisywana do pierwszego przerzutnika.
Tabela funkcji rejestru 7496
| Wejścia | Wyjścia | ||||||||||||
| CLR | PE | A | B | C | D | E | CLK | SER | QA | QB | QC | QD | QE |
| 0 | 0 | X | X | X | X | X | X | X | 0 | 0 | 0 | 0 | 0 |
| 0 | X | 0 | 0 | 0 | 0 | 0 | X | X | 0 | 0 | 0 | 0 | 0 |
| 1 | 1 | 1 | 1 | 1 | 1 | 1 | X | X | 1 | 1 | 1 | 1 | 1 |
| 1 | 1 | 0 | 0 | 0 | 0 | 0 | 0 | X | QA0 | QB0 | QC0 | QD0 | QE0 |
| 1 | 1 | 1 | 0 | 1 | 0 | 1 | 0 | X | 1 | QB0 | 1 | QD0 | 1 |
| 1 | 0 | X | X | X | X | X | 0 | X | QA0 | QB0 | QC0 | QD0 | QE0 |
| 1 | 0 | X | X | X | X | X | ↑ | 1 | 1 | QAn | QBn | QCn | QDn |
| 1 | 0 | X | X | X | X | X | ↑ | 0 | 0 | QAn | QBn | QCn | QDn |
| Qx0 – stan istniejący przed zmianą
ustawień statycznych Qxn – stan wyjść istniejący przed zboczem narastającym CLK |
![]() |
![]() |
| Opis parametru | 5496 | 7496 | 74LS96 | Jednostka | |
| VCC | Napięcie zasilania | 4,5...5,5 | 4,75...5,25 | 4,75...5,25 | V |
| VIH | Napięcie wejściowe dla stanu 1 | 2 | 2 | 2 | V |
| VIL | Napięcie wejściowe dla stanu 0 | 0,8 | 0,8 | 0,8 | V |
| VOH | Napięcie wyjściowe dla stanu 1 | 2,4...3,4 | 2,4...3,4 | 2,7...3,5 | V |
| VOL | Napięcie wyjściowe dla stanu 0 | 0,2...0,4 | 0,2...0,4 | 0,25...0,5 | V |
| IIH | Prąd wejściowy w stanie 1, wszystkie wejścia z wyjątkiem PE | 40 | 40 | 20 | µA |
| Prąd wejściowy w stanie 1, PE | 200 | 200 | 100 | ||
| IIL | Prąd wejściowy w stanie 0, wszystkie wejścia z wyjątkiem PE | -1,6 | -1,6 | -0,4 | mA |
| Prąd wejściowy w stanie 0, PE | -8 | -8 | -2 | ||
| IOH | Prąd wyjściowy w stanie 1 | -0,4 | -0,4 | -0,4 | mA |
| IOL | Prąd wyjściowy w stanie 0 | 16 | 16 | 8 | mA |
| ICC | Prąd zasilania | 48...68 | 48...79 | 12...20 | mA |
| TA | Zakres temperatur pracy | -55...125 | 0...70 | 0...70 | °C |
| fmax | Częstotliwość zegara CLK | 10 | 10 | 25 | MHz |
| tPLH | Czas propagacji z 0 na 1 na wyjściu z zegara | 25...40 | 25...40 | 25...40 | ns |
| tPHL | Czas propagacji z 1 na 0 na wyjściu z zegara | 25...40 | 25...40 | 25...40 | ns |
| tw | Szerokość impulsu zegarowego | 35 | 35 | 20 | ns |
| Szerokość impulsów PE i CLR | 30 | 30 | 30 | ||
| tsu | Czas ustawiania danych szeregowych | 30 | 30 | 30 | ns |
![]() |
Zespół Przedmiotowy Chemii-Fizyki-Informatyki w I Liceum Ogólnokształcącym im. Kazimierza Brodzińskiego w Tarnowie ul. Piłsudskiego 4 ©2026 mgr Jerzy Wałaszek |
Materiały tylko do użytku dydaktycznego. Ich kopiowanie i powielanie jest dozwolone pod warunkiem podania źródła oraz niepobierania za to pieniędzy.
Pytania proszę przesyłać na adres email:
Serwis wykorzystuje pliki cookies. Jeśli nie chcesz ich otrzymywać, zablokuj je w swojej przeglądarce.
Informacje dodatkowe.