Serwis Edukacyjny
w I-LO w Tarnowie
Do strony głównej I LO w Tarnowie

Materiały dla uczniów liceum
 

  Wyjście       Spis treści       Wstecz       Dalej  

obrazek

Autor artykułu: mgr Jerzy Wałaszek

©2026 mgr Jerzy Wałaszek

7498 – 4-bitowy rejestr selekcyjny

7498

Oznaczenie rejestru typu 7498

obrazek

Opis

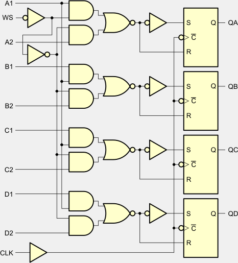
Układ 7498 zawiera rejestr selekcyjny (ang. 4-Bit Selector/Storage Register) zbudowany z czterech przerzutników S-R typu Master-Slave oraz z czterech bramek AND-OR INVERT. Gdy wejście wyboru słowa WORD SELECT ma stan niski, do przerzutników zostaje przekazane słowo 1 (A1, B1, C1, D1). Przy stanie wysokim tego wejścia do przerzutników będzie przekazane słowo 2 (A2, B2, C2, D2). Wybrane słowo pojawi się na wyjściach QA...QD przy opadającym zboczu sygnału zegarowego CLK.

Wewnętrzna sieć logiczna rejestru 7498

obrazek

Obudowa DIL-16

obrazek

Wybrane parametry elektryczne

  Opis parametru 54L98 Jednostka
VCC Napięcie zasilania 4,5...5,5 V
VIH Napięcie wejściowe dla stanu 1 2 V
VIL Napięcie wejściowe dla stanu 0 0,7 V
VOH Napięcie wyjściowe dla stanu 1 2,4 V
VOL Napięcie wyjściowe dla stanu 0 0,15...0,3 V
IIH Prąd wejściowy w stanie 1 10 µA
IIL Prąd wejściowy w stanie 0 -0,18 mA
IOH Prąd wyjściowy w stanie 1 -0,1 mA
IOL Prąd wyjściowy w stanie 0 2 mA
ICC Prąd zasilania 5...9 mA
TA Zakres temperatur pracy -55...125 °C
tw Szerokość impulsu zegarowego 200 ns
tsu(H) Czas przygotowania danych o poziomie 1: A, B, C, D 100 ns
Czas przygotowania danych o poziomie 1: WS 150 ns
tsu(L) Czas przygotowania danych o poziomie 0: A, B, C, D 120 ns
Czas przygotowania danych o poziomie 0: WS 100 ns
fmax Częstotliwość zegara CLK 3...5 MHz
tPLH Czas propagacji z 0 na 1 z dowolnego wejścia na wyjście 115...200 ns
tPHL Czas propagacji z 1 na 0 z dowolnego wejścia na wyjście 125...200 ns

do podrozdziału  do strony 

Zespół Przedmiotowy
Chemii-Fizyki-Informatyki

w I Liceum Ogólnokształcącym
im. Kazimierza Brodzińskiego
w Tarnowie
ul. Piłsudskiego 4
©2026 mgr Jerzy Wałaszek

Materiały tylko do użytku dydaktycznego. Ich kopiowanie i powielanie jest dozwolone pod warunkiem podania źródła oraz niepobierania za to pieniędzy.
Pytania proszę przesyłać na adres email: i-lo@eduinf.waw.pl
Serwis wykorzystuje pliki cookies. Jeśli nie chcesz ich otrzymywać, zablokuj je w swojej przeglądarce.

Informacje dodatkowe.