Serwis Edukacyjny
w I-LO w Tarnowie
Do strony głównej I LO w Tarnowie

Materiały dla uczniów liceum
 

  Wyjście       Spis treści       Wstecz       Dalej  

obrazek

Autor artykułu: mgr Jerzy Wałaszek

©2026 mgr Jerzy Wałaszek

7491 – 8-bitowy rejestr przesuwający

7491

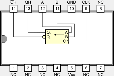
Oznaczenie graficzne rejestru przesuwającego typu 7491

obrazek

Opis

Układ 7491 zawiera 8 przerzutników SR typu Master-Slave połączonych w 8-bitowy rejestr przesuwający dane (ang. 8-bit Shift Register) wprowadzone przez wejścia A i B w takt impulsów zegarowych na wejściu CLK. Dane są przesuwane przy narastającym zboczu sygnału zegarowego.

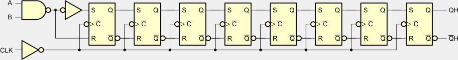
Wewnętrzna sieć logiczna rejestru przesuwającego 7491

obrazek

Tabelka funkcyjna rejestru przesuwającego 7491

Wejścia
przy tn
Wyjścia
przy tn+8
A B QH QH
1 1 1 0
Z 0 1

Z : co najmniej jeden z sygnałów ma wartość 0

Obudowa DIL-14

obrazek

5491AJ, 54LS91J
7491AN
74LS91D, 74LS91N

obrazek

5491AW, 54LS91W 

Wybrane parametry elektryczne

  Opis parametru 5491A 7491A 74LS91 Jednostka
VCC Napięcie zasilania 4,5...5,5 4,75...5,25 4,75...5,25 V
VIH Napięcie wejściowe dla stanu 1 2 2 2 V
VIL Napięcie wejściowe dla stanu 0 0,8 0,8 0,8 V
VOH Napięcie wyjściowe dla stanu 1 2,4...3,5 2,4...3,5 2,7...3,5 V
VOL Napięcie wyjściowe dla stanu 0 0,2...0,4 0,2...0,4 0,25...0,5 V
IIH Prąd wejściowy w stanie 1 40 40 20 µA
IIL Prąd wejściowy w stanie 0 -1,6 -1.6 -0,4 mA
IOH Prąd wyjściowy w stanie 1 -0,4 -0,4 -0,4 mA
IOL Prąd wyjściowy w stanie 0 16 16 8 mA
ICC Prąd zasilania 35...50 35...58 12...20 mA
TA Zakres temperatur pracy -55...125 0...70 0...70 °C
fmax maksymalna częstotliwość zegara 10...18 10...18 10...18 MHz
tPLH Czas propagacji z 0 na 1 24...40 24...40 24...40 ns
tPHL Czas propagacji z 1 na 0 27...40 27...40 27...40 ns
tw Zalecana szerokość impulsu CLK 25 25 25 ns
tSU Czas przygotowania danych 25 25 25 ns

do podrozdziału  do strony 

Zespół Przedmiotowy
Chemii-Fizyki-Informatyki

w I Liceum Ogólnokształcącym
im. Kazimierza Brodzińskiego
w Tarnowie
ul. Piłsudskiego 4
©2026 mgr Jerzy Wałaszek

Materiały tylko do użytku dydaktycznego. Ich kopiowanie i powielanie jest dozwolone pod warunkiem podania źródła oraz niepobierania za to pieniędzy.
Pytania proszę przesyłać na adres email: i-lo@eduinf.waw.pl
Serwis wykorzystuje pliki cookies. Jeśli nie chcesz ich otrzymywać, zablokuj je w swojej przeglądarce.

Informacje dodatkowe.