|
Serwis Edukacyjny w I-LO w Tarnowie
Materiały dla uczniów liceum |
Wyjście Spis treści Wstecz Dalej
Autor artykułu: mgr Jerzy Wałaszek |
©2026 mgr Jerzy Wałaszek
|
![]() |
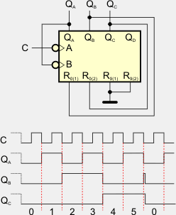
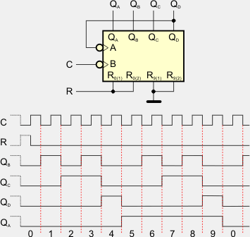
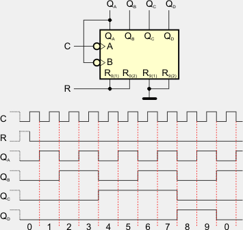
Układ 7490 zawiera 4-bitowy licznik dziesiętny BCD (ang. Decade Binary Counter). Licznik wewnętrznie składa się z dwóch modułów liczących odpowiednio do 2 i do 5. Wejście zegarowe A dotyczy modułu liczącego do 2, wejście zegarowe B dotyczy modułu liczącego do 5. Wynik z modułu 2 pojawia się na wyjściu QA, wynik z modułu 5 pojawia się na pozostałych wyjściach QB, QC i QD. Zliczanie odbywa się przy opadającym zboczu sygnału zegarowego. Dodatkowo licznik posiada dwa wejścia zerujące R0(1) i R0(2) (stan wysoki na obu tych wejściach powoduje wyzerowanie licznika) oraz dwa wejścia ustawiające R9(1) i R9(2) (stan wysoki na obu wejściach powoduje ustawienie stanu 9 na wyjściach licznika: QA = QD = 1, QB = QC = 0).
![]() |
| Wejścia ustawiania | Wyjścia | ||||||
| R0(1) | R0(2) | R9(1) | R9(2) | QA | QB | QC | QD |
| 1 | 1 | 0 | X | 0 | 0 | 0 | 0 |
| 1 | 1 | X | 0 | 0 | 0 | 0 | 0 |
| X | X | 1 | 1 | 1 | 0 | 0 | 1 |
| Z | Z | Liczenie | |||||
Z : co najmniej jeden z sygnałów ma wartość 0
![]() Licznik dziesiętny liczący w kodzie BCD 8421 |
![]() Licznik dziesiętny w kodzie 5421. Dzielnik impulsów C przez 10. Na wyjściu QA sygnał ma wypełnienie 50%. |
![]() Licznik modulo 5 |
![]() Licznik modulo 6 |
![]() |
| Opis parametru | 5490A | 7490A | 74LS90 | Jednostka | |
| VCC | Napięcie zasilania | 4,5...5,5 | 4,75...5,25 | 4,75...5,25 | V |
| VIH | Napięcie wejściowe dla stanu 1 | 2 | 2 | 2 | V |
| VIL | Napięcie wejściowe dla stanu 0 | 0,8 | 0,8 | 0,8 | V |
| VOH | Napięcie wyjściowe dla stanu 1 | 2,4...3,4 | 2,4...3,4 | 2,7...3,4 | V |
| VOL | Napięcie wyjściowe dla stanu 0 | 0,2...0,4 | 0,2...0,4 | 0,25...0,5 | V |
| IIH | Prąd wejściowy w stanie 1, R | 40 | 40 | 20 | µA |
| Prąd wejściowy w stanie 1, A | 80 | 80 | 40 | ||
| Prąd wejściowy w stanie 1, B | 120 | 120 | 80 | ||
| IIL | Prąd wejściowy w stanie 0, R | -1,6 | -1.6 | -0,4 | mA |
| Prąd wejściowy w stanie 0, A | -3,2 | -3,2 | -2,4 | ||
| Prąd wejściowy w stanie 0, B | -4,8 | -4,8 | -3,2 | ||
| IOH | Prąd wyjściowy w stanie 1 | -0,8 | -0,8 | -0,4 | mA |
| IOL | Prąd wyjściowy w stanie 0 | 16 | 16 | 8 | mA |
| ICC | Prąd zasilania | 29...42 | 29...42 | 9...15 | mA |
| TA | Zakres temperatur pracy | -55...125 | 0...70 | 0...70 | °C |
| fmax | maksymalna częstotliwość zliczania, wejście A | 32...42 | 32...42 | 32...42 | MHz |
| maksymalna częstotliwość zliczania, wejście B | 16 | 16 | 16 | ||
| tPLH | Czas propagacji z 0 na 1, od A do QA | 10...16 | 10...16 | 10...16 | ns |
| Czas propagacji z 0 na 1, od A do QD | 32...48 | 32...48 | 32...48 | ||
| Czas propagacji z 0 na 1, od B do QB | 10...16 | 10...16 | 10...16 | ||
| Czas propagacji z 0 na 1, od B do QC | 21...32 | 21...32 | 21...32 | ||
| Czas propagacji z 0 na 1, od B do QD | 21...32 | 21...32 | 21...32 | ||
| Czas zerowania | 26...40 | 26...40 | 26...40 | ||
| Czas ustawiania 9, QA i QD | 20...30 | 20...30 | 20...30 | ||
| tPHL | Czas propagacji z 1 na 0, od A do QA | 12...18 | 12...18 | 12...18 | ns |
| Czas propagacji z 1 na 0, od A do QD | 34...50 | 34...50 | 34...50 | ||
| Czas propagacji z 1 na 0, od B do QB | 14...21 | 14...21 | 14...21 | ||
| Czas propagacji z 1 na 0, od B do QC | 23...35 | 23...35 | 23...35 | ||
| Czas propagacji z 1 na 0, od B do QD | 23...35 | 23...35 | 23...35 | ||
| Czas ustawiania 9, QB i QC | 26...40 | 26...40 | 26...40 | ||
| tw | Zalecana szerokość impulsu A | 15 | 15 | 15 | ns |
| Zalecana szerokość impulsu B | 30 | 30 | 30 | ||
| Zalecana szerokość impulsu R | 15 | 15 | 30 |
![]() |
Zespół Przedmiotowy Chemii-Fizyki-Informatyki w I Liceum Ogólnokształcącym im. Kazimierza Brodzińskiego w Tarnowie ul. Piłsudskiego 4 ©2026 mgr Jerzy Wałaszek |
Materiały tylko do użytku dydaktycznego. Ich kopiowanie i powielanie jest dozwolone pod warunkiem podania źródła oraz niepobierania za to pieniędzy.
Pytania proszę przesyłać na adres email:
Serwis wykorzystuje pliki cookies. Jeśli nie chcesz ich otrzymywać, zablokuj je w swojej przeglądarce.
Informacje dodatkowe.