Serwis Edukacyjny
w I-LO w Tarnowie
Do strony głównej I LO w Tarnowie

Materiały dla uczniów liceum
 

  Wyjście       Spis treści       Wstecz       Dalej  

obrazek

Autor artykułu: mgr Jerzy Wałaszek

©2026 mgr Jerzy Wałaszek

7489 – 64-bitowa pamięć RAM (16 x 4b) z wyjściami typu otwarty kolektor

7489

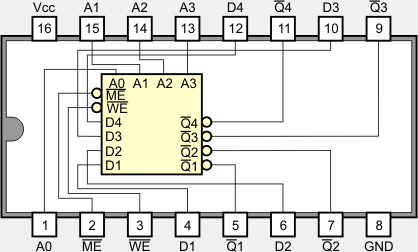
Oznaczenie graficzne pamięci RAM typu 7489

obrazek

Opis

Układ 7489 zawiera 64-bitową pamięć RAM (ang. 64-bit Random Access Read/Write Memory) zbudowaną z 64 przerzutników zorganizowanych w matrycę 16 x 4 bity. Pamięć 7489 posiada 4 wejścia adresowe A0...A3, wejście wyboru ME, wejście zapisu WE, cztery wejścia danych D1...D4 i cztery wyjścia Q1...Q4. Wyjścia są typu otwarty kolektor, dzięki czemu pamięci 7489 prosto łączyć ze sobą w zespoły o większej pojemności.

Struktura wewnętrzna pamięci 7489 jest następująca:

obrazek

Działanie pamięci obrazuje poniższa tabelka:

ME WE Operacja Stan wyjść
0 0 Zapis Zaprzeczenie wejść D
0 1 Odczyt Zaprzeczenie wybranej komórki
1 0 Blokada zapisu Zaprzeczenie wejść D
1 1 Brak Wszystkie wyjścia w stanie wysokim

Operacja zapisu

Aby zapisać informację w wybranej komórce pamięci 7489, należy:

Operacja odczytu

Aby odczytać informację z wybranej komórki pamięci 7489, należy:

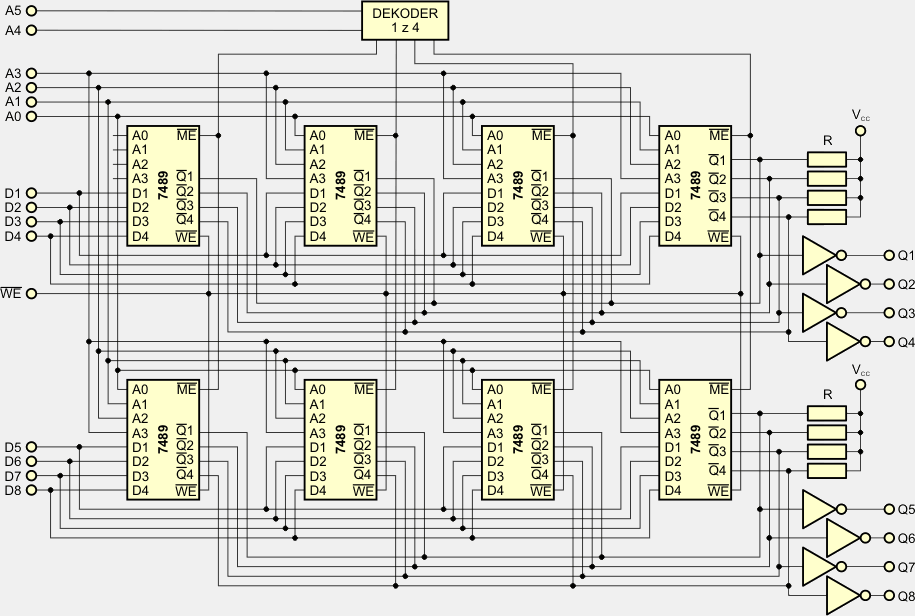
Poniżej przedstawiamy blok pamięci o pojemności 64 słów ośmiobitowych:

obrazek

Obudowa DIL-16

obrazek

Wybrane parametry elektryczne

  Opis parametru 7489 Jednostka
VCC Napięcie zasilania 4,75...5,25 V
VIH Napięcie wejściowe dla stanu 1 2 V
VIL Napięcie wejściowe dla stanu 0 0,8 V
VOH Napięcie wyjściowe dla stanu 1 5,5 V
VOL Napięcie wyjściowe dla stanu 0 0,4...0,45 V
IIH Prąd wejściowy w stanie 1 40 µA
IIL Prąd wejściowy w stanie 0 -1,6 mA
IOH Prąd wyjściowy w stanie 1 20 µA
IOL Prąd wyjściowy w stanie 0 12 mA
ICCH Prąd zasilania przy wyjściach 1 50 mA
ICCL Prąd zasilania przy wyjściach 0 75...105 mA
TA Zakres temperatur pracy 0...70 °C
tw Czas trwania impulsu zapisu WE 40 ns
tSU Czas ustalenia danych przed zapisem 40 ns
th Czas przetrzymania danych po zapisie 5 ns
ta(ME) Czas uaktywnienia układu 26...50 ns
ta(ad) Czas dostępu do danych 30...60 ns

do podrozdziału  do strony 

Zespół Przedmiotowy
Chemii-Fizyki-Informatyki

w I Liceum Ogólnokształcącym
im. Kazimierza Brodzińskiego
w Tarnowie
ul. Piłsudskiego 4
©2026 mgr Jerzy Wałaszek

Materiały tylko do użytku dydaktycznego. Ich kopiowanie i powielanie jest dozwolone pod warunkiem podania źródła oraz niepobierania za to pieniędzy.
Pytania proszę przesyłać na adres email: i-lo@eduinf.waw.pl
Serwis wykorzystuje pliki cookies. Jeśli nie chcesz ich otrzymywać, zablokuj je w swojej przeglądarce.

Informacje dodatkowe.