Serwis Edukacyjny
w I-LO w Tarnowie
Do strony głównej I LO w Tarnowie

Materiały dla uczniów liceum
 

  Wyjście       Spis treści       Wstecz       Dalej  

obrazek

Autor artykułu: mgr Jerzy Wałaszek

©2026 mgr Jerzy Wałaszek

7488 – 256-bitowa pamięć ROM (32 x 8b) z wyjściami typu otwarty kolektor

7488

Oznaczenie graficzne pamięci ROM typu 7488

obrazek

Opis

Układ 7488 zawiera pamięć ROM (ang. Read Only Memory) o organizacji 32 x 8 bitów. Zawartość pamięci ROM jest ustalana na etapie produkcji. Z tego powodu wykorzystanie tych pamięci w warunkach amatorskich jest problematyczne – producenci mogą zamawiać pamięci o określonej zawartości, co jest opłacalne przy produkcji wielkoseryjnej. Amatorzy zwykle korzystają z pamięci PROM (ang. Programable Read Only Memory) lub EPROM (ang. Erasable Programmable Read Only Memory). Pamięci PROM i EPROM można samodzielnie programować w odpowiednich programatorach. Pamięć PROM po zaprogramowaniu nie może już być zmieniana, ponieważ programowanie polega na trwałym przepaleniu wewnętrznych ścieżek. Pamięć EPROM da się wykasować, np. za pomocą lampy UV, po czym można ją ponownie zaprogramować.

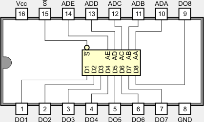
Pamięć posiada 8 wyjść danych: DO1...DO8, 5 wejść adresowych: ADA...ADE oraz wejście wybierające S. Wszystkie wyjścia danych są typu otwarty kolektor, dzięki czemu możemy łatwo łączyć ze sobą wyjścia z innych pamięci.

Układ pamięci uaktywnia się przy sygnale S = 0. Dane wyjściowe pojawiają się po podaniu adresu na wejścia adresowe, gdy układ jest aktywny. Adres komórki jest liczbą binarną w naturalnym kodzie dwójkowym.

Struktura wewnętrzna pamięci 7488 jest następująca:

obrazek

Obudowa DIL-16

obrazek

Wybrane parametry elektryczne

  Opis parametru 5488 7488 Jednostka
VCC Napięcie zasilania 4,5...5,5 4,75...5,25 V
VIH Napięcie wejściowe dla stanu 1 2 2 V
VIL Napięcie wejściowe dla stanu 0 0,8 0,8 V
VOH Napięcie wyjściowe dla stanu 1 5,5 5,5 V
VOL Napięcie wyjściowe dla stanu 0 0,2...0,4 0,2...0,4 V
IIH Prąd wejściowy w stanie 1 25 25 µA
IIL Prąd wejściowy w stanie 0 -1 -1 mA
IOH Prąd wyjściowy w stanie 1 40 40 µA
IOL Prąd wyjściowy w stanie 0 12 12 mA
ICCH Prąd zasilania przy wyjściach 1 50 50 mA
ICCL Prąd zasilania przy wyjściach 0 64...80 64...80 mA
TA Zakres temperatur pracy -55...125 0...70 °C
ta(CS) Czas uaktywnienia układu 22...35 22...35 ns
ta(ad) Czas dostępu do danych 26...45 26...45 ns

do podrozdziału  do strony 

Zespół Przedmiotowy
Chemii-Fizyki-Informatyki

w I Liceum Ogólnokształcącym
im. Kazimierza Brodzińskiego
w Tarnowie
ul. Piłsudskiego 4
©2026 mgr Jerzy Wałaszek

Materiały tylko do użytku dydaktycznego. Ich kopiowanie i powielanie jest dozwolone pod warunkiem podania źródła oraz niepobierania za to pieniędzy.
Pytania proszę przesyłać na adres email: i-lo@eduinf.waw.pl
Serwis wykorzystuje pliki cookies. Jeśli nie chcesz ich otrzymywać, zablokuj je w swojej przeglądarce.

Informacje dodatkowe.