Serwis Edukacyjny
w I-LO w Tarnowie
Do strony głównej I LO w Tarnowie

Materiały dla uczniów liceum
 

  Wyjście       Spis treści       Wstecz       Dalej  

obrazek

Autor artykułu: mgr Jerzy Wałaszek

©2026 mgr Jerzy Wałaszek

7492 – 4-bitowy licznik dwunastkowy (moduły 2 i 6)

7492

Oznaczenie graficzne licznika typu 7492

obrazek

Opis

Układ 7492 zawiera 4-bitowy licznik dwunastkowy (ang. Divide-by-twelve Binary Counter). Licznik wewnętrznie składa się z dwóch modułów liczących odpowiednio do 2 i do 6. Wejście zegarowe A dotyczy modułu liczącego do 2, wejście zegarowe B dotyczy modułu liczącego do 6. Wynik z modułu 2 pojawia się na wyjściu QA, wynik z modułu 6 pojawia się na pozostałych wyjściach QB, QC i QD. Zliczanie odbywa się przy opadającym zboczu sygnału zegarowego. Dodatkowo licznik posiada dwa wejścia zerujące R0(1) i R0(2) (stan wysoki na obu tych wejściach powoduje wyzerowanie licznika). Licznik z modułem 6 składa się z zespołu liczącego z modułem 3, do którego podłączone jest wejście B. Wynik zliczania pojawia się na wyjściach QB i QC. Następnie wyjście QC jest wewnętrznie połączone z przerzutnikiem zliczającym z modułem 2. Wynik pojawia się na wyjściu QD. W efekcie licznik z modułem 6 liczy w kodzie 321.

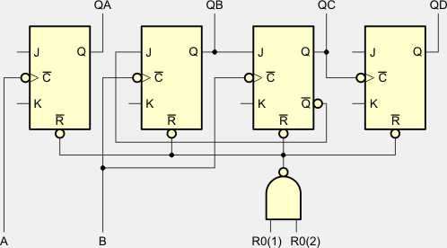
Wewnętrzna sieć logiczna licznika 7492

obrazek

Tabelka funkcyjna licznika 7492

Wejścia ustawiania Wyjścia
R0(1) R0(2) QA QB QC QD
1 1 0 0 0 0
X 0 Liczenie
0 X Liczenie

Przykładowe zastosowania licznika 7492

obrazek

Licznik dwójkowy  liczący w kodzie 6421
Dzielnik impulsów C przez 12.
Na wyjściu QD sygnał ma wypełnienie 50%.

obrazek

Licznik dwójkowy w kodzie 6321.
Dzielnik impulsów C przez 12.
Na wyjściu QA sygnał ma wypełnienie 50%.
Dzielnik impulsów C przez 6.
Na wyjściu QD sygnał ma wypełnienie 50%.

Obudowa DIL-14

Wybrane parametry elektryczne

  Opis parametru 5492A 7492A 74LS92 Jednostka
VCC Napięcie zasilania 4,5...5,5 4,75...5,25 4,75...5,25 V
VIH Napięcie wejściowe dla stanu 1 2 2 2 V
VIL Napięcie wejściowe dla stanu 0 0,8 0,8 0,8 V
VOH Napięcie wyjściowe dla stanu 1 2,4...3,4 2,4...3,4 2,7...3,4 V
VOL Napięcie wyjściowe dla stanu 0 0,2...0,4 0,2...0,4 0,25...0,5 V
IIH Prąd wejściowy w stanie 1, R 40 40 20 µA
Prąd wejściowy w stanie 1, A 80 80 40
Prąd wejściowy w stanie 1, B 120 120 80
IIL Prąd wejściowy w stanie 0, R -1,6 -1.6 -0,4 mA
Prąd wejściowy w stanie 0, A -3,2 -3,2 -2,4
Prąd wejściowy w stanie 0, B -4,8 -4,8 -3,2
IOH Prąd wyjściowy w stanie 1 -0,8 -0,8 -0,4 mA
IOL Prąd wyjściowy w stanie 0 16 16 8 mA
ICC Prąd zasilania 26...39 26...39 9...15 mA
TA Zakres temperatur pracy -55...125 0...70 0...70 °C
fmax maksymalna częstotliwość zliczania, wejście A 32...42 32...42 32...42 MHz
maksymalna częstotliwość zliczania, wejście B 16 16 16
tPLH Czas propagacji z 0 na 1, od A do QA 10...16 10...16 10...16 ns
Czas propagacji z 0 na 1, od A do QD 32...48 32...48 32...48
Czas propagacji z 0 na 1, od B do QB 10...16 10...16 10...16
Czas propagacji z 0 na 1, od B do QC 10...16 10...16 10...16
Czas propagacji z 0 na 1, od B do QD 21...32 21...32 21...32
Czas zerowania 26...40 26...40 26...40
tPHL Czas propagacji z 1 na 0, od A do QA 12...18 12...18 12...18 ns
Czas propagacji z 1 na 0, od A do QD 34...50 34...50 34...50
Czas propagacji z 1 na 0, od B do QB 14...21 14...21 14...21
Czas propagacji z 1 na 0, od B do QC 14...21 14...21 14...21
Czas propagacji z 1 na 0, od B do QD 23...35 23...35 23...35
tw Zalecana szerokość impulsu A 15 15 15 ns
Zalecana szerokość impulsu B 30 30 30
Zalecana szerokość impulsu R 15 15 30

do podrozdziału  do strony 

Zespół Przedmiotowy
Chemii-Fizyki-Informatyki

w I Liceum Ogólnokształcącym
im. Kazimierza Brodzińskiego
w Tarnowie
ul. Piłsudskiego 4
©2026 mgr Jerzy Wałaszek

Materiały tylko do użytku dydaktycznego. Ich kopiowanie i powielanie jest dozwolone pod warunkiem podania źródła oraz niepobierania za to pieniędzy.
Pytania proszę przesyłać na adres email: i-lo@eduinf.waw.pl
Serwis wykorzystuje pliki cookies. Jeśli nie chcesz ich otrzymywać, zablokuj je w swojej przeglądarce.

Informacje dodatkowe.