|
Serwis Edukacyjny w I-LO w Tarnowie
Materiały dla uczniów liceum |
Wyjście Spis treści Wstecz Dalej
Autor artykułu: mgr Jerzy Wałaszek |
©2026 mgr Jerzy Wałaszek
|
![]() |
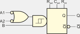
Układ 74121 zawiera jeden przerzutnik monostabilny wyzwalany dodatnim lub ujemnym zboczem sygnału wejściowego (ang. Monostable Multivibrator with Schmitt-trigger Inputs). Po wyzwoleniu przerzutnik generuje na wyjściu impuls o zadanym czasie trwania. Wyzwolenie następuje po ujemnym zboczu (z 1 na 0) sygnału przyłożonego do jednego z wejść A1 lub A2 (lub na oba), jeśli na wejściu B panuje stan wysoki. Wyzwolenie następuje po dodatnim zboczu (z 0 na 1) sygnału na wejściu B, jeśli na jednym z wejść A1 lub A2 (lub na obu) panuje stan niski 0.
Wejście B posiada układ Schmitta, co pozwala wyzwalać przerzutnik sygnałem wolnozmiennym o szybkości narastania nie mniejszej od 1V/s. Natomiast sygnał na wejściach A1/A2 powinien opadać z szybkością co najmniej 1V/µs.
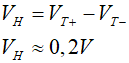
Dla wejścia B wartość napięcia histerezy dla wejścia B wynosi:

Po wyzwoleniu czas trwania impulsu generowanego na wyjściu przerzutnika jest niezależny od zmian sygnałów wejściowych i zależy tylko od wartości zastosowanych elementów CT i RT. Zależność tę opisuje poniższy wzór (R w kΩ, C w pF):

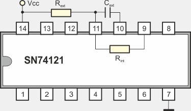
Układ 74121 posiada wbudowany opornik:

Pozwala on zredukować liczbę elementów zewnętrznych. Jednakże dokładne czasy generowanych impulsów wyjściowych da się uzyskać dopiero po dołączeniu do układu wysokostabilnych elementów zewnętrznych.
| Wejścia | Wyjścia | |||
| A1 | A2 | B | Q | Q |
| 0 | X | 1 | 0 | 1 |
| X | 0 | 1 | 0 | 1 |
| X | X | 0 | 0 | 1 |
| 1 | 1 | X | 0 | 1 |
| 1 | ↓ | 1 |
|
|
| ↓ | 1 | 1 |
|
|
| ↓ | ↓ | 1 |
|
|
| 0 | X | ↑ |
|
|
| X | 0 | ↑ |
|
|
![]() |
![]() |
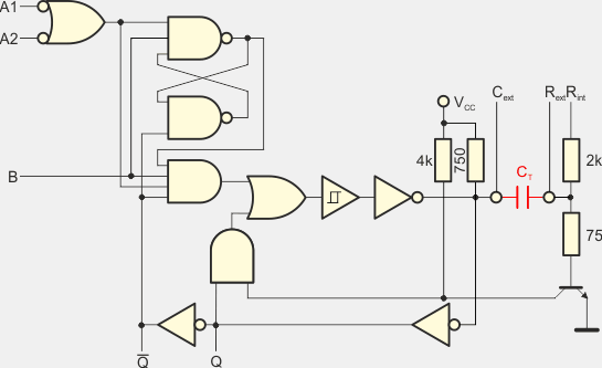
Elementy RC można dołączać do układu 74121 na kilka sposobów. Wewnątrz układu znajduje się opornik wewnętrzny o oporności około 2kΩ podłączony do końcówek 9 i 11. Opornik ten można wykorzystać lub całkowicie pominąć przy generacji impulsu wyjściowego (oporność R jest w kΩ, pojemność C jest w pF, czas t w ns)
![]() |

![]() |

![]() |

![]() |

Więcej informacji znajdziesz w materiałach producentów.
| Opis parametru | 54121 | 74121 | Jednostka | ||
| VCC | Napięcie zasilania | 4,5...5,5 | 4,75...5,25 | V | |
| VIH | Napięcie wejściowe dla stanu 1 | 2 | 2 | V | |
| VIL | Napięcie wejściowe dla stanu 0 | 0,8 | 0,8 | V | |
| VT+ | Próg wyzwalania przy napięciu roącym na B | 1,55...2 | 1,55...2 | V | |
| VT- | Próg wyzwalania przy napięciu opadającym na B | 0,8...1,35 | 0,8...1,35 | V | |
| VOH | Napięcie wyjściowe dla stanu 1 | 2,4...3,4 | 2,4...3,4 | V | |
| VOL | Napięcie wyjściowe dla stanu 0 | 0,2...0,4 | 0,2...0,4 | V | |
| IIH | Prąd wejściowy w stanie 1 | A1, A2 | 40 | 40 | µA |
| B | 80 | 80 | |||
| IIL | Prąd wejściowy w stanie 0 | A1,A2 | -1,6 | -1,6 | mA |
| B | -3,2 | -3,2 | |||
| IOH | Prąd wyjściowy w stanie 1 | -0,4 | -0,4 | mA | |
| IOL | Prąd wyjściowy w stanie 0 | 16 | 16 | mA | |
| IOS | Wyjściowy prąd zwarcia | -20...-55 | -18...-55 | mA | |
| ICC | Prąd zasilania | 13...40 | 13...40 | mA | |
| TA | Zakres temperatur pracy | -55...125 | 0...70 | °C | |
![]() |
Tempo przyrostu lub spadku napięcia | na B | min.1 | min.1 | V/s |
| na A1/A2 | min.1 | min.1 | V/µs | ||
| tw(in) | Szerokość impulsu wejściowego | min. 50 | min. 50 | ns | |
| Rext | Opornik zewnętrzny | 1,4...30 | 1,4...40 | kΩ | |
| Cext | Kondensator zewnętrzny | 0...1000 | 0...1000 | µF | |
| tpLH | Czas propagacji z 0 na 1 | z A na Q | 45...70 | 45...70 | ns |
| z B na Q | 35...55 | 35...55 | |||
| tpHL | Czas propagacji z 1 na 0 | z A na Q | 50...80 | 50...80 | ns |
| z B na Q | 40...65 | 40...65 | |||
![]() |
Zespół Przedmiotowy Chemii-Fizyki-Informatyki w I Liceum Ogólnokształcącym im. Kazimierza Brodzińskiego w Tarnowie ul. Piłsudskiego 4 ©2026 mgr Jerzy Wałaszek |
Materiały tylko do użytku dydaktycznego. Ich kopiowanie i powielanie jest dozwolone pod warunkiem podania źródła oraz niepobierania za to pieniędzy.
Pytania proszę przesyłać na adres email:
Serwis wykorzystuje pliki cookies. Jeśli nie chcesz ich otrzymywać, zablokuj je w swojej przeglądarce.
Informacje dodatkowe.