|
Serwis Edukacyjny w I-LO w Tarnowie
Materiały dla uczniów liceum |
Wyjście Spis treści Wstecz Dalej
Autor artykułu: mgr Jerzy Wałaszek |
©2026 mgr Jerzy Wałaszek
|
![]() |
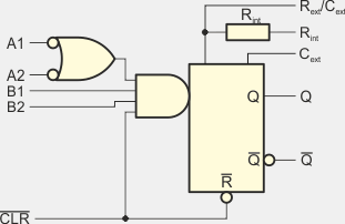
Układ 74122 zawiera jeden przerzutnik monostabilny z podtrzymaniem impulsu wyjściowego i wyzwalany dodatnim lub ujemnym zboczem sygnału wejściowego (ang. Retriggerable Monostable Multivibrator). Przerzutnik pozwala sterować długością generowanego impulsu na trzy sposoby. Podstawowy czas trwania impulsu jest programowany przez wybranie zewnętrznego opornika i kondensatora. Układ 74122 i 74LS122 posiada wbudowany opornik wewnętrzny Rint o wartości 10kΩ, co umożliwia stworzenie układu tylko z zewnętrznym kondensatorem. Po wyzwoleniu podstawowy czas trwania impulsu wyjściowego może zostać przedłużony przez ponowne podanie sygnału niskiego na wejście A lub wysokiego na wejście B. Impuls może zostać przerwany przez podanie stanu niskiego na wejście zerujące CLR.
| Wejścia | Wyjścia | |||||
| CLR | A1 | A2 | B1 | B2 | Q | Q |
| 0 | X | X | X | X | 0 | 1 |
| X | 1 | 1 | X | X | 0* | 1* |
| X | X | X | 0 | X | 0* | 1* |
| X | X | X | X | 0 | 0* | 1* |
| 1 | 0 | X | ↑ | 1 |
|
|
| 1 | 0 | X | 1 | ↑ |
|
|
| 1 | X | 0 | ↑ | 1 |
|
|
| 1 | X | 0 | 1 | ↑ |
|
|
| 1 | 1 | ↓ | 1 | 1 |
|
|
| 1 | ↓ | ↓ | 1 | 1 |
|
|
| 1 | ↓ | 1 | 1 | 1 |
|
|
| ↑ | 0 | X | 1 | 1 |
|
|
| ↑ | X | L | 1 | 1 |
|
|
* stany te zakładają, że poprzedni impuls wyjściowy został całkowicie zakończony
![]() |
Elementy RC można dołączać do układu 74122 na kilka sposobów. Wewnątrz układu znajduje się opornik wewnętrzny o oporności około 10kΩ podłączony do końcówek 9 i 13. Opornik ten można wykorzystać lub całkowicie pominąć przy generacji impulsu wyjściowego (oporność R jest w kΩ, pojemność C jest w pF, czas t w ns).
![]() |

![]() |

![]() |

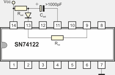
Przy stosowaniu zerowania lub C > 1000pF należy używać poniższego sposobu połączeń (dowolna dioda krzemowa):
![]() |

Więcej informacji znajdziesz w materiałach producentów.
| Opis parametru | 54122 | 74122 | 74LS122 | Jednostka | ||
| VCC | Napięcie zasilania | 4,5...5,5 | 4,75...5,25 | 4,75...5,25 | V | |
| VIH | Napięcie wejściowe dla stanu 1 | 2 | 2 | 2 | V | |
| VIL | Napięcie wejściowe dla stanu 0 | 0,8 | 0,8 | 0,8 | V | |
| VOH | Napięcie wyjściowe dla stanu 1 | 2,4...3,4 | 2,4...3,4 | 2,7...3,5 | V | |
| VOL | Napięcie wyjściowe dla stanu 0 | 0,2...0,4 | 0,2...0,4 | 0,25...0,5 | V | |
| IIH | Prąd wejściowy w stanie 1 | A-B | 40 | 40 | 20 | µA |
| CLR | 80 | 80 | 40 | |||
| IIL | Prąd wejściowy w stanie 0 | A-B | -1,6 | -1,6 | -0,4 | mA |
| CLR | -3,2 | -3,2 | -0,8 | |||
| IOH | Prąd wyjściowy w stanie 1 | -0,8 | -0,8 | -0,4 | mA | |
| IOL | Prąd wyjściowy w stanie 0 | 16 | 16 | 8 | mA | |
| IOS | Wyjściowy prąd zwarcia | -10...-40 | -10...-40 | -20...-100 | mA | |
| ICC | Prąd zasilania | 23...36 | 13...40 | 6...11 | mA | |
| TA | Zakres temperatur pracy | -55...125 | 0...70 | 0...70 | °C | |
| tw(in) | Szerokość impulsu wejściowego | min. 40 | min. 40 | min. 40 | ns | |
| Rext | Opornik zewnętrzny | 5...25 | 5...50 | 5...260 | kΩ | |
| Cext | Kondensator zewnętrzny | dowolny | dowolny | dowolny | µF | |
| tpLH | Czas propagacji z 0 na 1 | z A na Q | 22..33 | 22..33 | 23...33 | ns |
| z B na Q | 19..28 | 19..28 | 23...44 | |||
| z CLR na Q | 30...40 | 30...40 | 28...45 | |||
| tpHL | Czas propagacji z 1 na 0 | z A na Q | 30...40 | 30...40 | 32...45 | ns |
| z B na Q | 27...36 | 27...36 | 34...56 | |||
| z CLR na Q | 18...27 | 18...27 | 20...27 | |||
![]() |
Zespół Przedmiotowy Chemii-Fizyki-Informatyki w I Liceum Ogólnokształcącym im. Kazimierza Brodzińskiego w Tarnowie ul. Piłsudskiego 4 ©2026 mgr Jerzy Wałaszek |
Materiały tylko do użytku dydaktycznego. Ich kopiowanie i powielanie jest dozwolone pod warunkiem podania źródła oraz niepobierania za to pieniędzy.
Pytania proszę przesyłać na adres email:
Serwis wykorzystuje pliki cookies. Jeśli nie chcesz ich otrzymywać, zablokuj je w swojej przeglądarce.
Informacje dodatkowe.