Serwis Edukacyjny
w I-LO w Tarnowie
Do strony głównej I LO w Tarnowie

Materiały dla uczniów liceum
 

  Wyjście       Spis treści       Wstecz       Dalej  

obrazek

Autor artykułu: mgr Jerzy Wałaszek

©2026 mgr Jerzy Wałaszek

74120 – dwa synchronizatory/sterowniki impulsów

74120

Oznaczenie graficzne synchronizatora typu 74120

obrazek

Opis

Układ 74120 zawiera dwa niezależne synchronizatory sygnałów zegarowych (ang. Dual Pulse Synchronisers/Drivers). Opracowano je w celu synchronizowania asynchronicznego sygnału z zegarem systemowym. Sygnały wejściowe są zatrzaskiwane, dlatego efekty czasu trwania impulsu wejściowego zostały wyeliminowane. Przepuszczanie lub blokowanie impulsów jest kontrolowane przez stany wejść S1, S2 i R zgodnie z tabelą funkcji.

Po inicjalizacji wejście trybu M określa, czy zostanie przepuszczona seria impulsów, czy tylko jeden impuls. Jeśli zabraknie polecenia stopu, układ będzie przepuszczał impulsy zegarowe tak długo jak wejście trybu M znajduje sie w stanie niskim 0. Jeśli wejście trybu M znajduje się w stanie wysokim, tylko pojedynczy impuls zegarowy zostanie przepuszczony.

Jeśli wejście trybu jest ustawione do przepuszczania ciągu impulsów, ostatni z nich jest określany za pomocą dwóch ogólnych reguł:

  1. Jeśli impulsy zostaną zakończone przez wejścia S lub R, to warunki spełniające czasy ustalania sygnałów będą dominować.
  2. Należy unikać przejść z poziomu niskiego na wysoki wejścia M podczas 20 nanosekundowego okresu bezpośrednio następującego po ujemnym zboczu wejściowego impulsu zegarowego C, ponieważ może to spowodować zablokowanie przejścia kolejnego impulsu. Gdy impulsy są kończone przez wejście trybu M, dodatnie zbocze sygnału M w czasie tSLJ(H) spowoduje przepuszczenie dodatniego impulsu zegarowego, a następnie zablokowanie pozostałych impulsów zegarowych. Wejście zegarowe C jest kontrolowane przez przerzutnik zatrzaskowy, aby zagwarantować, że impuls wyjściowy po zainicjowaniu nie zostanie zakończony przed przepuszczeniem pełnego impulsu.

Synchronizator jest całkowicie kompatybilny z układami logicznymi lub przełącznikami mechanicznymi, ponieważ wszystkie wejścia, za wyjątkiem zegarowego, posiadają wewnętrzne rezystory podciągające. Eliminuje to potrzebę stosowania zewnętrznych rezystorów zapobiegających "wiszeniu" wejścia w czasie zwolnienia przycisku. Wewnętrzny rezystor pozwala również na niepodłączenie wejść nieużywanych. Typowy czas przechodzenia sygnału do wyjścia Y wynosi 9 ns i 16 ns z wejścia zegarowego do wyjścia Y. Wyjścia potrafią wysterować 60 wejść bramek serii 54/74 w stanie wysokim lub 30 w stanie niskim. Układ pobiera około 127 mW na synchronizator.

 

Tabelka funkcji synchronizatora 74120

Wejścia Funkcja
R S1 S2
X 0 X Przepuszczaj impulsy
X X 0 Przepuszczaj impulsy
0 1 1 Blokuj impulsy
1 1 Rozpocznij impulsy
1 1 Rozpocznij impulsy
1 1 Zatrzymaj impulsy
1 1 1 Kontynuuj

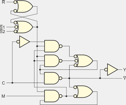
Wewnętrzna sieć logiczna synchronizatora 74120

obrazek

Obudowa DIL-16

obrazek

Wybrane parametry elektryczne

  Opis parametru 54120 74120 Jednostka
VCC Napięcie zasilania 4,5...5,5 4,75...5,25 V
VIH Napięcie wejściowe dla stanu 1 2 2 V
VIL Napięcie wejściowe dla stanu 0 0,8 0,8 V
VOH Napięcie wyjściowe dla stanu 1 2,4...3,4 2,4...3,4 V
VOL Napięcie wyjściowe dla stanu 0 0,2...0,4 0,2...0,4 V
IIH Prąd wejściowy w stanie 1, wejście C 80 80 µA
Prąd wejściowy w stanie 1, pozostałe wejścia -120...-360 -120...-360
IIL Prąd wejściowy w stanie 0, wejście C -3,2 -3,2 mA
Prąd wejściowy w stanie 0, pozostałe wejścia -2,1 -2,1
IOH Prąd wyjściowy w stanie 1 -2,4 -2,4 mA
IOL Prąd wyjściowy w stanie 0 48 48 mA
ICC Prąd zasilania 51...90 51...90 mA
TA Zakres temperatur pracy -55...125 0...70 °C
tsu Czas ustawiania, każde wejście z wyjątkiem M 12 12 ns
Sterowanie trybem M tsu(H) 0 0
tsu(L) 12 12
th Czas utrzymania, każde wejście z wyjątkiem M 3 3 ns
Czas utrzymania, wejście M 20 20
tPLH Czas propagacji z 0 na 1, z C na Y 14...22 14...22 ns
Czas propagacji z 0 na 1, z C na Y 10...16 10...16
tPHL Czas propagacji z 1 na 0, z C na Y 17...25 17...25 ns
Czas propagacji z 1 na 0, z C na Y 8...13 8...13

do podrozdziału  do strony 

Zespół Przedmiotowy
Chemii-Fizyki-Informatyki

w I Liceum Ogólnokształcącym
im. Kazimierza Brodzińskiego
w Tarnowie
ul. Piłsudskiego 4
©2026 mgr Jerzy Wałaszek

Materiały tylko do użytku dydaktycznego. Ich kopiowanie i powielanie jest dozwolone pod warunkiem podania źródła oraz niepobierania za to pieniędzy.
Pytania proszę przesyłać na adres email: i-lo@eduinf.waw.pl
Serwis wykorzystuje pliki cookies. Jeśli nie chcesz ich otrzymywać, zablokuj je w swojej przeglądarce.

Informacje dodatkowe.