Serwis Edukacyjny
w I-LO w Tarnowie
Do strony głównej I LO w Tarnowie

Materiały dla uczniów liceum
 

  Wyjście       Spis treści       Wstecz       Dalej  

obrazek

Autor artykułu: mgr Jerzy Wałaszek

©2026 mgr Jerzy Wałaszek

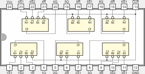
74119 – sześć przerzutników SR z osobnymi wejściami S i R oraz ze wspólnym zerowaniem

74119

Oznaczenie graficzne przerzutnika SR Latch 74119

obrazek

Opis

Układ 74119 zawiera sześć prostych przerzutników SR z bramek NAND (ang. Hex RS Latches with Set, Reset and Common Clear). Każdy przerzutnik można ustawiać indywidualnie w stan 1 lub 0, zerowanie jest wspólne dla wszystkich 6 przerzutników. W tym celu zostało wykorzystane jedno z wyjść R. Trzy przerzutniki posiadają oba wejścia S1 i S2 i trzy pozostałe posiadają tylko wejścia S1.

Tabelka stanów przerzutnika SR typu 7411

Wejścia Wyjście
S R Q
0 1 1
1 0 0
1 1 Q0
0 0 1*

Q0 – stan wyjścia tuż przed zboczem dodatnim S
* - stan niedozwolony

Obudowa DIL-24

obrazek

Wybrane parametry elektryczne

Brak danych
Przyjmij standardowe wartości TTL, dla wejścia CLR prąd 6 razy większy niż dla pojedynczej bramki.

do podrozdziału  do strony 

Zespół Przedmiotowy
Chemii-Fizyki-Informatyki

w I Liceum Ogólnokształcącym
im. Kazimierza Brodzińskiego
w Tarnowie
ul. Piłsudskiego 4
©2026 mgr Jerzy Wałaszek

Materiały tylko do użytku dydaktycznego. Ich kopiowanie i powielanie jest dozwolone pod warunkiem podania źródła oraz niepobierania za to pieniędzy.
Pytania proszę przesyłać na adres email: i-lo@eduinf.waw.pl
Serwis wykorzystuje pliki cookies. Jeśli nie chcesz ich otrzymywać, zablokuj je w swojej przeglądarce.

Informacje dodatkowe.