|
Serwis Edukacyjny w I-LO w Tarnowie
Materiały dla uczniów liceum |
Wyjście Spis treści Wstecz Dalej
Autor artykułu: mgr Jerzy Wałaszek |
©2026 mgr Jerzy Wałaszek
|
![]() |
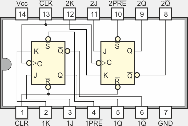
Układ 74114 zawiera dwa niezależne przerzutniki J-K wyzwalane zboczem ujemnym sygnału zegarowego CLK (ang. Dual JK Negative-edge-triggered Flip-Flops with Preset, Common Clear and Common Clock). Niski poziom logiczny na wejściu PRE ustawia wyjścia przerzutnika bez względu na stan pozostałych wejść. Gdy sygnał ten jest nieaktywny (ma poziom wysoki), dane z wejść J i K spełniające wymagania czasowe są przenoszone na wyjścia przy ujemnym zboczu sygnału zegarowego. Wyzwolenie zegarowe występuje przy pewnym poziomie napięcia i nie jest bezpośrednio związane z czasem opadania impulsu zegarowego. Po okresie utrzymania th dane na wejściach J i K mogą się zmieniać bez wpływu na stan wyjść.
![]() |
![]() |
| Wejścia | Wyjścia | |||||
| PRE | CLR | CLK | J | K | Q | Q |
| 0 | 1 | X | X | X | 1 | 0 |
| 1 | 0 | X | X | X | 0 | 1 |
| 0 | 0 | X | X | X | 1 | 1 |
| 1 | 1 | ↓ | 0 | 0 | Q0 | Q0 |
| 1 | 1 | ↓ | 1 | 0 | 1 | 0 |
| 1 | 1 | ↓ | 0 | 1 | 0 | 1 |
| 1 | 1 | ↓ | 1 | 1 | Q0 | Q0 |
| 1 | 1 | 1 | X | X | Q0 | Q0 |
Q0 – stan wyjścia tuż przed zboczem ujemnym sygnału CLK
![]() |
| Opis parametru | 54LS114A | 74LS114A | 74S114 | Jednostka | |
| VCC | Napięcie zasilania | 4,5...5,5 | 4,75...5,25 | 4,75...5,25 | V |
| VIH | Napięcie wejściowe dla stanu 1 | 2 | 2 | 2 | V |
| VIL | Napięcie wejściowe dla stanu 0 | 0,7 | 0,8 | 0,8 | V |
| VOH | Napięcie wyjściowe dla stanu 1 | 2,5...3,4 | 2,7...3,4 | 2,7...3,4 | V |
| VOL | Napięcie wyjściowe dla stanu 0 | 0,25...0,4 | 0,25...0,5 | 0,5 | V |
| IIH | Prąd wejściowy w stanie 1, J lub K | 20 | 20 | 50 | µA |
| Prąd wejściowy w stanie 1, CLR | 120 | 120 | 200 | ||
| Prąd wejściowy w stanie 1, PRE | 60 | 60 | 100 | ||
| Prąd wejściowy w stanie 1, CLK | 160 | 160 | 200 | ||
| IIL | Prąd wejściowy w stanie 0, J lub K | -0,4 | -0,4 | -1,6 | mA |
| Prąd wejściowy w stanie 0, CLR | -1,6 | -1,6 | -14 | ||
| Prąd wejściowy w stanie 0, PRE | -0,8 | -0,8 | -7 | ||
| Prąd wejściowy w stanie 0, CLK | -1,6 | -1,6 | -8 | ||
| IOH | Prąd wyjściowy w stanie 1 | -0,4 | -0,4 | -1 | mA |
| IOL | Prąd wyjściowy w stanie 0 | 4 | 8 | 20 | mA |
| ICC | Prąd zasilania | 4...6 | 4...6 | 15...25 | mA |
| TA | Zakres temperatur pracy | -55...125 | 0...70 | 0...70 | °C |
| fmax | Zalecana częstotliwość | 30...45 | 30...45 | 80...125 | MHz |
| tPLH | Czas propagacji z 0 na 1, od CLR, PRE lub CLK na Q/Q | 15...20 | 15...20 | 4...7 | ns |
| tPHL | Czas propagacji z 1 na 0, od CLR, PRE lub CLK na Q/Q | 15...20 | 15...20 | 5...7 | ns |
| tsu | Czas przygotowania J i K przed CLK ↓ | 20 | 20 | 3 | ns |
| th | Czas utrzymania J i K po CLK ↓ | 0 | 0 | 0 | ns |
| tw | Zalecana szerokość impulsu CLK = 1 | 20 | 20 | 6 | ns |
| Zalecana szerokość impulsu CLR lub PRE = 0 | 25 | 25 | 8 |
![]() |
Zespół Przedmiotowy Chemii-Fizyki-Informatyki w I Liceum Ogólnokształcącym im. Kazimierza Brodzińskiego w Tarnowie ul. Piłsudskiego 4 ©2026 mgr Jerzy Wałaszek |
Materiały tylko do użytku dydaktycznego. Ich kopiowanie i powielanie jest dozwolone pod warunkiem podania źródła oraz niepobierania za to pieniędzy.
Pytania proszę przesyłać na adres email:
Serwis wykorzystuje pliki cookies. Jeśli nie chcesz ich otrzymywać, zablokuj je w swojej przeglądarce.
Informacje dodatkowe.