Serwis Edukacyjny
w I-LO w Tarnowie
Do strony głównej I LO w Tarnowie

Materiały dla uczniów liceum
 

  Wyjście       Spis treści       Wstecz       Dalej  

obrazek

Autor artykułu: mgr Jerzy Wałaszek

©2026 mgr Jerzy Wałaszek

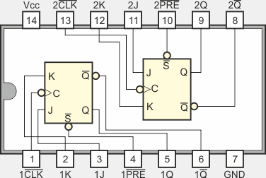
74113 – dwa przerzutniki JK wyzwalane zboczem ujemnym z ustawianiem

74113

Oznaczenie graficzne przerzutnika JK typu 74113

obrazek

Opis

Układ 74113 zawiera dwa niezależne przerzutniki J-K wyzwalane zboczem ujemnym sygnału zegarowego CLK (ang. Dual JK Negative-edge-triggered Flip-Flops with Preset). Niski poziom logiczny na wejściu PRE ustawia wyjścia przerzutnika bez względu na stan pozostałych wejść. Gdy sygnał ten jest nieaktywny (ma poziom wysoki), dane z wejść J i K spełniające wymagania czasowe są przenoszone na wyjścia przy ujemnym zboczu sygnału zegarowego. Wyzwolenie zegarowe występuje przy pewnym poziomie napięcia i nie jest bezpośrednio związane z czasem opadania impulsu zegarowego. Po okresie utrzymania th dane na wejściach J i K mogą się zmieniać bez wpływu na stan wyjść.

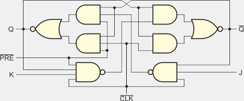
Wewnętrzna sieć logiczna przerzutnika JK typu 74LS113A

obrazek

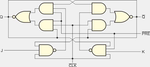
Wewnętrzna sieć logiczna przerzutnika JK typu 74S113

obrazek

Tabelka stanów przerzutnika JK typu 74113

Wejścia Wyjścia
PRE CLK J K Q Q
0 X X X 1 0
1 0 0 Q0 Q0
1 1 0 1 0
1 0 1 0 1
1 1 1 Q0 Q0
1 1 X X Q0 Q0

Q0 – stan wyjścia tuż przed zboczem ujemnym sygnału CLK

Obudowa DIL-14

obrazek

Wybrane parametry elektryczne

  Opis parametru 54LS113A 74LS113A 74S113 Jednostka
VCC Napięcie zasilania 4,5...5,5 4,75...5,25 4,75...5,25 V
VIH Napięcie wejściowe dla stanu 1 2 2 2 V
VIL Napięcie wejściowe dla stanu 0 0,7 0,8 0,8 V
VOH Napięcie wyjściowe dla stanu 1 2,5...3,4 2,7...3,4 2,7...3,4 V
VOL Napięcie wyjściowe dla stanu 0 0,25...0,4 0,25...0,5 0,5 V
IIH Prąd wejściowy w stanie 1, J lub K 20 20 50 µA
Prąd wejściowy w stanie 1, PRE 60 60 100
Prąd wejściowy w stanie 1, CLK 80 80 100
IIL Prąd wejściowy w stanie 0, J lub K -0,4 -0,4 -1,6 mA
Prąd wejściowy w stanie 0, PRE -0,8 -0,8 -7
Prąd wejściowy w stanie 0, CLK -0,8 -0,8 -4
IOH Prąd wyjściowy w stanie 1 -0,4 -0,4 -1 mA
IOL Prąd wyjściowy w stanie 0 4 8 20 mA
ICC Prąd zasilania 4...6 4...6 15...25 mA
TA Zakres temperatur pracy -55...125 0...70 0...70 °C
fmax Zalecana częstotliwość 30...45 30...45 80...125 MHz
tPLH Czas propagacji z 0 na 1, od PRE lub CLK na Q/Q 15...20 15...20 4...7 ns
tPHL Czas propagacji z 1 na 0, od PRE lub CLK na Q/Q 15...20 15...20 5...7 ns
tsu Czas przygotowania J i K przed CLK 20 20 3 ns
th Czas utrzymania J i K po CLK 0 20 0 ns
tw Zalecana szerokość impulsu CLK = 1 20 20 6 ns
Zalecana szerokość impulsu PRE = 0 25 25 8

do podrozdziału  do strony 

Zespół Przedmiotowy
Chemii-Fizyki-Informatyki

w I Liceum Ogólnokształcącym
im. Kazimierza Brodzińskiego
w Tarnowie
ul. Piłsudskiego 4
©2026 mgr Jerzy Wałaszek

Materiały tylko do użytku dydaktycznego. Ich kopiowanie i powielanie jest dozwolone pod warunkiem podania źródła oraz niepobierania za to pieniędzy.
Pytania proszę przesyłać na adres email: i-lo@eduinf.waw.pl
Serwis wykorzystuje pliki cookies. Jeśli nie chcesz ich otrzymywać, zablokuj je w swojej przeglądarce.

Informacje dodatkowe.