|
Serwis Edukacyjny w I-LO w Tarnowie
Materiały dla uczniów liceum |
Wyjście Spis treści Wstecz Dalej
Autor artykułu: mgr Jerzy Wałaszek |
©2026 mgr Jerzy Wałaszek
|
![]() |
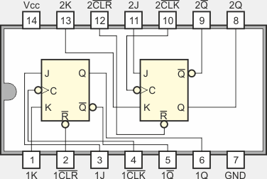
Układ 74115 zawiera dwa przerzutniki JK Master Save z blokadą wejść danych (ang. Dual J-K Master-Slave Flip-flop with data lockout). Wejścia J i K są uaktywniane jedynie na krótki czas tsu przed opadającym zboczem impulsu zegarowego CLK oraz na czas th po tym zboczu. Poza tymi okresami stan wejść J i K może się dowolnie zmieniać, gdy zegar CLK ma stan niski bez wpływu na przerzutnik Master. Przy narastającym zboczu sygnału CLK dane umieszczone w przerzutniku Master przy zboczu opadającym zostają przepisane do przerzutnika Slave, a stamtąd oddziałują na wyjścia.
| Wejścia | Wyjścia | ||||
| CLR | CLK | J | K | Q | Q |
| 1 | X | X | X | 1 | 0 |
| 0 | X | X | X | 0 | 1 |
| 1 | ↓ | 0 | 0 | Q0 | Q0 |
| 1 | ↓ | 1 | 0 | 1 | 0 |
| 1 | ↓ | 0 | 1 | 0 | 1 |
| 1 | ↓ | 1 | 1 | Q0 | Q0 |
| 1 | 1 | X | X | Q0 | Q0 |
Q0 – stan wyjścia tuż przed zboczem ujemnym sygnału CLK
![]() |
| Opis parametru | 54115 | 74115 | Jednostka | |
| VCC | Napięcie zasilania | 4,5...5,5 | 4,75...5,25 | V |
| VIH | Napięcie wejściowe dla stanu 1 | 2 | 2 | V |
| VIL | Napięcie wejściowe dla stanu 0 | 0,8 | 0,8 | V |
| VOH | Napięcie wyjściowe dla stanu 1 | 2,4...3,4 | 2,4...3,4 | V |
| VOL | Napięcie wyjściowe dla stanu 0 | 0,2...0,4 | 0,2...0,4 | V |
| IIH | Prąd wejściowy w stanie 1, J, K lub CLK | 40 | 40 | µA |
| Prąd wejściowy w stanie 1, CLR | 160 | 160 | ||
| IIL | Prąd wejściowy w stanie 0, J, K lub CLK | -1,6 | -1,6 | mA |
| Prąd wejściowy w stanie 0, CLR | -3,2 | -3,2 | ||
| IOH | Prąd wyjściowy w stanie 1 | -0,8 | -0,8 | mA |
| IOL | Prąd wyjściowy w stanie 0 | 16 | 16 | mA |
| ICC | Prąd zasilania | 20...34 | 20...34 | mA |
| TA | Zakres temperatur pracy | -55...125 | 0...70 | °C |
| fmax | Zalecana częstotliwość | 20...25 | 20...25 | MHz |
| tPLH | Czas propagacji z 0 na 1, od CLR na Q | 12...20 | 12...20 | ns |
| Czas propagacji z 0 na 1, od CLK na Q/Q | 20...30 | 20...30 | ||
| tPHL | Czas propagacji z 1 na 0, od CLR na Q | 18...25 | 18...25 | ns |
| Czas propagacji z 1 na 0, od CLK na Q/Q | 13...20 | 13...20 | ||
| tsu | Czas przygotowania J i K przed CLK ↓ | 20 | 20 | ns |
| th | Czas utrzymania J i K po CLK ↓ | 6 | 6 | ns |
| tw | Zalecana szerokość impulsu CLK = 1 lub CLK = 0 | 25 | 25 | ns |
| Zalecana szerokość impulsu CLR = 0 | 25 | 25 |
![]() |
Zespół Przedmiotowy Chemii-Fizyki-Informatyki w I Liceum Ogólnokształcącym im. Kazimierza Brodzińskiego w Tarnowie ul. Piłsudskiego 4 ©2026 mgr Jerzy Wałaszek |
Materiały tylko do użytku dydaktycznego. Ich kopiowanie i powielanie jest dozwolone pod warunkiem podania źródła oraz niepobierania za to pieniędzy.
Pytania proszę przesyłać na adres email:
Serwis wykorzystuje pliki cookies. Jeśli nie chcesz ich otrzymywać, zablokuj je w swojej przeglądarce.
Informacje dodatkowe.