Serwis Edukacyjny
w I-LO w Tarnowie
Do strony głównej I LO w Tarnowie

Materiały dla uczniów liceum
 

  Wyjście       Spis treści       Wstecz       Dalej  

obrazek

Autor artykułu: mgr Jerzy Wałaszek

©2026 mgr Jerzy Wałaszek

7460 – dwa czterowejściowe ekspandery

7460

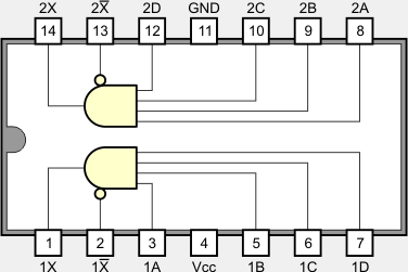
Oznaczenie graficzne ekspandera typu 7460

obrazek

Opis

Układ 7460 zawiera dwa niezależne, czterowejściowe ekspandery (ang. dual 4-input expander), które stosuje się do zwiększania liczby wejść opisanych wcześniej bramek NOR 7423, AND-OR-INVERT 7450 i 7453. Ekspander realizuje realizuje funkcję logiczną:

Wyjście X i X łączy się z wyjściami X i X bramki ekspanderowej. Wyjścia te nie są typowymi wyjściami TTL. Do jednej bramki może być dołączone co najwyżej 4 ekspandery.

Tabelka stanów ekspandera typu 7460

A B C D X
Z 0
1 1 1 1 1

Z : co najmniej jeden z sygnałów ma wartość 0

Obudowy DIL-14

obrazek
5460J, 54H60J
7460J, 7460N, 74H60J, 74H60N
obrazek
5460W, 54H60W 

Wybrane parametry elektryczne

  Opis parametru 5460 7460 74H60 Jednostka
VCC Napięcie zasilania 4,5...5,5 4,75...5,25 4,75...5,25 V
VIH Napięcie wejściowe dla stanu 1 2 2 2 V
VIL Napięcie wejściowe dla stanu 0 0,7 0,8 0,8 V
VXX(on) Napięcie pomiędzy wyjściami X i X w stanie 1 0,4 0,4 0,4 V
IIH Prąd wejściowy w stanie 1 40 40 50 µA
IIL Prąd wejściowy w stanie 0 -1,6 -1,6 -0,6 mA
IX(on) Prąd wyjścia X w stanie 1 -0,3 -0,43 -0,4 mA
IX(off) Prąd wyjścia X w stanie 0 0,15 0,27 0,57 mA
ICCH Prąd zasilania w stanie wysokim 1,2...2,5 1,2...2,5 1,9...3,5 mA
ICCL Prąd zasilania w stanie niskim 2...4 2...4 3...4,5 mA
TA Zakres temperatur pracy -55...125 0...70 0...70 °C

do podrozdziału  do strony 

Zespół Przedmiotowy
Chemii-Fizyki-Informatyki

w I Liceum Ogólnokształcącym
im. Kazimierza Brodzińskiego
w Tarnowie
ul. Piłsudskiego 4
©2026 mgr Jerzy Wałaszek

Materiały tylko do użytku dydaktycznego. Ich kopiowanie i powielanie jest dozwolone pod warunkiem podania źródła oraz niepobierania za to pieniędzy.
Pytania proszę przesyłać na adres email: i-lo@eduinf.waw.pl
Serwis wykorzystuje pliki cookies. Jeśli nie chcesz ich otrzymywać, zablokuj je w swojej przeglądarce.

Informacje dodatkowe.