|
Serwis Edukacyjny w I-LO w Tarnowie
Materiały dla uczniów liceum |
Wyjście Spis treści Wstecz Dalej
Autor artykułu: mgr Jerzy Wałaszek |
©2026 mgr Jerzy Wałaszek
|
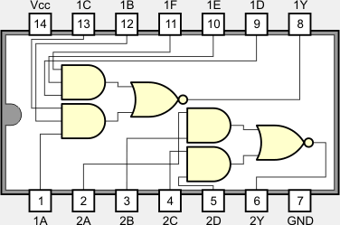
![]() |
Układ 7459 zawiera dwie niezależne bramki AND-OR-INVERT, jedną z 2 x 2 wejściami, drugą z 2 x 3 wejściami (ang. 2-input/3-input AND-OR-INVERT gates). Bramki te realizują funkcje logiczne:

| A1 | B1 | C1 | D1 | E1 | F1 | Y1 |
| Z | Z | 1 | ||||
| 1 | 1 | 1 | X | X | X | 0 |
| X | X | X | 1 | 1 | 1 | 0 |
| A2 | B2 | C2 | D2 | Y2 |
| Z | Z | 1 | ||
| 1 | 1 | X | X | 0 |
| X | X | 1 | 1 | 0 |
Z : jeden z sygnałów ma wartość 0
![]() |
Brak danych
![]() |
Zespół Przedmiotowy Chemii-Fizyki-Informatyki w I Liceum Ogólnokształcącym im. Kazimierza Brodzińskiego w Tarnowie ul. Piłsudskiego 4 ©2026 mgr Jerzy Wałaszek |
Materiały tylko do użytku dydaktycznego. Ich kopiowanie i powielanie jest dozwolone pod warunkiem podania źródła oraz niepobierania za to pieniędzy.
Pytania proszę przesyłać na adres email:
Serwis wykorzystuje pliki cookies. Jeśli nie chcesz ich otrzymywać, zablokuj je w swojej przeglądarce.
Informacje dodatkowe.