Serwis Edukacyjny
w I-LO w Tarnowie
Do strony głównej I LO w Tarnowie

Materiały dla uczniów liceum
 

  Wyjście       Spis treści       Wstecz       Dalej  

obrazek

Autor artykułu: mgr Jerzy Wałaszek

©2026 mgr Jerzy Wałaszek

74199 – 8-bitowy uniwersalny rejestr przesuwający

74199

Oznaczenie graficzne rejestru typu 74199

obrazek

Opis rejestru 74199

Układ 74199 zawiera 8-bitowy rejestr przesuwający (ang. 8-Bit Shift Register).

Znaczenie wejść/wyjść układu jest następujące:

CLR asynchroniczne wejście zerowania. Podanie stanu 0 powoduje wyzerowanie wszystkich przerzutników rejestru.
SH/LD wybiera tryb pracy. W stanie niskim 0 powoduje zapis danych z linii A...H do przerzutników rejestru przy narastającym zboczu sygnału CLK. W stanie wysokim 1 powoduje przesunięcie w prawo bitów pamiętanej informacji.
CINH w stanie wysokim 1 powoduje zablokowanie sygnału zegarowego, zatem rejestr pozostaje w poprzednim stanie i nie reaguje na impulsy zegara.
CLK wejście impulsów zegarowych. Operacja rejestru jest wykonywana przy narastającym zboczu impulsu zegarowego.
A...H wejście danych szeregowych.
QA...QH wyjścia danych rejestru.

Rejestr 74199 realizuje trzy funkcje w zależności od stanu wejść SH/LD i CINH:

CINH = 1, blokada

Sygnał CINH (ang. Clock INHibit) powoduje blokadę sygnału CLK. W stanie wysokim rejestr nie reaguje na impulsy zegarowe i pozostaje w poprzednim stanie.

CINH = 0, SH/LD = 0

Tryb ładowania danych równoległych. Przy narastającym zboczu sygnału CLK dane z wejść równoległych A...H zostają wpisane do przerzutników rejestru i pojawiają się na wyjściach Q.

CINH = 0, SH/LD = 1

Przy narastającym zboczu sygnału CLK dane przechowywane w rejestrze zostają przesunięte od jeden bit w prawo. Do pierwszego przerzutnika zostają wpisane dane z wejść szeregowych J i K.

Tabelka funkcji rejestru 74199

Wejścia Wyjścia
CLR SH/LD CINH CLK Szeregowe Równoległe QA QB QC ... QH
J K A...H
0 X X X X X X 0 0 0 ... 0
1 X 0 0 X X X QA0 QB0 QC0 ... QH0
1 0 0 X X a...h a b c ... h
1 1 0 0 1 X QA0 QA0 QBn ... QGn
1 1 0 0 0 X 0 QAn QBn ... QGn
1 1 0 1 1 X 1 QAn QBn ... QGn
1 1 0 1 0 X QAn QAn QBn ... QGn
1 X 1 X X X QA0 QB0 QG0 ... QH0
X – stan wejść nieistotny
↑ – zbocze narastające
a...h – poziomy na wejściach równoległych
QX0 –  stan ustalony wyjść
QXn – stan wyjść tuż przed zboczem narastającym sygnału zegarowego

Sieć logiczna rejestru 74199

obrazek

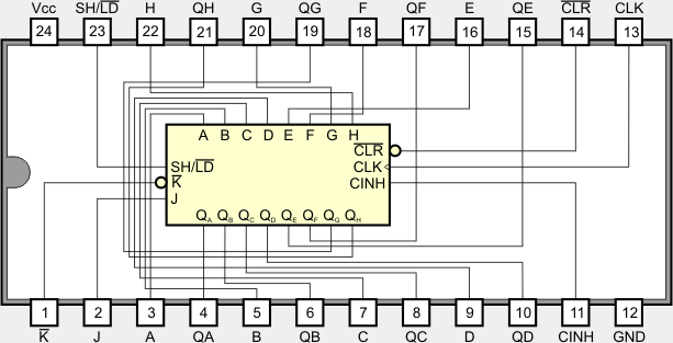
Obudowa DIL-24

obrazek

Wybrane parametry elektryczne

  Opis parametru 54199 74199 Jednostka
VCC Napięcie zasilania 4,5...5,5 4,75...5,25 V
VIH Napięcie wejściowe dla stanu 1 2 2 V
VIL Napięcie wejściowe dla stanu 0 0,8 0,8 V
VOH Napięcie wyjściowe dla stanu 1 2,4...3,4 2,4...3,4 V
VOL Napięcie wyjściowe dla stanu 0 0,2...0,4 0,2...0,4 V
IIH Prąd wejściowy w stanie 1 40 40 µA
IIL Prąd wejściowy w stanie 0 -1,6 -1,6 mA
IOH Prąd wyjściowy w stanie 1 -0,8 -0,8 mA
IOL Prąd wyjściowy w stanie 0 16 16 mA
ICC Prąd zasilania 90...127 90...127 mA
TA Zakres temperatur pracy -55...125 0...70 °C
fclock Częstotliwość zegara 0...25 0...25 MHz

do podrozdziału  do strony 

Zespół Przedmiotowy
Chemii-Fizyki-Informatyki

w I Liceum Ogólnokształcącym
im. Kazimierza Brodzińskiego
w Tarnowie
ul. Piłsudskiego 4
©2026 mgr Jerzy Wałaszek

Materiały tylko do użytku dydaktycznego. Ich kopiowanie i powielanie jest dozwolone pod warunkiem podania źródła oraz niepobierania za to pieniędzy.
Pytania proszę przesyłać na adres email: i-lo@eduinf.waw.pl
Serwis wykorzystuje pliki cookies. Jeśli nie chcesz ich otrzymywać, zablokuj je w swojej przeglądarce.

Informacje dodatkowe.