Serwis Edukacyjny
w I-LO w Tarnowie
Do strony głównej I LO w Tarnowie

Materiały dla uczniów liceum
 

  Wyjście       Spis treści       Wstecz       Dalej  

obrazek

Autor artykułu: mgr Jerzy Wałaszek

©2026 mgr Jerzy Wałaszek

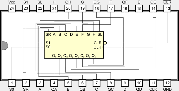
74198 – 8-bitowy dwukierunkowy uniwersalny rejestr przesuwający

74198

Oznaczenie graficzne rejestru typu 74198

obrazek

Opis rejestru 74198

Układ 74198 zawiera 8-bitowy uniwersalny rejestr przesuwający (ang. 8-Bit Shift Register).

Znaczenie wejść/wyjść układu jest następujące:

S1,S0 wejścia wyboru trybu pracy rejestru:
S1 S0 Tryb
0 0 Nic nie jest wykonywane.
0 1 Przesuw w prawo w kierunku od QA do QH.
1 0 Przesuw w lewo w kierunku od QH do QA.
1 1 Wpis danych
Zmiany stanu tych wejść powinny być wykonywane przy wysokim stanie wejścia zegarowego CLK.
CLK wejście sygnału zegarowego. Operacja wybrana przez stan wejść S0 i S1 wykonywana przy narastającym zboczu sygnału CLK
CLR asynchroniczne wejście zerowania. Podanie stanu 0 powoduje wyzerowanie wszystkich przerzutników rejestru.
SR wejście szeregowe danych przy przesuwie w prawo.
SL wejście szeregowe danych przy przesuwie w lewo.
A...H wejścia danych równoległych
QA...QH wyjścia danych rejestru.

Operację rejestru ustalają stany na wejściach S1 i S0:

S1 = 0, S0 = 0: bezczynność

W tym trybie rejestr nie wykonuje żadnej operacji, reaguje jedynie na zerowanie.

S1 = 0, S0 = 1: przesuw w prawo

Przy narastającym zboczu sygnału zegarowego CLK dane zawarte w rejestrze zostają przesunięte o jeden bit w prawo. Na wyjściu QA pojawia się stan wejścia SR.

S1 = 1, S0 = 0: przesuw w lewo

Przy narastającym zboczu sygnału zegarowego CLK dane zawarte w rejestrze zostają przesunięte o jeden bit w lewo. Na wyjściu QH pojawia się stan wejścia SL.

S1 = 1, S0 = 1: ładowanie równoległe

Przy narastającym zboczu sygnału zegarowego CLK dane z wejść A...H zostają wpisane do przerzutników rejestru i pojawiają się na jego wyjściach QA...QH.

Tabelka funkcji rejestru 74198

Wejścia Wyjścia
CLR Tryb CLK Szeregowe Równoległe QA QB ... QG QH
S1 S0 SL SR A...H
0 X X X X X X 0 0 ... 0 0
1 X X 0 X X X QA0 QB0 ... QG0 QH0
1 1 1 X X a...h a b ... g h
1 0 1 X 1 X 1 QAn ... QFn QGn
1 0 1 X 0 X 0 QAn ... QFn QGn
1 1 0 1 X X QBn QCn ... QHn 1
1 1 0 0 X X QBn QCn ... QHn 0
1 0 0 X X X X QA0 QB0 ... QG0 QH0
X – stan wejść nieistotny
↑ – zbocze narastające
a...h – poziomy na wejściach równoległych
QX0 –  stan ustalony wyjść
QXn – stan wyjść tuż przed zboczem narastającym sygnału zegarowego

Sieć logiczna rejestru 74198

obrazek

Obudowa DIL-24

obrazek

Wybrane parametry elektryczne

  Opis parametru 54198 74198 Jednostka
VCC Napięcie zasilania 4,5...5,5 4,75...5,25 V
VIH Napięcie wejściowe dla stanu 1 2 2 V
VIL Napięcie wejściowe dla stanu 0 0,8 0,8 V
VOH Napięcie wyjściowe dla stanu 1 2,4...3,4 2,4...3,4 V
VOL Napięcie wyjściowe dla stanu 0 0,2...0,4 0,2...0,4 V
IIH Prąd wejściowy w stanie 1 40 40 µA
IIL Prąd wejściowy w stanie 0 -1,6 -1,6 mA
IOH Prąd wyjściowy w stanie 1 -0,8 -0,8 mA
IOL Prąd wyjściowy w stanie 0 16 16 mA
ICC Prąd zasilania 90...127 90...127 mA
TA Zakres temperatur pracy -55...125 0...70 °C
fclock Częstotliwość zegara 0...25 0...25 MHz

do podrozdziału  do strony 

Zespół Przedmiotowy
Chemii-Fizyki-Informatyki

w I Liceum Ogólnokształcącym
im. Kazimierza Brodzińskiego
w Tarnowie
ul. Piłsudskiego 4
©2026 mgr Jerzy Wałaszek

Materiały tylko do użytku dydaktycznego. Ich kopiowanie i powielanie jest dozwolone pod warunkiem podania źródła oraz niepobierania za to pieniędzy.
Pytania proszę przesyłać na adres email: i-lo@eduinf.waw.pl
Serwis wykorzystuje pliki cookies. Jeśli nie chcesz ich otrzymywać, zablokuj je w swojej przeglądarce.

Informacje dodatkowe.