Serwis Edukacyjny
w I-LO w Tarnowie
Do strony głównej I LO w Tarnowie

Materiały dla uczniów liceum
 

  Wyjście       Spis treści       Wstecz       Dalej  

obrazek

Autor artykułu: mgr Jerzy Wałaszek

©2026 mgr Jerzy Wałaszek

74192 – synchroniczny, rewersyjny licznik dziesiętny BCD z dwoma wejściami zegarowymi i z zerowaniem

74192

Oznaczenie graficzne licznika typu 74192

obrazek

Opis

Układ 74192 zawiera synchroniczny, rewersyjny licznik BCD z dwoma wejściami zegarowymi i z wejściem zerującym (ang. Synchronous Up/Down BCD Counter with Dual Clock and Clear). Wyjścia licznika zmieniają stany synchronicznie w takt impulsów zegarowych. Znaczenie wejść/wyjść układu jest następujące:

UP dodatnie zbocze sygnału na tym wejściu powoduje zwiększanie stanu licznika o 1. Licznik zlicza w górę.
DOWN dodatnie zbocze sygnału na tym wejściu powoduje zmniejszenie stanu licznika o 1. Licznik zlicza w dół.
CLR stan 1 powoduje wyzerowanie stanu licznika. Funkcja ta jest niezależna od stanu pozostałych wejść.
LOAD stan niski 0 powoduje przepisanie danych z wejść A...D na wyjścia QA...QD niezależnie od sygnałów zegarowych.
A...D wejścia danych.
CO wyjście przeniesienia do następnej dekady liczącej. Na wyjściu tym pojawia się ujemny impuls o czasie trwania impulsu na wejściu UP, gdy licznik zmienia swój stan z 9 na 0.
BO wyjście pożyczki do następnej dekady liczącej. Na wyjściu tym pojawia się ujemny impuls o czasie trwania impulsu na wejściu DOWN, gdy licznik zmienia swój stan z 0 na 9.
QA...QD wyjścia stanu licznika w kodzie BCD.

Przebiegi sygnałów dla układu 74192

obrazek

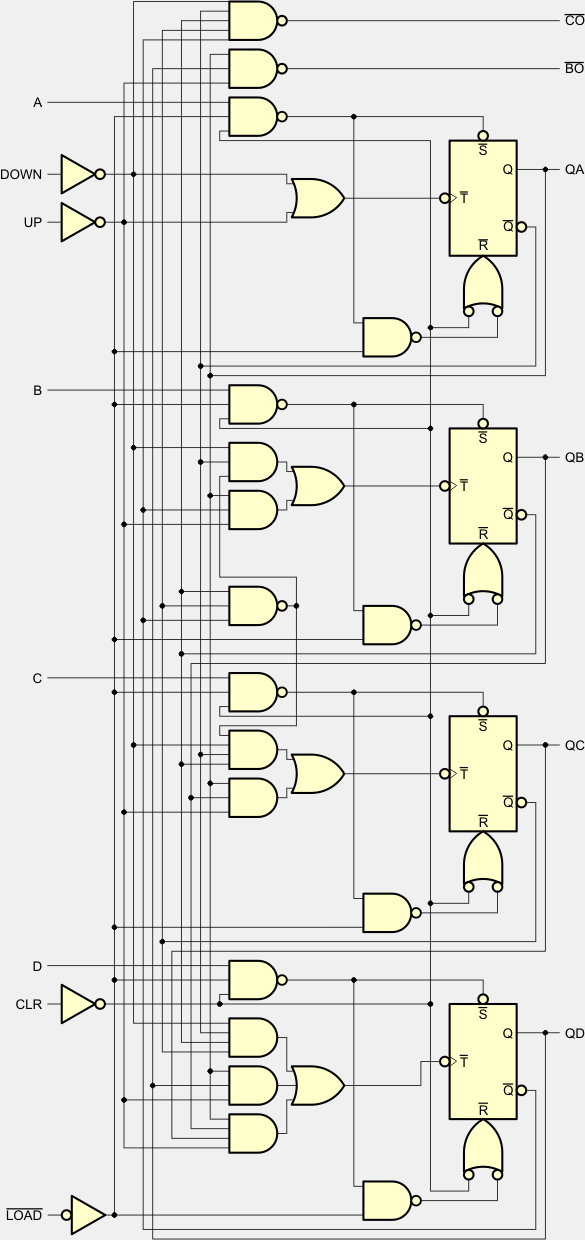
Sieć logiczna licznika 74192

obrazek

Obudowa DIL-16

obrazek

Wybrane parametry elektryczne

  Opis parametru 54192 74192 74LS192 Jednostka
VCC Napięcie zasilania 4,5...5,5 4,75...5,25 4,75...5,25 V
VIH Napięcie wejściowe dla stanu 1 2 2 2 V
VIL Napięcie wejściowe dla stanu 0 0,8 0,8 0,8 V
VOH Napięcie wyjściowe dla stanu 1 2,4...3,4 2,4...3,4 2,7...3,4 V
VOL Napięcie wyjściowe dla stanu 0 0,2...0,4 0,2...0,4 0,25...0,5 V
IIH Prąd wejściowy w stanie 1 40 40 20 µA
IIL Prąd wejściowy w stanie 0 -1,6 -1,6 -0,4 mA
IOH Prąd wyjściowy w stanie 1 -0,4 -0,4 -0,4 mA
IOL Prąd wyjściowy w stanie 0 16 16 8 mA
ICC Prąd zasilania 65...89 65...102 19...34 mA
TA Zakres temperatur pracy -55...125 0...70 0...70 °C
fclock Częstotliwość zegara 0...25 0...25 0...25 MHz

do podrozdziału  do strony 

Zespół Przedmiotowy
Chemii-Fizyki-Informatyki

w I Liceum Ogólnokształcącym
im. Kazimierza Brodzińskiego
w Tarnowie
ul. Piłsudskiego 4
©2026 mgr Jerzy Wałaszek

Materiały tylko do użytku dydaktycznego. Ich kopiowanie i powielanie jest dozwolone pod warunkiem podania źródła oraz niepobierania za to pieniędzy.
Pytania proszę przesyłać na adres email: i-lo@eduinf.waw.pl
Serwis wykorzystuje pliki cookies. Jeśli nie chcesz ich otrzymywać, zablokuj je w swojej przeglądarce.

Informacje dodatkowe.