|
Serwis Edukacyjny w I-LO w Tarnowie
Materiały dla uczniów liceum |
Wyjście Spis treści Wstecz Dalej
Autor artykułu: mgr Jerzy Wałaszek |
©2026 mgr Jerzy Wałaszek
|
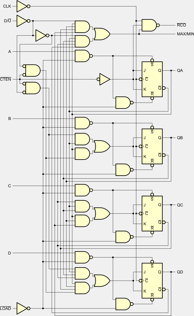
![]() |
Układ 74191 zawiera synchroniczny, rewersyjny licznik dwójkowy (ang. Synchronous Up/Down Binary Counter). Wyjścia licznika zmieniają stany synchronicznie w takt impulsów zegarowych. Znaczenie wejść/wyjść układu jest następujące:
| CLK | – | sygnał zegarowy. Licznik reaguje na dodatnie zbocza impulsów zegarowych, jeśli jest w trybie zliczania. |
| D/U | – | określa kierunek zliczania: stan wysoki 1 – licznik zlicza do tyłu, stan niski 0 – licznik zlicza do przodu |
| CTEN | – | uaktywnia licznik w stanie niskim 0. W stanie wysokim 1 licznik jest zablokowany i nie zlicza impulsów zegarowych. |
| LOAD | – | stan niski 0 powoduje przepisanie danych z wejść A...D na wyjścia QA...QD niezależnie od sygnału CLK. |
| A...D | – | wejścia danych. |
| RCO | – | generuje ujemny impuls o czasie trwania równym ujemnemu impulsowi sygnału zegarowego, gdy licznik przekracza wartość maksymalną lub minimalną. |
| MAX/MIN | – | generuje dodatni impuls o czasie trwania równym okresowi zegara, gdy licznik przekracza wartość maksymalną lub minimalną. |
| QA...QD | – | wyjścia stanu licznika w kodzie BCD |
![]() |
![]() |
![]() |
| Opis parametru | 54191 | 74191 | 74LS191 | Jednostka | ||
| VCC | Napięcie zasilania | 4,5...5,5 | 4,75...5,25 | 4,75...5,25 | V | |
| VIH | Napięcie wejściowe dla stanu 1 | 2 | 2 | 2 | V | |
| VIL | Napięcie wejściowe dla stanu 0 | 0,8 | 0,8 | 0,8 | V | |
| VOH | Napięcie wyjściowe dla stanu 1 | 2,4...3,4 | 2,4...3,4 | 2,7...3,4 | V | |
| VOL | Napięcie wyjściowe dla stanu 0 | 0,2...0,4 | 0,2...0,4 | 0,25...0,5 | V | |
| IIH | Prąd wejściowy w stanie 1 | wszystkie wejścia z wyjątkiem CTEN | 40 | 40 | 20 | µA |
| CTEN | 120 | 120 | 60 | |||
| IIL | Prąd wejściowy w stanie 0 | wszystkie wejścia z wyjątkiem CTEN | -1,6 | -1,6 | -0,4 | mA |
| CTEN | -4,8 | -4,8 | -1,2 | |||
| IOH | Prąd wyjściowy w stanie 1 | -0,8 | -0,8 | -0,4 | mA | |
| IOL | Prąd wyjściowy w stanie 0 | 16 | 16 | 8 | mA | |
| ICC | Prąd zasilania | 65...99 | 65...105 | 20...35 | mA | |
| TA | Zakres temperatur pracy | -55...125 | 0...70 | 0...70 | °C | |
| tw(CLK) | Szerokość impulsu zegarowego | 25 | 25 | 25 | ns | |
| tw(LOAD) | Szerokość impulsu ładowania | 35 | 35 | 35 | ns | |
| fclock | Częstotliwość zegara | 0...20 | 0...20 | 0...20 | MHz | |
![]() |
Zespół Przedmiotowy Chemii-Fizyki-Informatyki w I Liceum Ogólnokształcącym im. Kazimierza Brodzińskiego w Tarnowie ul. Piłsudskiego 4 ©2026 mgr Jerzy Wałaszek |
Materiały tylko do użytku dydaktycznego. Ich kopiowanie i powielanie jest dozwolone pod warunkiem podania źródła oraz niepobierania za to pieniędzy.
Pytania proszę przesyłać na adres email:
Serwis wykorzystuje pliki cookies. Jeśli nie chcesz ich otrzymywać, zablokuj je w swojej przeglądarce.
Informacje dodatkowe.