Serwis Edukacyjny
w I-LO w Tarnowie
Do strony głównej I LO w Tarnowie

Materiały dla uczniów liceum
 

  Wyjście       Spis treści       Wstecz       Dalej  

obrazek

Autor artykułu: mgr Jerzy Wałaszek

©2026 mgr Jerzy Wałaszek

74174 – 6-bitowy rejestr z przerzutników D z zerowaniem

74174

Oznaczenie graficzne rejestru typu 74174

obrazek

Opis

Układ 74174 zawiera zawiera 6-bitowy rejestr z przerzutników typu D z zerowaniem (ang. Hex D-Type Flip-flops with Clear). Znaczenie wejść i wyjść jest następujące:

1D...6D dane wejściowe do zapamiętania w rejestrze
1Q...6Q dane wyjściowe z rejestrów.
CLK wejście impulsów zegarowych. Dane z wejść D są zapamiętywane w przerzutnikach przy narastającym zboczu impulsu zegarowego.
CLR wejście zerowania. Stan niski powoduje wyzerowanie wszystkich przerzutników rejestru.

Tabela funkcji dla każdego przerzutnika

Wejścia Wyjścia
CLR CLK D Q
0 X X 0
1 1 1
1 0 0
1 0 X Q0

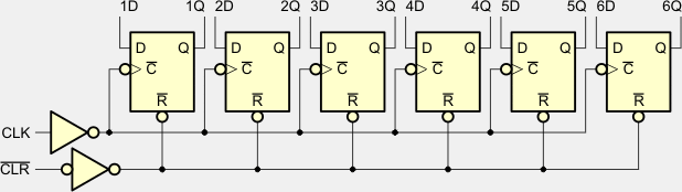
Sieć logiczna rejestru 74174

obrazek

Obudowa DIL-16

obrazek

Wybrane parametry elektryczne

  Opis parametru 54174 74174 74LS174 Jednostka
VCC Napięcie zasilania 4,5...5,5 4,75...5,25 4,75...5,25 V
VIH Napięcie wejściowe dla stanu 1 2 2 2 V
VIL Napięcie wejściowe dla stanu 0 0,8 0,8 0,8 V
VOH Napięcie wyjściowe dla stanu 1 2,4...3,4 2,4...3,4 2,7...3,5 V
VOL Napięcie wyjściowe dla stanu 0 0,2...0,4 0,2...0,4 0,25...0,5 V
IIH Prąd wejściowy w stanie 1 40 40 20 µA
IIL Prąd wejściowy w stanie 0 -1,6 -1,6 -0,4 mA
IOH Prąd wyjściowy w stanie 1 -0,8 -0,8 -0,4 mA
IOL Prąd wyjściowy w stanie 0 16 16 8 mA
ICC Prąd zasilania 45...65 45...65 16...26 mA
TA Zakres temperatur pracy -55...125 0...70 0...70 °C
fclock Częstotliwość zegara 0...25 0...25 0...30 MHz
tw Szerokość impulsu CLK lub CLR 20 20 20 ns

do podrozdziału  do strony 

Zespół Przedmiotowy
Chemii-Fizyki-Informatyki

w I Liceum Ogólnokształcącym
im. Kazimierza Brodzińskiego
w Tarnowie
ul. Piłsudskiego 4
©2026 mgr Jerzy Wałaszek

Materiały tylko do użytku dydaktycznego. Ich kopiowanie i powielanie jest dozwolone pod warunkiem podania źródła oraz niepobierania za to pieniędzy.
Pytania proszę przesyłać na adres email: i-lo@eduinf.waw.pl
Serwis wykorzystuje pliki cookies. Jeśli nie chcesz ich otrzymywać, zablokuj je w swojej przeglądarce.

Informacje dodatkowe.