|
Serwis Edukacyjny w I-LO w Tarnowie
Materiały dla uczniów liceum |
Wyjście Spis treści Wstecz Dalej
Autor artykułu: mgr Jerzy Wałaszek |
©2026 mgr Jerzy Wałaszek
|
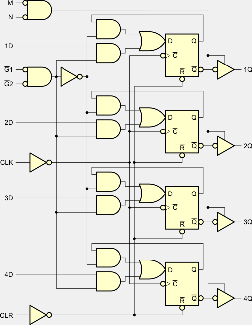
![]() |
Układ 74173 zawiera zawiera 4-bitowy rejestr z przerzutników typu D z wyjściami trójstanowymi (ang. 4-Bit D-Type Register with 3-State Outputs). Układ ten może być podłączony do magistrali bez dodatkowych buforów. Znaczenie wejść i wyjść jest następujące:
| 1D...4D | – | dane wejściowe do zapamiętania w rejestrze |
| 1Q...4Q | – | dane wyjściowe z rejestrów. Wyjścia te można ustawić w stan wysokiej impedancji, w którym nie obciążają magistrali. |
| M, N | – | wejścia sterujące stanem wyjść 1Q...4Q. Gdy oba znajdują się w stanie niskim, na wyjściach Q pojawiają się dane z przerzutników rejestru. Jeśli jedno z tych wejść (lub oba) przyjmie stan wysoki, wyjścia Q przechodzą w stan wysokiej impedancji. |
| G1, G2 | – | wejścia uaktywniające wprowadzanie danych. Gdy oba znajdują się w stanie niskim, dane są zapisywane z wejść D do przerzutników przy narastającym impulsie na wejściu zegarowym. Jeśli dowolne z nich przejdzie w stan wysoki, zapis danych do rejestru jest zablokowany. |
| CLK | – | wejście impulsów zegarowych. Zapis jest wykonywany (przy obu wejściach G w stanie niskim) przy narastającym zboczu impulsu zegarowego. |
| CLR | – | wejście zerowania. Stan wysoki powoduje wyzerowanie wszystkich przerzutników rejestru. |
| Wejścia | Wyjścia | ||||
| CLR | CLK | G1 | G2 | D | Q |
| 1 | X | X | X | X | 0 |
| 0 | 0 | X | X | X | Q0 |
| 0 | ↑ | 1 | X | X | Q0 |
| 0 | ↑ | X | 1 | X | Q0 |
| 0 | ↑ | 0 | 0 | 0 | 0 |
| 0 | ↑ | 0 | 0 | 1 | 1 |
Wejścia N i M w stanie niskim.
![]() |
![]() |
| Opis parametru | 54173 | 74173 | 74LS173A | Jednostka | |
| VCC | Napięcie zasilania | 4,5...5,5 | 4,75...5,25 | 4,75...5,25 | V |
| VIH | Napięcie wejściowe dla stanu 1 | 2 | 2 | 2 | V |
| VIL | Napięcie wejściowe dla stanu 0 | 0,8 | 0,8 | 0,8 | V |
| VOH | Napięcie wyjściowe dla stanu 1 | 2,4 | 2,4 | 2,4...3,1 | V |
| VOL | Napięcie wyjściowe dla stanu 0 | 0,4 | 0,4 | 0,25...0,5 | V |
| IIH | Prąd wejściowy w stanie 1 | 40 | 40 | 20 | µA |
| IIL | Prąd wejściowy w stanie 0 | -1,6 | -1,6 | -0,4 | mA |
| IOH | Prąd wyjściowy w stanie 1 | -2 | -5,2 | -2,6 | mA |
| IOL | Prąd wyjściowy w stanie 0 | 16 | 16 | 24 | mA |
| ICC | Prąd zasilania | 50...72 | 50...72 | 19...24 | mA |
| TA | Zakres temperatur pracy | -55...125 | 0...70 | 0...70 | °C |
| fclock | Częstotliwość zegara | 25 | 25 | 25 | MHz |
| tw | Szerokość impulsu CLK lub CLR | 20 | 20 | 25 | ns |
![]() |
Zespół Przedmiotowy Chemii-Fizyki-Informatyki w I Liceum Ogólnokształcącym im. Kazimierza Brodzińskiego w Tarnowie ul. Piłsudskiego 4 ©2026 mgr Jerzy Wałaszek |
Materiały tylko do użytku dydaktycznego. Ich kopiowanie i powielanie jest dozwolone pod warunkiem podania źródła oraz niepobierania za to pieniędzy.
Pytania proszę przesyłać na adres email:
Serwis wykorzystuje pliki cookies. Jeśli nie chcesz ich otrzymywać, zablokuj je w swojej przeglądarce.
Informacje dodatkowe.