|
Serwis Edukacyjny w I-LO w Tarnowie
Materiały dla uczniów liceum |
Wyjście Spis treści Wstecz Dalej
Autor artykułu: mgr Jerzy Wałaszek |
©2026 mgr Jerzy Wałaszek
|
![]() |
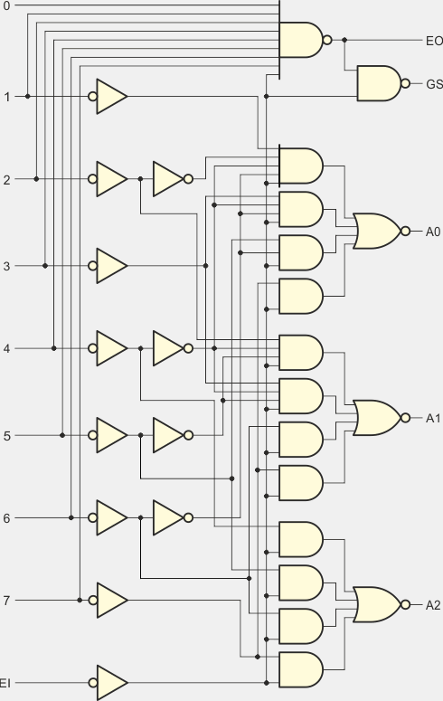
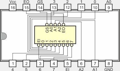
Układ 74148 zawiera dekoder priorytetowy 8 linii na 3 (ang. 8-Line to 3-Line Priority Encoder). Dekoder posiada osiem wejść danych 0...7 oraz trzy wyjścia A0, A1 i A3. Stanem aktywnym jest stan niski. Wejście EI (ang. Enable Input - uaktywnij wejścia) oraz wyjście EO (ang. Enable Output) pozwalają na kaskadowe łączenie dekoderów (w materiałach producentów znajdziesz odpowiednie rozwiązanie). Wejścia są buforowane i stanowią obciążenie równoważne jednej bramce TTL. Wyjście GS przyjmuje stan niski 0, jeśli na którymkolwiek z wejść 0...7 panuje stan niski 0, a wyjścia zostały uaktywnione (EI = 0).
| Wejścia | Wyjścia | ||||||||||||
| EI | 0 | 1 | 2 | 3 | 4 | 5 | 6 | 7 | A2 | A1 | A0 | GS | EO |
| 1 | X | X | X | X | X | X | X | X | 1 | 1 | 1 | 1 | 1 |
| 0 | 1 | 1 | 1 | 1 | 1 | 1 | 1 | 1 | 1 | 1 | 1 | 1 | 0 |
| 0 | X | X | X | X | X | X | X | 0 | 0 | 0 | 0 | 0 | 1 |
| 0 | X | X | X | X | X | X | 0 | 1 | 0 | 0 | 1 | 0 | 1 |
| 0 | X | X | X | X | X | 0 | 1 | 1 | 0 | 1 | 0 | 0 | 1 |
| 0 | X | X | X | X | 0 | 1 | 1 | 1 | 0 | 1 | 1 | 0 | 1 |
| 0 | X | X | X | 0 | 1 | 1 | 1 | 1 | 1 | 0 | 0 | 0 | 1 |
| 0 | X | X | 0 | 1 | 1 | 1 | 1 | 1 | 1 | 0 | 1 | 0 | 1 |
| 0 | X | 0 | 1 | 1 | 1 | 1 | 1 | 1 | 1 | 1 | 0 | 0 | 1 |
| 0 | 0 | 1 | 1 | 1 | 1 | 1 | 1 | 1 | 1 | 1 | 1 | 0 | 1 |
![]() |
![]() |
| Opis parametru | 54148 | 74148 | 74LS148 | Jednostka | ||
| VCC | Napięcie zasilania | 4,5...5,5 | 4,75...5,25 | 4,75...5,25 | V | |
| VIH | Napięcie wejściowe dla stanu 1 | 2 | 2 | 2 | V | |
| VIL | Napięcie wejściowe dla stanu 0 | 0,8 | 0,8 | 0,8 | V | |
| VOH | Napięcie wyjściowe dla stanu 1 | 2,4...3,3 | 2,4...3,3 | 2,7...3,4 | V | |
| VOL | Napięcie wyjściowe dla stanu 0 | 0,2...0,4 | 0,2...0,4 | 0,25...0,5 | V | |
| IIH | Prąd wejściowy w stanie 1 | wejście 0,EI | 40 | 40 | 20 | µA |
| pozostałe | 80 | 80 | 40 | |||
| IIL | Prąd wejściowy w stanie 0 | wejście 0,EI | -1,6 | -1,6 | -0,4 | mA |
| pozostałe | -3,2 | -3,2 | -0,8 | |||
| IOH | Prąd wyjściowy w stanie 1 | -0,8 | -0,8 | -0,4 | mA | |
| IOL | Prąd wyjściowy w stanie 0 | 16 | 16 | 8 | mA | |
| ICC | Prąd zasilania | 40...60 | 40...60 | 10...20 | mA | |
| TA | Zakres temperatur pracy | -55...125 | 0...70 | 0...70 | °C | |
| tpLH | Czas propagacji z 0 na 1 | 9...14 | 9...14 | 12...18 | ns | |
| tpHL | Czas propagacji z 1 na 0 | 7...11 | 7...11 | 12...18 | ns | |
![]() |
Zespół Przedmiotowy Chemii-Fizyki-Informatyki w I Liceum Ogólnokształcącym im. Kazimierza Brodzińskiego w Tarnowie ul. Piłsudskiego 4 ©2026 mgr Jerzy Wałaszek |
Materiały tylko do użytku dydaktycznego. Ich kopiowanie i powielanie jest dozwolone pod warunkiem podania źródła oraz niepobierania za to pieniędzy.
Pytania proszę przesyłać na adres email:
Serwis wykorzystuje pliki cookies. Jeśli nie chcesz ich otrzymywać, zablokuj je w swojej przeglądarce.
Informacje dodatkowe.