|
Serwis Edukacyjny w I-LO w Tarnowie
Materiały dla uczniów liceum |
Wyjście Spis treści Wstecz Dalej
Autor artykułu: mgr Jerzy Wałaszek |
©2026 mgr Jerzy Wałaszek
|
![]() |
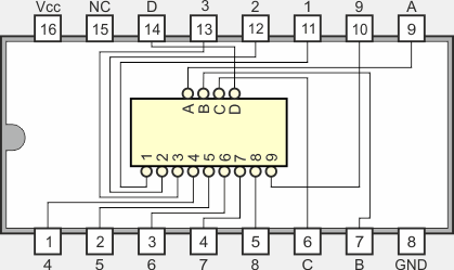
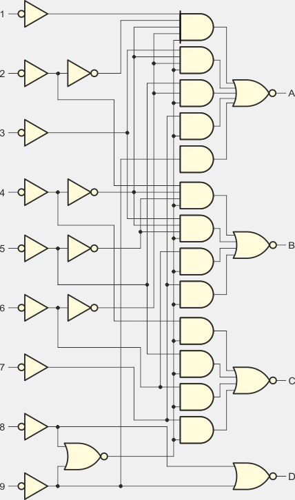
Układ 74147 zawiera dekoder priorytetowy 9 linii na 4 (ang. 9-Line to 4-Line Priority Encoder). Posiada 9 wejść od 1 do 9 oraz 4 wyjścia A, B, C i D. Stanem aktywnym wejść i wyjść jest poziom logiczny 0. Układ działa w ten sposób, iż badany jest stan poszczególnych bitów od 9 do 1. Jeśli zostanie napotkany pierwszy stan 0 na bicie n-tym, to na wyjściach pojawia się binarnie numer n w stanie zanegowanym (tzn. np. dla n = 7 będzie 1000). Dziesiąty stan występuje wtedy, gdy wszystkie wejścia są w stanie wysokim 1.
| Wejścia | Wyjścia | |||||||||||
| 1 | 2 | 3 | 4 | 5 | 6 | 7 | 8 | 9 | D | C | B | A |
| 1 | 1 | 1 | 1 | 1 | 1 | 1 | 1 | 1 | 1 | 1 | 1 | 1 |
| X | X | X | X | X | X | X | X | 0 | 0 | 1 | 1 | 0 |
| X | X | X | X | X | X | X | 0 | 1 | 0 | 1 | 1 | 1 |
| X | X | X | X | X | X | 0 | 1 | 1 | 1 | 0 | 0 | 0 |
| X | X | X | X | X | 0 | 1 | 1 | 1 | 1 | 0 | 0 | 1 |
| X | X | X | X | 0 | 1 | 1 | 1 | 1 | 1 | 0 | 1 | 0 |
| X | X | X | 0 | 1 | 1 | 1 | 1 | 1 | 1 | 0 | 1 | 1 |
| X | X | 0 | 1 | 1 | 1 | 1 | 1 | 1 | 1 | 1 | 0 | 0 |
| X | 0 | 1 | 1 | 1 | 1 | 1 | 1 | 1 | 1 | 1 | 0 | 1 |
| 0 | 1 | 1 | 1 | 1 | 1 | 1 | 1 | 1 | 1 | 1 | 1 | 0 |
![]() |
![]() |
| Opis parametru | 54147 | 74147 | 74LS147 | Jednostka | |
| VCC | Napięcie zasilania | 4,5...5,5 | 4,75...5,25 | 4,75...5,25 | V |
| VIH | Napięcie wejściowe dla stanu 1 | 2 | 2 | 2 | V |
| VIL | Napięcie wejściowe dla stanu 0 | 0,8 | 0,8 | 0,8 | V |
| VOH | Napięcie wyjściowe dla stanu 1 | 2,4...3,3 | 2,4...3,3 | 2,7...3,4 | V |
| VOL | Napięcie wyjściowe dla stanu 0 | 0,2...0,4 | 0,2...0,4 | 0,25...0,5 | V |
| IIH | Prąd wejściowy w stanie 1 | 40 | 40 | 20 | µA |
| IIL | Prąd wejściowy w stanie 0 | -1,6 | -1,6 | -0,4 | mA |
| IOH | Prąd wyjściowy w stanie 1 | -0,8 | -0,8 | -0,4 | mA |
| IOL | Prąd wyjściowy w stanie 0 | 16 | 16 | 8 | mA |
| ICC | Prąd zasilania | 42...70 | 42...70 | 10...20 | mA |
| TA | Zakres temperatur pracy | -55...125 | 0...70 | 0...70 | °C |
| tpLH | Czas propagacji z 0 na 1 | 9...14 | 9...14 | 12...18 | ns |
| tpHL | Czas propagacji z 1 na 0 | 7...11 | 7...11 | 12...18 | ns |
![]() |
Zespół Przedmiotowy Chemii-Fizyki-Informatyki w I Liceum Ogólnokształcącym im. Kazimierza Brodzińskiego w Tarnowie ul. Piłsudskiego 4 ©2026 mgr Jerzy Wałaszek |
Materiały tylko do użytku dydaktycznego. Ich kopiowanie i powielanie jest dozwolone pod warunkiem podania źródła oraz niepobierania za to pieniędzy.
Pytania proszę przesyłać na adres email:
Serwis wykorzystuje pliki cookies. Jeśli nie chcesz ich otrzymywać, zablokuj je w swojej przeglądarce.
Informacje dodatkowe.