Serwis Edukacyjny
w I-LO w Tarnowie
Do strony głównej I LO w Tarnowie

Materiały dla uczniów liceum
 

  Wyjście       Spis treści       Wstecz       Dalej  

obrazek

Autor artykułu: mgr Jerzy Wałaszek

©2026 mgr Jerzy Wałaszek

74139 – dwa dekodery/demultipleksery z 2 na 4 linie

74139

Oznaczenie graficzne dekodera/demultipleksera typu 74139

obrazek

Opis

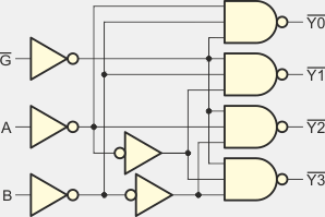
Układ 74139 zawiera dwa niezależne dekodery/demultipleksery 2 linii na 4 linie (ang. Dual 2-line to 4-line Decoders/Demultiplexers). Został on opracowany do zastosowań w wydajnych układach cyfrowych do dekodowania pamięci przy bardzo krótkich czasach propagacji. Gdy układ jest aktywny (G = 0) na wyjściu Yn, gdzie n jest wartością stanu wejść A i B traktowanych jako liczba binarna (A – najmłodszy bit), pojawia się stan 0, a na wszystkich pozostałych wyjściach jest wtedy stan 1. W stanie nieaktywnym wszystkie wyjścia Yn układu przyjmują poziom logiczny 1.

Wewnętrzna sieć logiczna dekodera/demultipleksera typu 74139

obrazek

Tabelka funkcji układu 74139

Wejścia Wyjścia
Włączanie Adres
G B A Y0 Y1 Y2 Y3
1 X X 1 1 1 1
0 0 0 0 1 1 1
0 0 1 1 0 1 1
0 1 0 1 1 0 1
0 1 1 1 1 1 0

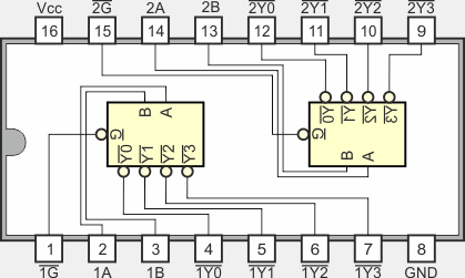
Obudowa DIL-16

obrazek

Wybrane parametry elektryczne

  Opis parametru 54LS139A 74LS139A Jednostka
VCC Napięcie zasilania 4,5...5,5 4,75...5,25 V
VIH Napięcie wejściowe dla stanu 1 2 2 V
VIL Napięcie wejściowe dla stanu 0 0,7 0,8 V
VOH Napięcie wyjściowe dla stanu 1 2,5...3,4 2,7...3,4 V
VOL Napięcie wyjściowe dla stanu 0 0,25...0,4 0,25...0,5 V
IIH Prąd wejściowy w stanie 1 20 20 µA
IIL Prąd wejściowy w stanie 0 -0,4 -0,4 mA
IOH Prąd wyjściowy w stanie 1 -0,4 -0,4 mA
IOL Prąd wyjściowy w stanie 0 4 8 mA
ICC Prąd zasilania 6,8...11 6,8...11 mA
TA Zakres temperatur pracy -55...125 0...70 °C
tpLH Czas propagacji z 0 na 1 13...20 13...20 ns
tpHL Czas propagacji z 1 na 0 22...33 22...33 ns

do podrozdziału  do strony 

Zespół Przedmiotowy
Chemii-Fizyki-Informatyki

w I Liceum Ogólnokształcącym
im. Kazimierza Brodzińskiego
w Tarnowie
ul. Piłsudskiego 4
©2026 mgr Jerzy Wałaszek

Materiały tylko do użytku dydaktycznego. Ich kopiowanie i powielanie jest dozwolone pod warunkiem podania źródła oraz niepobierania za to pieniędzy.
Pytania proszę przesyłać na adres email: i-lo@eduinf.waw.pl
Serwis wykorzystuje pliki cookies. Jeśli nie chcesz ich otrzymywać, zablokuj je w swojej przeglądarce.

Informacje dodatkowe.