|
Serwis Edukacyjny w I-LO w Tarnowie
Materiały dla uczniów liceum |
Wyjście Spis treści Wstecz Dalej
Autor artykułu: mgr Jerzy Wałaszek |
©2026 mgr Jerzy Wałaszek
|
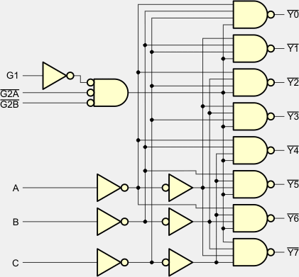
![]() |
Układ 74138 zawiera dekoder/demultiplekser 3 linii na 8 linii (ang. 3-line to 8-line Decoder/Demultiplexer). Został on opracowany do zastosowań w wydajnych układach cyfrowych do dekodowania pamięci przy bardzo krótkich czasach propagacji. Gdy układ jest aktywny (G1 = 1, G2A·G2B = 0) na wyjściu Yn, gdzie n jest wartością stanu wejść A, B i C traktowanych jako liczba binarna (A – najmłodszy bit), pojawia się stan 0, a na wszystkich pozostałych wyjściach jest wtedy stan 1. W stanie nieaktywnym wszystkie wyjścia Yn układu przyjmują poziom logiczny 1.
![]() |
| Wejścia | Wyjścia | |||||||||||
| Włączanie | Adres | |||||||||||
| G1 | G2 | C | B | A | Y0 | Y1 | Y2 | Y3 | Y4 | Y5 | Y6 | Y7 |
| X | 1 | X | X | X | 1 | 1 | 1 | 1 | 1 | 1 | 1 | 1 |
| 0 | X | X | X | X | 1 | 1 | 1 | 1 | 1 | 1 | 1 | 1 |
| 1 | 0 | 0 | 0 | 0 | 0 | 1 | 1 | 1 | 1 | 1 | 1 | 1 |
| 1 | 0 | 0 | 0 | 1 | 1 | 0 | 1 | 1 | 1 | 1 | 1 | 1 |
| 1 | 0 | 0 | 1 | 0 | 1 | 1 | 0 | 1 | 1 | 1 | 1 | 1 |
| 1 | 0 | 0 | 1 | 1 | 1 | 1 | 1 | 0 | 1 | 1 | 1 | 1 |
| 1 | 0 | 1 | 0 | 0 | 1 | 1 | 1 | 1 | 0 | 1 | 1 | 1 |
| 1 | 0 | 1 | 0 | 1 | 1 | 1 | 1 | 1 | 1 | 0 | 1 | 1 |
| 1 | 0 | 1 | 1 | 0 | 1 | 1 | 1 | 1 | 1 | 1 | 0 | 1 |
| 1 | 0 | 1 | 1 | 1 | 1 | 1 | 1 | 1 | 1 | 1 | 1 | 0 |

![]() |
| Opis parametru | 54LS138 | 74LS138 | Jednostka | ||
| VCC | Napięcie zasilania | 4,5...5,5 | 4,75...5,25 | V | |
| VIH | Napięcie wejściowe dla stanu 1 | 2 | 2 | V | |
| VIL | Napięcie wejściowe dla stanu 0 | 0,7 | 0,8 | V | |
| VOH | Napięcie wyjściowe dla stanu 1 | 2,5...3,5 | 2,7...3,4 | V | |
| VOL | Napięcie wyjściowe dla stanu 0 | 0,25...0,4 | 0,25...0,5 | V | |
| IIH | Prąd wejściowy w stanie 1 | 20 | 20 | µA | |
| IIL | Prąd wejściowy w stanie 0 | Gx | -0,4 | -0,4 | mA |
| A, B, C | -0,2 | -0,2 | |||
| IOH | Prąd wyjściowy w stanie 1 | -0,4 | -0,4 | mA | |
| IOL | Prąd wyjściowy w stanie 0 | 4 | 8 | mA | |
| ICC | Prąd zasilania | 6,3...10 | 6,3...10 | mA | |
| TA | Zakres temperatur pracy | -55...125 | 0...70 | °C | |
| tpLH | Czas propagacji z 0 na 1 | 11...20 | 11...20 | ns | |
| tpHL | Czas propagacji z 1 na 0 | 18...41 | 18...41 | ns | |
![]() |
Zespół Przedmiotowy Chemii-Fizyki-Informatyki w I Liceum Ogólnokształcącym im. Kazimierza Brodzińskiego w Tarnowie ul. Piłsudskiego 4 ©2026 mgr Jerzy Wałaszek |
Materiały tylko do użytku dydaktycznego. Ich kopiowanie i powielanie jest dozwolone pod warunkiem podania źródła oraz niepobierania za to pieniędzy.
Pytania proszę przesyłać na adres email:
Serwis wykorzystuje pliki cookies. Jeśli nie chcesz ich otrzymywać, zablokuj je w swojej przeglądarce.
Informacje dodatkowe.