|
Serwis Edukacyjny w I-LO w Tarnowie
Materiały dla uczniów liceum |
Wyjście Spis treści Wstecz Dalej
Autor artykułu: mgr Jerzy Wałaszek |
©2026 mgr Jerzy Wałaszek
|
![]() |
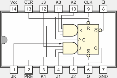
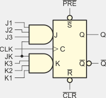
Układ 74104 zawiera jeden przerzutnik JK Master Slave z bramkowanymi wejściami AND oraz z wejściem ustawiającym i zerującym (ang. AND-Gated JK Master-Slave Flip-Fop with Preset and Clear). Sygnał zegarowy CLK jest buforowany, co zapewnia mu dużą odporność na zakłócenia oraz niską obciążalność wyjść układów współpracujących. Wejścia ustawiania i zerowania sterują oboma przerzutnikami Master i Slave niezależnie od stanu wejść CLK, J i K. Bramkowane wejścia pozwalają na wykonywanie różnych funkcji bez konieczności stosowania zewnętrznych bramek.
Z powodu wewnętrznego buforowania sygnału zegarowego CLK, wejścia JK przyjmują dane przy stanie niskim CLK, a przesyła danych z przerzutnika Master do Slave odbywa się przy przejściu sygnału zegarowego CLK ze stanu niskiego 0 w stan wysoki 1. Gdy linia CLK ma stan wysoki 1, wejścia danych są zablokowane.
| Wejścia | Wyjścia | |||
| JK | J | K | Q | Q |
| 0* | X | X | Qn | Qn |
| 1 | 0* | 0* | Qn | Qn |
| 1 | 0 | 1 | 0 | 1 |
| 1 | 1 | 0 | 1 | 0 |
| 1 | 1 | 1 | Qn | Qn |

| Qn – stan wyjścia po impulsie
zegarowym * – niski stan musi być utrzymany, gdy CLK = 0 |
|
| Opis parametru | 54104 | 74104 | Jednostka | |
| VCC | Napięcie zasilania | 4,5...5,5 | 4,75...5,25 | V |
| VIH | Napięcie wejściowe dla stanu 1 | 2 | 2 | V |
| VIL | Napięcie wejściowe dla stanu 0 | 0,8 | 0,8 | V |
| VOH | Napięcie wyjściowe dla stanu 1 | 2,4...2,7 | 2,4...2,7 | V |
| VOL | Napięcie wyjściowe dla stanu 0 | 0,2...0,4 | 0,2...0,4 | V |
| IIH | Prąd wejściowy w stanie 1, PRE / CLR | 8...120 | 8...120 | µA |
| Prąd wejściowy w stanie 1, J lub K | 4...80 | 4...80 | ||
| Prąd wejściowy w stanie 1, pozostałe | 2...40 | 2...40 | ||
| IIL | Prąd wejściowy w stanie 0, PRE / CLR | -3...-4,75 | -3...-4,75 | mA |
| Prąd wejściowy w stanie 0, J lub K | -2,2...-3,2 | -2,2...-3,2 | ||
| Prąd wejściowy w stanie 0, pozostałe | -1,1...-1,6 | -1,1...-1,6 | ||
| IOH | Prąd wyjściowy w stanie 1 | -1 | -1 | mA |
| IOL | Prąd wyjściowy w stanie 0 | 16 | 16 | mA |
| ICC | Prąd zasilania | 15...24 | 15...24 | mA |
| TA | Zakres temperatur pracy | -55...125 | 0...70 | °C |
| fmax | Zalecana częstotliwość | 40...50 | 40...50 | MHz |
| tPLH | Czas propagacji z 0 na 1, od CLK do Q/Q | 9...15 | 9...15 | ns |
| tPHL | Czas propagacji z 1 na 0, od CLK do Q/Q | 16...25 | 16...25 | ns |
| tsu | Czas przygotowania J i K przed CLK ↑ | 35 | 35 | ns |
| tw | Zalecana szerokość impulsu CLK = 0 | 15 | 15 | ns |
| Zalecana szerokość impulsu PRE / CLR = 0 | 20 | 20 |
![]() |
Zespół Przedmiotowy Chemii-Fizyki-Informatyki w I Liceum Ogólnokształcącym im. Kazimierza Brodzińskiego w Tarnowie ul. Piłsudskiego 4 ©2026 mgr Jerzy Wałaszek |
Materiały tylko do użytku dydaktycznego. Ich kopiowanie i powielanie jest dozwolone pod warunkiem podania źródła oraz niepobierania za to pieniędzy.
Pytania proszę przesyłać na adres email:
Serwis wykorzystuje pliki cookies. Jeśli nie chcesz ich otrzymywać, zablokuj je w swojej przeglądarce.
Informacje dodatkowe.