Serwis Edukacyjny
w I-LO w Tarnowie
Do strony głównej I LO w Tarnowie

Materiały dla uczniów liceum
 

  Wyjście       Spis treści       Wstecz       Dalej  

obrazek

Autor artykułu: mgr Jerzy Wałaszek

©2026 mgr Jerzy Wałaszek

74103 – dwa przerzutniki JK wyzwalane zboczem ujemnym z zerowaniem

74103

Oznaczenie graficzne przerzutnika JK typu 74103

obrazek

Opis

Układ 74103 zawiera dwa przerzutniki JK wyzwalane zboczem ujemnym z wejściami zerującymi (ang. Dual JK Negative-Edge-Triggered Flip-Fop with Clear). Każdy z przerzutników posiada osobne wejścia J, K, CLK oraz CLR. Gdy sygnał zegarowy CLK przyjmuje poziom wysoki, wejścia J i K zostają odblokowane i dane są przyjmowane przez przerzutnik. W tym stanie wejścia mogą się zmieniać, jednakże należy zachować minimalny czas ustalania tsu przed zmianą stanu sygnału zegarowego z 1 na 0. Stan wyjść zależy od stanu wejść tuż przed ujemnym zboczem sygnału CLK.

Układ jest przestarzały.

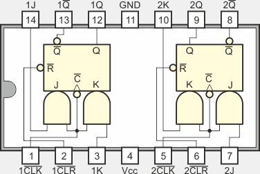
Wewnętrzna sieć logiczna przerzutnika JK typu 74103

obrazek

Tabelka stanów przerzutnika JK typu 74103

Wejścia Wyjścia
CLR CLK J K Q Q
0 X X X 0 1
1 0 0 Q0 Q0
1 1 0 1 0
1 0 1 0 1
1 1 1 Q0 Q0
1 1 X X Q0 Q0

Obudowa DIL-14

obrazek  

Wybrane parametry elektryczne

  Opis parametru 54H103 74H103 Jednostka
VCC Napięcie zasilania 4,5...5,5 4,75...5,25 V
VIH Napięcie wejściowe dla stanu 1 2 2 V
VIL Napięcie wejściowe dla stanu 0 0,8 0,8 V
VOH Napięcie wyjściowe dla stanu 1 2,4...3,4 2,4...3,4 V
VOL Napięcie wyjściowe dla stanu 0 0,2...0,4 0,2...0,4 V
IIH Prąd wejściowy w stanie 1, J lub K 50 50 µA
Prąd wejściowy w stanie 1, CLR 100 100
Prąd wejściowy w stanie 1, CLK -1000 -1000
IIL Prąd wejściowy w stanie 0, J lub K -1...-2 -1...-2 mA
Prąd wejściowy w stanie 0, CLR -1...-2 -1...-2
Prąd wejściowy w stanie 0, CLK -3...-4,8 -3...-4,8
IOH Prąd wyjściowy w stanie 1 -0,5 -0,5 mA
IOL Prąd wyjściowy w stanie 0 20 20 mA
ICC Prąd zasilania 20...38 20...38 mA
TA Zakres temperatur pracy -55...125 0...70 °C
fmax Zalecana częstotliwość 40...50 40...50 MHz
tPLH Czas propagacji z 0 na 1, od CLR 8...12 8...12 ns
Czas propagacji z 0 na 1, od CLK 10...15 10...15
tPHL Czas propagacji z 1 na 0, od CLR (CLK = 1) 15...20 15...20 ns
Czas propagacji z 1 na 0, od CLR (CLK = 0) 23...35 23...35
Czas propagacji z 1 na 0, od CLK 16...20 16...20
tsu Czas przygotowania J i K przed CLK ↓, stan 1 10 10  
Czas przygotowania J i K przed CLK ↓, stan 0 13 13 ns
tw Zalecana szerokość impulsu CLK = 1 10 10 ns
Zalecana szerokość impulsu CLK = 0 15 15
Zalecana szerokość impulsu CLR = 0 16 16

do podrozdziału  do strony 

Zespół Przedmiotowy
Chemii-Fizyki-Informatyki

w I Liceum Ogólnokształcącym
im. Kazimierza Brodzińskiego
w Tarnowie
ul. Piłsudskiego 4
©2026 mgr Jerzy Wałaszek

Materiały tylko do użytku dydaktycznego. Ich kopiowanie i powielanie jest dozwolone pod warunkiem podania źródła oraz niepobierania za to pieniędzy.
Pytania proszę przesyłać na adres email: i-lo@eduinf.waw.pl
Serwis wykorzystuje pliki cookies. Jeśli nie chcesz ich otrzymywać, zablokuj je w swojej przeglądarce.

Informacje dodatkowe.