|
Serwis Edukacyjny w I-LO w Tarnowie
Materiały dla uczniów liceum |
Wyjście Spis treści Wstecz Dalej
Autor artykułu: mgr Jerzy Wałaszek |
©2026 mgr Jerzy Wałaszek
|
![]() |
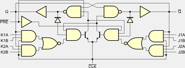
Układ 74101 zawiera jeden przerzutnik JK wyzwalany zboczem ujemnym z bramkowanymi wejściami AND-OR oraz z wejściem ustawiającym (ang. AND-OR-Gated JK Negative-Edge-Triggered Flip-Fop with Preset). Wejścia AND-OR są blokowane przy niskim poziomie sygnału zegarowego CLK. Gdy sygnał zegarowy CLK przyjmuje stan wysoki, wejścia zostają odblokowane. W stanie wysokim CLK wejścia mogą się zmieniać, jednakże należy zachować minimalny czas ustalania się sygnałów na tych wejściach przed zmianą CLK z 1 na 0. Stan wejść oddziałuje na wyjście po ujemnym zboczu CLK.
![]() |
| Wejścia | Wyjścia | ||||
| PRE | CLK | J | K | Q | Q |
| 0 | X | X | X | 1 | 0 |
| 1 | ↓ | 0 | 0 | Q0 | Q0 |
| 1 | ↓ | 1 | 0 | 1 | 0 |
| 1 | ↓ | 0 | 1 | 0 | 1 |
| 1 | ↓ | 1 | 1 | Q0 | Q0 |
| 1 | 1 | X | X | Q0 | Q0 |

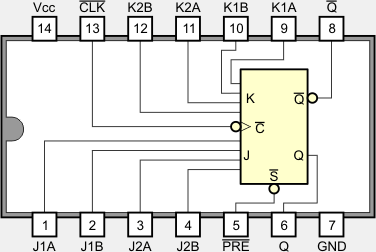
54H101J |
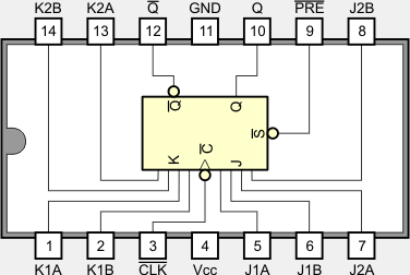
![]() 54H101W |
| Opis parametru | 54H101 | 74H101 | Jednostka | |
| VCC | Napięcie zasilania | 4,5...5,5 | 4,75...5,25 | V |
| VIH | Napięcie wejściowe dla stanu 1 | 2 | 2 | V |
| VIL | Napięcie wejściowe dla stanu 0 | 0,8 | 0,8 | V |
| VOH | Napięcie wyjściowe dla stanu 1 | 2,4...3,4 | 2,5...3,4 | V |
| VOL | Napięcie wyjściowe dla stanu 0 | 0,2...0,4 | 0,2...0,4 | V |
| IIH | Prąd wejściowy w stanie 1, J lub K | 50 | 50 | µA |
| Prąd wejściowy w stanie 1, PRE | 100 | 100 | ||
| Prąd wejściowy w stanie 1, CLK | -1000 | -1000 | ||
| IIL | Prąd wejściowy w stanie 0, J lub K | -1...-2 | -1...-2 | mA |
| Prąd wejściowy w stanie 0, PRE | -1...-2 | -1...-2 | ||
| Prąd wejściowy w stanie 0, CLK | -3...-4,8 | -3...-4,8 | ||
| IOH | Prąd wyjściowy w stanie 1 | -0,5 | -0,5 | mA |
| IOL | Prąd wyjściowy w stanie 0 | 20 | 20 | mA |
| ICC | Prąd zasilania | 20...38 | 20...38 | mA |
| TA | Zakres temperatur pracy | -55...125 | 0...70 | °C |
| fmax | Zalecana częstotliwość | 40...50 | 40...50 | MHz |
| tPLH | Czas propagacji z 0 na 1, od PRE | 8...12 | 8...12 | ns |
| Czas propagacji z 0 na 1, od CLK | 10...15 | 10...15 | ||
| tPHL | Czas propagacji z 1 na 0, od PRE (CLK = 1) | 15...20 | 15...20 | ns |
| Czas propagacji z 1 na 0, od PRE (CLK = 0) | 23...35 | 23...35 | ||
| Czas propagacji z 1 na 0, od CLK | 16...20 | 16...20 | ||
| tsu | Czas przygotowania J i K przed CLK ↓, stan 1 | 10 | 10 | |
| Czas przygotowania J i K przed CLK ↓, stan 0 | 13 | 13 | ns | |
| tw | Zalecana szerokość impulsu CLK = 1 | 10 | 20 | ns |
| Zalecana szerokość impulsu CLK = 0 | 15 | 47 | ||
| Zalecana szerokość impulsu PRE = 0 | 16 | 25 |
![]() |
Zespół Przedmiotowy Chemii-Fizyki-Informatyki w I Liceum Ogólnokształcącym im. Kazimierza Brodzińskiego w Tarnowie ul. Piłsudskiego 4 ©2026 mgr Jerzy Wałaszek |
Materiały tylko do użytku dydaktycznego. Ich kopiowanie i powielanie jest dozwolone pod warunkiem podania źródła oraz niepobierania za to pieniędzy.
Pytania proszę przesyłać na adres email:
Serwis wykorzystuje pliki cookies. Jeśli nie chcesz ich otrzymywać, zablokuj je w swojej przeglądarce.
Informacje dodatkowe.