|
Serwis Edukacyjny w I-LO w Tarnowie
Materiały dla uczniów liceum |
Wyjście Spis treści Wstecz Dalej
Autor artykułu: mgr Jerzy Wałaszek |
©2026 mgr Jerzy Wałaszek
|
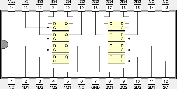
![]() |
Układ 74100 zawiera 8 przerzutników D Latch (ang. 8-Bit Bistable Latches) połączonych w dwa zespoły po 4 sztuki o wspólnych sygnałach zegarowych C. Gdy sygnał C przyjmuje stan wysoki, na wyjściu Q przerzutnika pojawia się stan jego wejścia D. Gdy sygnał C zmieni się na 0, wyjście zapamięta stan wejścia D, który był w czasie przejścia sygnału z 1 na 0
Tabelka funkcji
| D | C | Q |
| 1 | 1 | 1 |
| 0 | 1 | 0 |
| X | 0 | Qn-1 |
| Qn-1 – stan, który panował tuż przed zmianą C z 1 na 0 |
![]() |
![]() |
| Opis parametru | 54100 | 74100 | Jednostka | |
| VCC | Napięcie zasilania | 4,5...5,5 | 4,75...5,25 | V |
| VIH | Napięcie wejściowe dla stanu 1 | 2 | 2 | V |
| VIL | Napięcie wejściowe dla stanu 0 | 0,8 | 0,8 | V |
| VOH | Napięcie wyjściowe dla stanu 1 | 2,4...3,4 | 2,4...3,4 | V |
| VOL | Napięcie wyjściowe dla stanu 0 | 0,2...0,4 | 0,2...0,4 | V |
| IIH | Prąd wejściowy w stanie 1, D | 80 | 80 | µA |
| Prąd wejściowy w stanie 1, C | 320 | 320 | ||
| IIL | Prąd wejściowy w stanie 0, D | -3,2 | -3,2 | mA |
| Prąd wejściowy w stanie 0, C | -12,8 | -12,8 | ||
| IOH | Prąd wyjściowy w stanie 1 | -0,4 | -0,4 | mA |
| IOL | Prąd wyjściowy w stanie 0 | 16 | 16 | mA |
| ICC | Prąd zasilania | 64...92 | 64...106 | mA |
| TA | Zakres temperatur pracy | -55...125 | 0...70 | °C |
| tPLH | Czas propagacji z 0 na 1, od D do Q | 16...30 | 16...30 | ns |
| Czas propagacji z 0 na 1, od C do Q | 14...25 | 14...25 | ||
| tPHL | Czas propagacji z 1 na 0, od D do Q | 16...30 | 16...30 | ns |
| Czas propagacji z 1 na 0, od C do Q | 7...15 | 7...15 | ||
| tsu | Czas przygotowania D przed imp. zeg. | 20 | 20 | ns |
| th | Czas utrzymania D po imp. zeg. | 5 | 5 | ns |
| tw | Zalecana szerokość impulsu C | 20 | 20 | ns |
![]() |
Zespół Przedmiotowy Chemii-Fizyki-Informatyki w I Liceum Ogólnokształcącym im. Kazimierza Brodzińskiego w Tarnowie ul. Piłsudskiego 4 ©2026 mgr Jerzy Wałaszek |
Materiały tylko do użytku dydaktycznego. Ich kopiowanie i powielanie jest dozwolone pod warunkiem podania źródła oraz niepobierania za to pieniędzy.
Pytania proszę przesyłać na adres email:
Serwis wykorzystuje pliki cookies. Jeśli nie chcesz ich otrzymywać, zablokuj je w swojej przeglądarce.
Informacje dodatkowe.