|
Wyjście Spis treści Wstecz Dalej
Autor artykułu |
©2026 mgr Jerzy Wałaszek
|

If you use Microchip copyrighted material solely for educational (non-profit) purposes falling under the “fair use” exception of the U.S. Copyright Act of 1976 then you do not need Microchip’s written permission. For example, Microchip’s permission is not required when using copyrighted material in: (1) an academic report, thesis, or dissertation; (2) classroom handouts or textbook; or (3) a presentation or article that is solely educational in nature (e.g., technical article published in a magazine).
https://www.microchip.com/about-us/legal-information/copyright-usage-guidelines
| Uwaga: | Przeciążenie układu poza podane tutaj wartości ekstremalne może spowodować jego trwałe uszkodzenie. Również wystawienie układu przez dłuższy czas na podane tutaj warunki ekstremalne może wpłynąć na poprawność działania mikrokontrolera. |
| Temperatura pracy | -55°C do +125°C | |
| Temperatura przechowywania | -65°C do +150°C | |
| Napięcie względem masy na dowolnej końcówce z wyjątkiem RESET | -0,5V do VCC+0,5V | |
| Napięcie względem masy na końcówce RESET | -0,5V do +13,0V | |
| Maksymalne napięcie pracy | 6,0V | |
| Prąd stały na końcówkę we/wy | 40,0 mA | |
| Prąd stały na końcówkach VCC i GND | 200,0 mA |
| Symbol | Parametr | Warunki | Min. | Typ. | Max. | Jednostka |
| VIL | Napięcie wejściowe w stanie niskim z wyjątkiem końcówek XTAL1 oraz RESET | VCC = 1,8V - 2,4V VCC = 2,4V - 5,5V |
-0,5 | 0,2VCC 0,3VCC |
V | |
| VIH | Napięcie wejściowe w stanie wysokim z wyjątkiem końcówek XTAL1 oraz RESET | VCC = 1,8V - 2,4V VCC = 2,4V - 5,5V |
0,7VCC(1) 0,6VCC(1) |
VCC +0,5(2) | V | |
| VIL1 | Napięcie wejściowe w stanie niskim na końcówce XTAL1 | VCC = 1,8V - 5,5V | -0,5 | 0,1VCC | V | |
| VIH1 | Napięcie wejściowe w stanie wysokim na końcówce XTAL1 | VCC = 1,8V - 2,4V VCC = 2,4V - 5,5V |
0,8VCC(1) 0,7VCC(1) |
VCC +0,5(2) | V | |
| VIL2 | Napięcie wejściowe w stanie niskim na końcówce RESET | VCC = 1,8V - 5,5V | -0,5 | 0,2VCC | V | |
| VIH2 | Napięcie wejściowe w stanie wysokim na końcówce RESET | VCC = 1,8V - 5,5V | 0,9VCC(1) | VCC +0,5(2) | V | |
| VIL3 | Napięcie wejściowe w stanie niskim na końcówce RESET jako końcówce we/wy | VCC = 1,8V - 2,4V VCC = 2,4V - 5,5V |
-0,5 | 0,2VCC 0,3VCC |
V | |
| VIH3 | Napięcie wejściowe w stanie wysokim na końcówce RESET jako końcówce we/wy | VCC = 1,8V - 2,4V VCC = 2,4V - 5,5V |
0,7VCC(1) 0,6VCC(1) |
VCC +0,5(2) | V | |
| VOL | Napięcie wyjściowe w stanie niskim(3) za wyjątkiem RESET(5) | IOL = 20 mA, VCC =
5V IOL = 10mA, VCC = 3V |
0,8 0,6 |
V | ||
| VOH | Napięcie wyjściowe w stanie wysokim(4) za wyjątkiem RESET(5) | IOL = -20 mA, VCC =
5V IOL = -10mA, VCC = 3V |
4,2 2,4 |
V | ||
| IIL | Wejściowy prąd upływu dla końcówki we/wy w stanie niskim | VCC = 5,5V (wartość bezwzględna) |
1(6) | μA | ||
| IIH | Wejściowy prąd upływu dla końcówki we/wy w stanie wysokim | VCC = 5,5V (wartość bezwzględna) |
1(6) | μA | ||
| RRST | Opornik podciągający resetu | 30 | 60 | kΩ | ||
| Rpu | Opornik podciągający we/wy | 20 | 50 | kΩ | ||
| ICC | Prąd zasilania | Aktywny 1MHz, VCC = 2V(7) | 0,2 | 0,55 | mA | |
| Aktywny 4MHz, VCC = 3V(7) | 1,3 | 2,5 | mA | |||
| Aktywny 8MHz, VCC = 5V(7) | 3,9 | 7 | mA | |||
| Bezczynny 1MHz, VCC = 2V(7) | 0,03 | 0,15 | mA | |||
| Bezczynny 4MHz, VCC = 3V(7) | 0,25 | 0,6 | mA | |||
| Bezczynny 8MHz, VCC = 5V(7) | 1 | 2 | mA | |||
| Tryb wyłączenia | WDT włączony, VCC = 3V(8) | 4 | 10 | μA | ||
| WDT wyłączony, VCC = 3V(8) | <0,15 | 2 | μA |
| Uwagi: | 1. | "Min" oznacza najniższą wartość, dla której końcówka daje gwarancję odczytu jako stan wysoki. |
| 2. | "Max" oznacza najwyższą wartość, dla której końcówka daje gwarancję odczytu jako stan niski. | |
| 3. | Chociaż każdy port we/wy może
pochłonąć prąd większy niż w warunkach testowych
(20 mA przy VCC = 5V,
10 mA przy VCC = 3V) w stanie
ustalonym, to należy przestrzegać zalecenia: Suma wszystkich prądów IOL dla wszystkich portów nie powinna przekroczyć 60 mA. Jeśli IOL przekracza warunki testowe, to VOL może wykroczyć poza podaną specyfikację. Nie gwarantuje się pochłaniania przez końcówki prądów większych niż te podane w warunkach testowych. |
|
| 4. | Chociaż każdy port we/wy może
wyprowadzać prąd większy niż w warunkach testowych
(20 mA przy VCC = 5V,
10 mA przy VCC = 3V) w stanie
ustalonym (nie przejściowym,
chwilowym), to należy przestrzegać zalecenia: Suma wszystkich prądów IOH dla wszystkich portów nie powinna przekroczyć 60 mA. Jeśli IOH przekracza warunki testowe, to VOH może wykroczyć poza podaną specyfikację. Nie gwarantuje się wyprowadzania przez końcówki prądów większych niż te podane w warunkach testowych. |
|
| 5. | Końcówka RESET musi tolerować wysokie napięcia, gdy następuje wejście w tryby programowania mikrokontrolera i w rezultacie posiada ona niską moc sterowania w porównaniu z normalnymi końcówkami we/wy. Zobacz na rys. 29 i rys. 30. | |
| 6. | To są graniczne wyniki testu, które liczą się na prądy upływów w środowisku testowym. Rzeczywisty mikrokontroler posiada niższe prądy upływów. | |
| 7. | Wartości otrzymane po zastosowaniu metod opisanych w podrozdziale "Minimalizowanie poboru energii". Oszczędzanie energii włączone (PRR = 0xFF), wybrany zegar zewnętrzny (CKSEL = 0000) i wyłączone sterowanie końcówkami we/wy. | |
| 8. | Wyłączony moduł wykrywania spadku napięcia zasilania (BOD). |
Maksymalna częstotliwość pracy mikrokontrolera zależy od napięcia zasilającego VCC. Związek pomiędzy napięciem zasilania a maksymalną częstotliwością pracy jest częściami liniowy, co pokazuje poniższy rysunek:

Możliwa jest ręczna kalibracja wewnętrznego oscylatora w celu osiągnięcia większej dokładności od standardowej kalibracji fabrycznej. Zauważ, iż częstotliwość oscylatora zależy od temperatury i napięcia. Parametry napięciowe i temperaturowe pokazują rys. 46 i rys. 47.
Dokładność kalibracji wewnętrznego oscylatora RC
| Metoda kalibracji |
Docelowa częstotliwość | VCC | Temperatura | Dokładność przy danym napięciu i temperaturze |
| Kalibracja fabryczna |
4,0 / 8,0 MHz | 3V | 25°C | ±10% |
| Kalibracja użytkownika |
Stała częstotliwość w zakresie 3,1 – 4,7 MHz 7,3 – 9,1 MHz |
Stałe napięcie w zakresie 1,8V – 5,5V |
Stała temperatura w zakresie -40°C – 85°C |
±2% |
Przebieg
sygnału dla zegara zewnętrznego

Parametry zegara zewnętrznego
| Symbol | Parametr | VCC = 1,8 - 5,5V | VCC = 2,7 - 5,5V | VCC = 4,5 - 5,5V | Jednostki | |||
| Min. | Max. | Min. | Max. | Min. | Max. | |||
| 1/tCLCL | Częstotliwość zegara | 0 | 4 | 0 | 10 | 0 | 20 | MHz |
| tCLCL | Okres zegara | 250 | 100 | 50 | ns | |||
| tCHCX | Czas stanu wysokiego | 100 | 40 | 20 | ns | |||
| tCLCX | Czas stanu niskiego | 100 | 40 | 20 | ns | |||
| tCLCH | Czas narastania | 2,0 | 1,6 | 0,5 | μs | |||
| tCHCL | Czas opadania | 2,0 | 1,6 | 0,5 | μs | |||
| ΔtCLCL | Zmiana okresu z cyklu na cykl | 2 | 2 | 2 | % | |||
Parametry resetu, wykrywania spadku napięcia oraz wewnętrznego napięcia odniesienia
| Symbol | Parametr | Warunki | Min. | Typ. | Maks. | Jednostki |
| VRST | Napięcie progowe końcówki RESET | VCC = 1,8V - 5,5V | 0,2VCC | 0,8VCC | V | |
| tRST | Minimalna szerokość impulsu na końcówce RESET(1)(2) | VCC = 1,8V - 5,5V | 2,5 | μs | ||
| VHYST | Histereza detektora spadku napięcia zasilania(2) | 50 | mV | |||
| tBOD | Minimalna szerokość impulsu dla resetu przy spadku zasilania(2) | 2 | μs | |||
| VBG | Wewnętrzne napięcie odniesienia | 1,0 | 1,1 | 1,2 | V | |
| tBG | Czas włączania napięcia odniesienia(2) | 40 | 70 | μs | ||
| IBG | Pobór prądu przez układ napięcia odniesienia(2) | 15 | μA |
| Uwagi: | 1. | Gdy końcówka RESET jest używana jako reset, a nie jako końcówka we/wy. |
| 2. | Nietestowane w produkcji. |
Parametry rozszerzonego resetu przy włączaniu, TA = -40 – 85°C
| Symbol | Parametr | Min.(1) | Typ.(1) | Maks.(1) | Jednostki |
| VPOR | Próg uwalniania z resetu przy włączaniu(2) | 1,1 | 1,4 | 1,6 | V |
| VPOA | Próg aktywacji resetu przy włączaniu(3) | 0,6 | 1,3 | 1,6 | V |
| SRON | Prędkość narastania napięcia przy włączaniu | 0,01 | V/ms |
| Uwagi: | 1. | Wartości są jedynie wskazówkami. |
| 2. | Próg uwalniania z resetu, gdy napięcie rośnie. | |
| 3. | Reset przy włączaniu nie zadziała, jeśli napięcie nie spadnie poniżej VPOA |
VBOD w funkcji kodowania bitów bezpiecznikowych BODLEVEL
| BODLEVEL[1:0] | Min.(1) | Typ.(1) | Maks.(1) | Jednostki |
| 11 | Moduł BOD wyłączony | |||
| 10 | 1,7 | 1,8 | 2,0 | V |
| 01 | 2,5 | 2,7 | 2,9 | |
| 00 | 4,1 | 4,3 | 4,5 | |
Parametry komparatora analogowego, TA = -40°C do +85°C
| Symbol | Parametr | Warunki | Min. | Typ. | Maks. | Jednostki |
| VAIO | Wejściowe napięcie niezrównoważenia | VCC = 5V, VIN = VCC / 2 | <10 | 40 | mV | |
| ILAC | Wejściowy prąd upływu | VCC = 5V, VIN = VCC / 2 | -50 | 50 | nA | |
| tAPD | Opóźnienie propagacji analogowej (od nasycenia do lekkiego przesterowania) | VCC = 2,7V | 750 | ns | ||
| VCC = 4,0V | 500 | |||||
| Opóźnienie propagacji analogowej (zmiana o dużą wartość) | VCC = 2,7V | 100 | ||||
| VCC = 4,0V | 75 | |||||
| tDPD | Opóźnienie propagacji cyfrowej | VCC = 1,8V - 5,5V | 1 | 2 | CLK |
| Uwaga: | Wszystkie dane oparte są na wynikach symulacji i nie testuje się ich w produkcji. |
Parametry programowania równoległego, VCC = 5V ± 10%
| Symbol | Parametr | Min. | Typ. | Maks. | Jednostki |
| VPP | Napięcie uaktywniające programowanie | 11,5 | 12,5 | V | |
| IPP | Prąd uaktywniający programowanie | 250 | μA | ||
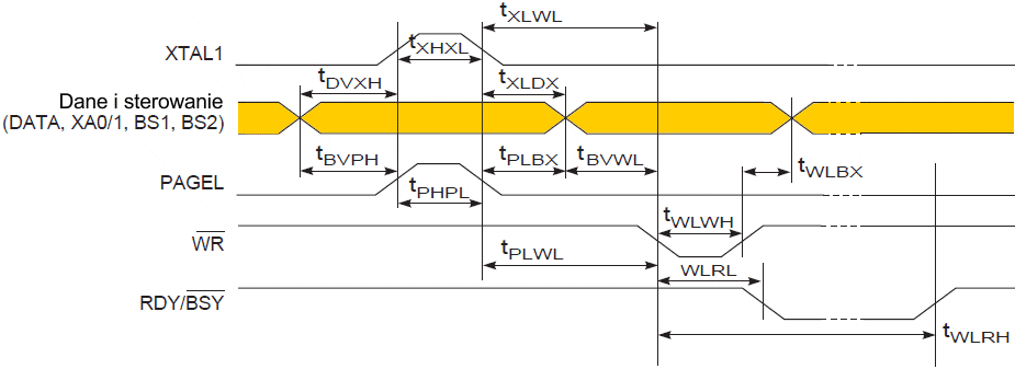
| tDVXH | Dane i sygnały sterowania ważne przed stanem wysokim na XTAL1 | 67 | ns | ||
| tXLXH | Czas pomiędzy przejściem XTAL1 w stan niski a przejściem XTAL1 w stan wysoki | 200 | ns | ||
| tXHXL | Szerokość okresu wysokiego impulsu XTAL1 | 150 | ns | ||
| tXLDX | Przetrzymanie danych i sygnałów sterowania po stanie niskim na XTAL1 | 67 | ns | ||
| tXLWL | Czas od stanu niskiego na XTAL1 do stanu niskiego na WR | 0 | ns | ||
| tXLPH | Czas od stanu niskiego na XTAL1 do stanu wysokiego na PAGEL | 0 | ns | ||
| tPLXH | Czas od stanu niskiego na PAGEL do stanu wysokiego na XTAL1 | 150 | ns | ||
| tBVPH | Czas ważności BS1 przed stanem wysokim na PAGEL | 67 | ns | ||
| tPHPL | Szerokość okresu wysokiego impulsu PAGEL | 150 | ns | ||
| tPLBX | Przetrzymanie BS1 po stanie niskim na PAGEL | 67 | ns | ||
| tWLBX | Przetrzymanie BS2/1 po stanie niskim na WR | 67 | ns | ||
| tPLWL | Czas od stanu niskiego PAGEL do stanu niskiego WR | 67 | ns | ||
| tBVWL | Czas ważności BS1 do stanu niskiego WR | 67 | ns | ||
| tWLWH | Szerokość okresu niskiego impulsu WR | 150 | ns | ||
| tWLRL | Czas stanu niskiego na WR do stanu niskiego RDY/BSY | 0 | 1 | μs | |
| tWLRH | Czas stanu niskiego na WR do stanu wysokiego RDY/BSY(1) | 3,7 | 4,5 | ms | |
| tWLRH_CE | Czas stanu niskiego na WR do stanu wysokiego RDY/BSY(2) dla rozkazu kasowania układu | 7,5 | 9 | ms | |
| tXLOL | Czas stanu niskiego na XTAL1 do stanu niskiego na OE | 0 | ns | ||
| tBVDV | Czas ważności BS1 do ważności DATA | 0 | 1000 | ns | |
| tOLDV | Czas od stanu niskiego na OE do ważności DATA | 1000 | ns | ||
| tOHDZ | Czas od stanu wysokiego na OE do przejściw w stan wysokiej impedancji DATA | 1000 | ns |
| Uwagi: | 1. | tWLRH odnosi się do rozkazów zapisu FLASH, EEPROM, bitów bezpiecznikowych i bitów blokujących. |
| 2. | tWLRH_CE odnosi się do rozkazu kasowania układu (ang. Chip Erase). |
Czasy w
programowaniu równoległym z niektórymi ogólnymi wymaganiami
czasowymi

Czasy w
programowaniu równoległym, sekwencja ładowania z wymaganiami
czasowymi(1)

| Uwaga: | 1. | Wymagania czasowe pokazane na poprzednim rysunku (np. tDVXH, tXHXL i tXLDX) odnoszą się również do operacji ładowania. |
Czasy w
programowaniu równoległym, sekwencja odczytu z wymaganiami
czasowymi(1)

Czasy w
programowaniu szeregowym

Przebiegi
sygnałów w programowaniu szeregowym

Parametry programowania szeregowego, TA = -40°C ... 85°C, VCC = 1,8 - 5,5V (o ile nie podano inaczej)
| Symbol | Parametr | Min. | Typ. | Maks. | Jednostki |
| 1/tCLCL | Częstotliwość oscylatora (ATtiny2313A/4313) | 0 | 4 | MHz | |
| tCLCL | Okres oscylatora (ATtiny2313A/4313) | 250 | ns | ||
| 1/tCLCL | Częstotliwość oscylatora (ATtiny2313A/4313, VCC = 4,5 - 5,5V) | 0 | 20 | MHz | |
| tCLCL | Okres oscylatora (ATtiny2313A/4313, VCC = 4,5 - 5,5V) | 50 | ns | ||
| tSHSL | Szerokość okresu wysokiego impulsu na końcówce SCK | 2 tCLCL (1) | ns | ||
| tSLSH | Szerokość okresu niskiego impulsu na końcówce SCK | 2 tCLCL (1) | ns | ||
| tOVSH | Ustalanie MOSI przed stanem wysokim na SCK | tCLCL | ns | ||
| tSHOX | Utrzymywanie MOSI po stanie wysokim na SCK | 2 tCLCL | ns | ||
| tSLIV | Czas od stanu niskiego SCK do ważności MISO | 100 | ns |
| Uwaga: | 1. | 2 tCLCL dla fck < 12 MHz, 3 tCLCL dla fck >= 12 MHz |
![]() |
Zespół Przedmiotowy Chemii-Fizyki-Informatyki w I Liceum Ogólnokształcącym im. Kazimierza Brodzińskiego w Tarnowie ul. Piłsudskiego 4 ©2026 mgr Jerzy Wałaszek |
Materiały tylko do użytku dydaktycznego. Ich kopiowanie i powielanie jest dozwolone pod warunkiem podania źródła oraz niepobierania za to pieniędzy.
Pytania proszę przesyłać na adres email:
Serwis wykorzystuje pliki cookies. Jeśli nie chcesz ich otrzymywać, zablokuj je w swojej przeglądarce.
Informacje dodatkowe.