![]() |
Autor artykułu: mgr Jerzy Wałaszek, wersja1.0 Konsultacja: Wojciech Grodowski |
©2013 mgr
Jerzy Wałaszek
|
![]()
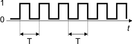
Okresem T generatora nazywamy czas pomiędzy dwoma zboczami dodatnimi (przejście z 0 na 1) lub ujemnymi (przejście z 1 na 0) w generowanym sygnale.

Częstotliwością f generatora nazywamy liczbę impulsów (zmiana z 0 na 1 i z powrotem z 1 na 0) w ciągu jednej sekundy. Częstotliwość i okres generatora są ze sobą powiązane prostą zależnością:

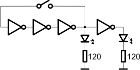
Najprostszy generator możemy zbudować z 3 bramek NOT (z nieparzystej liczby bramek). W tym celu wystarczy połączyć bramki szeregowo, a wyjście ostatniej dołączyć do wejścia pierwszej bramki:
![]()
Zwróć uwagę, że taki układ bramek nie może znajdować się w stanie stabilnym. Załóżmy, że na wejściu pierwszej bramki pojawia się stan logiczny 0. Po krótkim czasie propagacji (czas ustalenia się napięcia wyjściowego bramki w funkcji napięcia wejściowego) na wyjściu tej bramki pojawi się stan 1, który z kolei trafia na wejście drugiej bramki. Znów po krótkim czasie propagacji na wyjściu drugiej bramki pojawi się stan 0, który wysteruje wejście trzeciej bramki. Ta z kolei po czasie propagacji umieści na swoim wyjściu stan 1. Stan ten przeniesie się na wejscie pierwszej bramki, gdzie dotychczas panował stan 0. Spowoduje to ponowne, kaskadowe zmiany stanów bramek na przeciwne i tak w kółko.
Dla nas "wadą" powyższego generatora jest niezbyt stabilna częstotliwość pracy oraz bardzo krótki okres: około 60ns (czas propagacji sygnału wynosi 30ns – po 10ns na bramkę, na jeden okres wchodzą dwie zmiany sygnału z 0 na 1 i z 1 na 0, stąd dostajemy 60ns). Daje to częstotliwość generatora równą 16666666 [Hz] = 16,66 [MHz], czyli ponad 16 milionów cykli na sekundę. Dla bramek wersji szybkiej czas propagacji przez bramkę jest równy około 3ns, co potroi tę częstotliwość. "Wadą" tak dużych częstotliwości jest to, że nasze oko nie będzie w stanie jej zaobserwować. Możemy jednak pośrednio sprawdzić, czy dany układ faktycznie wykonuje drgania.
![]() |
SN7404
|
W pętli zwrotnej umieszczamy włącznik. Jeśli nie będzie on wciśnięty, to pętla zostanie rozwarta i generator nie będzie generował impulsów. W takim przypadku zawsze będzie zaświecona tylko jedna z diod LED. Gdy naciśniemy przycisk, pętla zwrotna będzie przekazywała stan wyjścia bramki trzeciej na wejście bramki pierwszej. Układ przestanie być stabilny i zacznie wykonywać naprzemienne drgania. Będzie to powodowało naprzemienne zaświecanie diod LED. Jednakże proces ten jest tak szybki, iż oko nie jest w stanie go rozróżnić. Dla nas zaświecą się obie diody naraz. Będzie to właśnie dowodem, że nasz generator podjął pracę.
Spis elementów:
| Element | Ilość | Opis |
| zasilacz 5V | 1 | do zasilania elementów elektronicznych |
| płytka stykowa + kable | 1 | do montażu elementów elektronicznych |
| SN7404 | 1 | 6 bramek NOT (inwerterów) |
| opornik 120Ω/0,125W | 2 | –( )– do ograniczania napięcia i prądu diody LED |
| czerwona dioda LED | 2 | do sygnalizacji stanu wysokiego |
| mikroprzełącznik | 1 | do zwierania pętli zwrotnej generatora |

Gdy przycisk nie jest naciśnięty, górna dioda jest zapalona (z dodatkowej bramki NOT), dolna jest zgaszona (wyjście generatora). Gdy naciśniesz przycisk, zapalą się obie diody, jednak będą świeciły mniej intensywnie. Świadczy to o tym, że generator podjął pracę i diody są zaświecane naprzemiennie miliony razy na sekundę. Gdy zwolnisz przycisk, generator przestaje działać i znów zapala się górna dioda.

Zbudowany on jest z dwóch przewodników rozdzielonych od siebie za pomocą tzw. dielektryka, czyli materiału nieprzewodzącego prądu elektrycznego. Gdy do tych przewodników doprowadzimy napięcie elektryczne, to zaczną się na nich gromadzić ładunki elektryczne. Ładunki te wytworzą pomiędzy przewodnikami napięcie elektryczne, które będzie rosnąć wraz z przybywaniem ładunków aż osiągnie wartość napięcia zasilającego. W trakcie ładowania kondensatora płynie przez niego chwilowy prąd do momentu, aż zgromadzone ładunki wytworzą napięcie równe napięciu zasilającemu. Wtedy oba napięcia się zniosą i prąd przestanie płynąć. Kondensator przejdzie w stan nasycenia.

UZ = UC + UR
Nie wgłębiając się w szczegóły teoretyczne, powiedzmy, że czas osiągnięcia przez kondensator stanu nasycenia jest proporcjonalny do iloczynu RC, gdzie R to oporność opornika R, a C jest pojemnością kondensatora. Opór wyrażamy w omach, a pojemność w faradach. Im większy opór czy pojemność tym czas ten jest dłuższy.
Jeśli naładowany kondensator zewrzemy poprzez opór, to nastąpi zjawisko odwrotne – rozładowanie kondensatora.

UC = UR
Znów popłynie krótki prąd. Rozładowanie powoduje spadek napięcia na kondensatorze w miarę ubywania ładunków elektrycznych. Proces ten zakończy się, gdy kondensator zostanie całkowicie rozładowany. Czas rozładowania również jest proporcjonalny do iloczynu RC. Zwróć uwagę, że przy rozładowywaniu napięcie na oporniku R ma zwrot przeciwny i jest równe co do wartości napięciu na kondensatorze.
Rozważmy teraz bardzo prosty generator zbudowany z dwóch bramek NOT, opornika i kondensatora. Podane tutaj wyjaśnienie jest tylko przybliżone (w rzeczywistości należałoby omówić tzw. bramki zlinearyzowane), lecz wystarczające do zrozumienia zasady działania tego generatora.

W bardzo dużym uproszczeniu wyjście bramki NOT możemy potraktować jak przełącznik:

Gdy na wejściu bramki NOT mamy stan 0, to na jej wyjściu pojawia się stan 1. Możemy ten stan potraktować tak, jakby wyjście zostało połączone "przełącznikiem" do napięcia 3,3V. Gdy na wejściu bramki NOT mamy stan 1, to na jej wyjściu pojawia się stan 0, co odpowiada zwarciu wyjścia do masy (z uwagi na spadki napięć wewnątrz układu napięcie w tym stanie nie jest równe 0V, lecz wynosi około 0,8V).
Wróćmy teraz do naszego generatora. Załóżmy, że kondensator C jest rozładowany i na wejściu pierwszej bramki panuje stan 0. Wtedy na jej wyjściu musi być stan 1, a na wyjściu drugiej bramki musi być stan 0:

W takim układzie kondensator zaczyna się ładować poprzez opornik R z wyjścia pierwszej bramki. Napięcie na kondensatorze rośnie. Jednocześnie napięcie to pojawia się na wejściu pierwszej bramki w punkcie A. Przerywaną linią niebieską zaznaczyliśmy na wykresie poziom napięcia, który spowoduje przełączenie pierwszej bramki w stan przeciwny, tzn. na jej wejściu pojawi się stan 1 z kondensatora, na wyjściu pojawi się stan 0, co z kolei wymusi stan 1 na wyjściu drugiej bramki. Układ zmieni konfigurację:

Ponieważ kondensator jest naładowany poprzednią polaryzacją napięcia, to przy przełączeniu bramek napięcie na kondensatorze doda się do napięcia wyjściowego bramki drugiej i w efekcie nastąpi chwilowy skok napięcia w punkcie A. Kondensator zacznie się rozładowywać poprzez opornik R, a następnie będzie się ładował napięciem przeciwnym. Proces ten spowoduje stopniowe obniżanie się napięcia w punkcie A aż do momentu, gdy osiągnie ono poziom przełączania bramki pierwszej, który zaznaczyliśmy na wykresie przerywaną linią niebieską. Układ znów zmieni konfigurację na przeciwną:

Ponieważ w momencie przełączenia kondensator jest naładowany odwrotnym napięciem, to nastąpi chwilowy spadek napięcia w punkcie A poniżej 0V. Teraz kondensator najpierw rozładuje się poprzez opornik R, a następnie zacznie się ładować napięciem wyjściowym bramki pierwszej. Napięcie w punkcie A będzie rosło aż osiągnie poziom przełączania bramki pierwszej. Wtedy cały cykl się powtórzy i generator zacznie generować naprzemiennie stany 0 i 1. Okres generatora zależy od użytych elementów R i C. Nie będziemy go wyliczać, ponieważ jest to dosyć skomplikowane (nasz model jest jedynie uproszczeniem, które pozwala zrozumieć zasadę działania tego generatora, w rzeczywistości diabeł tkwi w szczegółach).
![]() |
SN7404LS
|
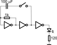
Równolegle z kondensatorem umieszczamy włącznik. Gdy będziemy go naciskać, generator będzie generował impulsy, które spowodują mruganie diody.
Spis elementów:
| Element | Ilość | Opis |
| zasilacz 5V | 1 | do zasilania elementów elektronicznych |
| płytka stykowa + kable | 1 | do montażu elementów elektronicznych |
| SN7404LS | 1 | 6 bramek NOT (inwerterów koniecznie w wersji LS) |
| opornik 1kΩ/0,125W | 1 | –( )– do ładowania kondensatora |
| opornik 120Ω/0,125W | 1 | –( )– do ograniczania napięcia i prądu diody LED |
| kondensator 100µF | 1 | do generatora |
| czerwona dioda LED | 1 | do sygnalizacji stanu wysokiego na wyjściu bramki NOT |
| mikroprzełącznik | 1 | do zwierania pętli zwrotnej generatora |


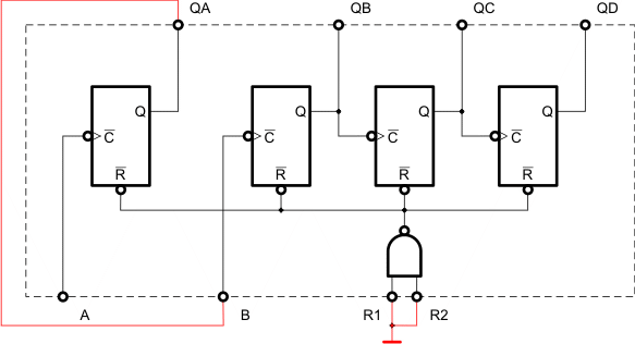
Przerzutniki te są tak ze sobą połączone, iż tworzą licznik 1-bitowy oraz licznik 3-bitowy. Funkcje wejść i wyjść są następujące:
| A | – | sygnał zegarowy licznika 1-bitowego |
| QA | – | wyjście danych licznika 1-bitowego |
| B | – | sygnał zegarowy licznika 3-bitowego |
| QB,QC,QD | – | wyjście danych licznika 3-bitowego |
| R1, R2 | – | wejście zerowania wszystkich przerzutników |
Podział na licznik 1-bitowy oraz 3-bitowy pozwala tworzyć różnego rodzaju liczniki binarne. Jeśli na wejścia R1 i R2 podamy jednocześnie stan wysoki, to wszystkie cztery przerzutniki zostaną wyzerowane. Wejścia te wykorzystuje się do tworzenia liczników zliczających impulsy do pewnej wartości.
Aby utworzyć 4-bitowy licznik binarny, sygnał zegarowy doprowadzamy do wejścia A, natomiast wyjście QA łączymy z wejściem B. Oba wejścia R1 i R2 należy połączyć z masą, aby panował na nich stan niski.

Zwróć uwagę, że w układzie scalonym wyjścia QA, QB, QC i QD są w kolejności: QA, QD, QB, QC.
|
SN7404LS
|
Spis elementów:
| Element | Ilość | Opis |
| zasilacz 5V | 1 | do zasilania elementów elektronicznych |
| płytka stykowa + kable | 1 | do montażu elementów elektronicznych |
| SN7404LS | 1 | 6 bramek NOT (inwerterów koniecznie w wersji LS) |
| SN7493 | 1 | licznik binarny 1 i 3 bity |
| opornik 1kΩ/0,125W | 1 | –( )– do ładowania kondensatora |
| opornik 220Ω/0,125W | 5 | –( )– do ograniczania napięcia i prądu diod LED |
| kondensator 100µF | 1 | do generatora |
| czerwona dioda LED | 5 | do sygnalizacji stanu wysokiego |
| mikroprzełącznik | 1 | do zwierania pętli zwrotnej generatora |

![]() | I Liceum Ogólnokształcące |
Pytania proszę przesyłać na adres email: i-lo@eduinf.waw.pl
W artykułach serwisu są używane cookies. Jeśli nie chcesz ich otrzymywać,
zablokuj je w swojej przeglądarce.
Informacje dodatkowe