![]() |
Autor artykułu: mgr Jerzy Wałaszek, wersja1.0 Konsultacja: Wojciech Grodowski |
©2013 mgr
Jerzy Wałaszek
|
Co będziesz potrzebował?

Miernik uniwersalny, tzw. multimetr pozwala mierzyć wiele różnych wielkości elektrycznych. Najczęściej będzie to napięcie elektryczne, prąd elektryczny oraz oporność elektryczna. Aby nie spalić miernika, należy stosować kilka podstawowych zasad.

My skonstruowaliśmy dwa zasilacze 5V na zajęciach koła. Ponieważ dla początkującego elektronika mogą to być zbyt trudne układy na początek, na razie zrezygnowałem z opisu ich wykonania.
W ostateczności możesz użyć baterii 4,5V lub 3 paluszków połączonych szeregowo. Możesz również zastosować 4 akumulatorki paluszkowe (akumulatory dają niższe napięcie od bateryjki: 1,2V zamiast 1,5). Ta ostatnia opcja ma tę zaletę, że po rozładowaniu akumulatorków możesz je tanio znów naładować w ładowarce.
![]() bateria 4,5V |
![]() 3 paluszki 1,5V |
![]() 4 akumulatorki 1,2V |
Bateryjki i akumulatorki łączymy szeregowo. Możesz w tym celu wykorzystać jakąś rurkę, w której umieszczasz bateryjki/akumulatorki. Rurka może być zakręcana, a na nakrętkach zamocowane małe sprężynki z podłączonymi przewodami. Pozostawiam to twojej inwencji.


Wraz z lutownicą powinieneś zakupić cynę oraz kalafonię.



Składniki te posłużą do lutowania. Wiele poradników na temat lutowania znajdziesz w serwisie YouTube. Wystarczy wpisać hasło "lutowanie" lub "soldering tutorial", jeśli jesteś mocny z angielskiego. Ja swoim uczniom pokazuję to bezpośrednio na zajęciach koła. Kalafonia służy do rozpuszczania tlenków miedzi na lutowanych powierzchniach. Dlatego zwykle przed lutowaniem pokrywam takie powierzchnie cienką warstewką kalafonii rozpuszczonej w zwykłym denaturacie. Również przewody przed zlutowaniem zanurz najpierw w roztopionej lutownicą kalafonii, a dopiero później pokrywaj cyną. Po kilku razach zaczniesz rozróżniać ładny, błyszczący lut od lutu "suchego", który jest matowy, bo pokryty tlenkami. Zamiast kalafonii używa się też tzw. pasty lutowniczej.

Płytka stykowa powinna być wyposażona w komplet przewodów połączeniowych:

Połączenia możesz również tworzyć na płytce stykowej za pomocą odpowiednio ukształtowanych kawałków drutu w izolacji (izolację należy usunąć na długości ok. 7mm i końcówki zagiąć pod kątem 90º):

Możesz ją zakupić w sklepie internetowym za około 28 zł z przesyłką. Na początek wystarczy ci płytka z 850 stykami. Płytka stykowa posiada szereg otworów, w które będziemy wkładać wyprowadzenia elementów elektronicznych. Otwory te są połączone wewnętrznie blaszkami. Sposób połączenia jest najczęściej następujący:

Do zewnętrznych otworów podłączamy napięcie zasilające (do czerwonych +, a do niebieskich –). Niektóre płytki posiadają przerwę linii zasilających na środku swojej długości. Musisz o tym pamiętać w czasie budowania prototypowych układów. Najlepiej sprawdź to swoim miernikiem (ustawiasz na pomiar oporności, w otworki możesz włożyć jakieś krótkie kawałki przewodów).

Co należy wiedzieć o diodzie LED? Po pierwsze, dioda ta musi być odpowiednio podłączona do plusa i minusa napięcia zasilania. Jak każda dioda, przewodzi ona prąd tylko w jednym kierunku. Jeśli ją podłączysz odwrotnie, to nie będzie świecić.

Katoda diody musi być podłączona do minusa zasilania, a anoda do plusa. Katodę łatwo rozpoznać. Jeśli twoja dioda LED wygląda tak, jak na powyższym rysunku, to katoda ma krótszą nóżkę, a cokół przy podstawie korpusu diody jest płaski od strony katody, co bez problemu wyczujesz dotykiem. W małych diodach nie występuje to ścięcie i kieruj się długością końcówek. Ostatecznie katodę możesz rozpoznać po wewnętrznej budowie diody, jeśli ta jest widoczna. Katoda posiada w środku grubszą elektrodę.

Druga rzecz. Każda dioda w trakcie świecenia wymaga odpowiedniego napięcia zasilającego oraz prądu. Poniższa tabelka pozwoli ci się w tym zorientować:
| Typ diody LED |
Napięcie minimalne |
Napięcie bezpieczne |
Napięcie maksymalne |
Prąd diody LED |
| czerwona | 1,2V | 1,8V | 2,1V | 15...20mA |
| zielona | 2,1V | 2,5V | 3,0V | 15...20mA |
| żółta | 2,0V | 2,4V | 2,8V | 15...20mA |
| pomarańczowa | 2,1V | 2,4V | 2,5V | 15...20mA |
| niebieska | 3,5V | 4V | 5,0V | 15...20mA |
| biała | 3,0V | 3,6V | 4,0V | 15...20mA |
Jeśli nie jesteś pewien, to najlepiej zapytaj sprzedawcę o parametry diody LED.
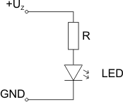
Co z tego wynika? Jak przekonali się niektórzy z uczestników naszego koła, podłączenie diody LED bezpośrednio do zasilacza jest dla niej zabójcze. Dioda przepala się błyskawicznie, nawet nie zdąży błysnąć i już masz ją z głowy. Diodę zawsze musimy podłączać do źródła napięcie wraz z szeregowym opornikiem R, który ograniczy prąd płynący przez diodę do odpowiedniej wartości oraz ustali napięcie pracy diody.
![]()

Na powyższym rysunku oznaczenia są następujące: +Uz – plus napięcia zasilającego, GND – masa, czyli minus napięcia zasilającego, R – opornik, LED – dioda.
Jak obliczyć wartość tego opornika? Bardzo prosto ze wzoru:
![]() gdzie: R – oporność w omach |
Załóżmy, że zakupisz czerwoną diodę LED (koszt około 30gr – kup od razu więcej sztuk, tak z 10...15) i chcesz ją podłączyć sobie do zasilacza 5V, aby cieszyć się jej czerwonym światełkiem. Obliczasz więc wartość opornika ograniczającego prąd:
| UZ = 5V ULED = 1,8V ILED = 0,015A (15mA)
|
Oporniki sprzedawane w sklepach posiadają oporności wg pewnego ciągu wartości. Oznacza to, że nie znajdziesz opornika o dokładnie takiej wartości, jak sobie tutaj wyliczyliśmy. Musimy przyjąć najbliżej dostępną wartość. Typowy szereg E24 koduje opory z tolerancją 5%. Wartości są następujące:
| E24 | 5% | 10, 11, 12, 13, 15, 16, 18, 20, 22, 24, 27, 30, 33, 36, 39, 43, 47, 51, 56, 62, 68, 75, 82, 91 |
Wartości te mnoży się przez odpowiednie potęgi liczby 10. W naszym przypadku najbliższy dostępny opornik w szeregu E24 posiada opór R = 22 x 10 = 220Ω.
Gdy masz już policzoną wartość oporu, to sprawdź jeszcze, jaka moc będzie się wydzielać na tym oporniku. Moc obliczamy ze wzoru:
| R = 220Ω ILED = 0,015A
|
Wystarczy zatem opornik o mocy 0,125W.

Wartości oporników są kodowane paskami kolorów. Jest to rozwiązanie praktyczne, ponieważ przy tej wielkości trudno byłoby odczytać cyferki. Opornik 220Ω powinien posiadać następujące paski koloru: –( )–. Najlepiej dodatkowo zmierz jego oporność za pomocą swojego miernika. Wyjaśnienie kodu kolorów jest dosyć proste. Pierwsze dwa paski określają dwie cyfry w szeregu wartości E12. Czerwony - czerwony to 22. Kolejny, trzeci pasek określa mnożnik: brązowy = 10. Zatem 22 x 10 = 220Ω. Ostatni, złoty pasek określa tolerancję 5%. Oznacza to, że wartość opornika może się faktycznie różnić o 5% od 220Ω, czyli 220Ω ± 211Ω. Nie zdziw się zatem, jeśli twój miernik wskaże, że zakupiony opornik 220Ω ma oporność od 209Ω do 231Ω. Kodu paskowego kolorów dobrze się jest nauczyć na pamięć, ale teraz nie zaprzątaj nim sobie głowy.
1 x płytka stykowa z kompletem przewodów
1 x LED czerwona
1 x opornik 220Ω 0,125W –( )–
Pamiętaj, aby montować układy elektroniczne bez podłączonego napięcia. Tzn. zasilacz włączasz na końcu, gdy już sprawdziłeś wszystkie połączenia.
![]() Przygotuj elementy |
|
![]() Elementy umieść w otworkach płytki stykowej. |
![]() Podłącz napięcie zasilające 5V. |
Katoda diody LED jest podłączona do linii masy (niebieska). Następnie do anody diody jest podłączony opornik. Druga końcówka opornika jest połączona z linią zasilania +5V (czerwona). Tutaj pomylenie biegunów zasilania spowoduje tylko tyle, że dioda LED nie będzie świecić. Jednakże przy następnych obwodach, w których zastosujemy układy scalone, odwrócenie biegunów zasilania może być fatalne w skutkach – a na pewno kosztowne dla młodego elektronika. Lepiej zatem to sobie dokładnie sprawdzić.
Gratulacje – obliczyłeś i skonstruowałeś swój pierwszy układ elektroniczny. Ćwicz dalej: podłącz w podobny sposób diodę żółtą i zieloną. Oblicz dla nich wartości oporników (jeśli nie masz odpowiednich oporników, to możesz połączyć równolegle dwa oporniki 220Ω, co da opór 110Ω).

![]() | I Liceum Ogólnokształcące |
Pytania proszę przesyłać na adres email: i-lo@eduinf.waw.pl
W artykułach serwisu są używane cookies. Jeśli nie chcesz ich otrzymywać,
zablokuj je w swojej przeglądarce.
Informacje dodatkowe